Foram encontradas 840 questões.
O Plano de Classificação de Documentos (PCD) de Arquivo é um instrumento de trabalho utilizado para classificar todo e qualquer documento produzido ou recebido por um órgão, no exercício de suas funções e atividades.
(Manual de Gestão Documental do Estado do Espírito Santo / Secretaria de Estado e Gestão e Recursos Humanos; Secretaria de Estado de Controle e Transparência; Instituto de Tecnologia da Informação e Comunicação do Espírito Santo; Arquivo Público do Estado do Espírito Santo – Vitória, ES: APEES, SEGER, SECONT, PRODEST, 2 ed., 2019. p. 46.)
Em relação ao plano de classificação de documentos, previsto no Manual de Gestão Documental do Estado do Espírito Santo, assinale a afirmativa correta.
Provas
Marque a alternativa que apresenta respectiva e corretamente um exemplo de espécie e formato documental.
Provas
“O documento de arquivo é quando é o que diz ser, ele é quando tem a capacidade de sustentar os fatos que atesta e é no conjunto documental de que faz parte.” Assinale a alternativa que completa correta e sequencialmente a afirmativa anterior.
Provas
( ) Os POPs devem ser aprovados, datados e assinados pelo menos pelo responsável técnico do estabelecimento, firmando o compromisso de implementação, monitoramento, avaliação, registro e manutenção dos mesmos.
( ) A frequência das operações e o nome, o cargo e/ou a função dos responsáveis por sua execução devem estar especificados em cada POP.
( ) Os POPs podem ser apresentados como anexo do Manual de Boas Práticas de Fabricação do estabelecimento.
( ) Deve-se prever registros periódicos suficientes para documentar a execução e o monitoramento dos POPs, bem como a adoção de medidas corretivas.
A sequência está correta em
Provas

Em função dessa avaliação, assinale a alternativa que apresenta o correto diagnóstico.
Provas

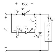
( ) Dm denomina-se diodo de “roda livre” e protege o restante de circuito quando a carga possui natureza capacitiva.
( ) A malha formada por C, T2 e Lm denomina-se circuito de comutação forçada.
( ) O circuito é mais adequado para aplicações de corrente contínua, pois em corrente alternada já ocorre a comutação natural pela inversão da polaridade da rede.
( ) Pode-se utilizar um capacitor eletrolítico em C, pois a polaridade nele nunca se inverte.
( ) A polaridade no indutor se inverte, devido à Lei de Lenz.
A sequência está correta em
Provas
Provas
Provas
Provas
Provas
Caderno Container