Foram encontradas 1.094 questões.
Considere que uma empresa tem necessidade de financiamento permanente de R$ 12.000,00 em ativos operacionais e de financiamento sazonal cuja média é de R$ 8.000,00. Os fundos de curto prazo correspondem a 5% e os de longo prazo a 10%. De acordo com as informações, qual será o custo do financiamento se a empresa adotar uma estratégia agressiva?
Provas
Em uma transformação isobárica, um gás sob pressão de 20 MPa teve o volume reduzido de 6,0 cm3 para 1,5 cm3. Qual o trabalho mecânico realizado?
Provas
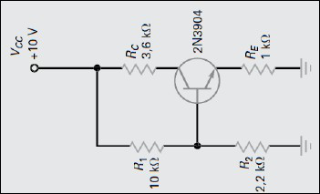
Considere a corrente de emissor aproximadamente a corrente de coletor no circuito a seguir e o transistor de silício.

O valor da potência dissipada aproximada no transistor é de:
Provas
Os esquemas de polarização têm um papel importantíssimo para os circuitos amplificadores transistorizados. São responsáveis por definir sob que condições o transistor irá operar, dadas as restrições impostas pelo circuito externo. Isso é comumente chamado de “ponto de operação” ou Q do transistor. Tão importante quanto definir o ponto de operação é assegurar que, uma vez definido, ele não mude devido à ação da temperatura gerada na junção do transistor. Para tanto, foram desenvolvidos vários esquemas de polarização que, essencialmente, visam contrabalançar o efeito da temperatura, mantendo, assim, o ponto Q estável ao longo do tempo. Dentre eles, destaca-se o esquema chamado “polarização com realimentação do coletor e emissor”, conforme mostrado na imagem a seguir:

Calcule o valor dos resistores RB, RC e RE no circuito para satisfazer as seguintes especificações: deve-se ter IC = 1 mA, VC = 7 V e VE = 2 V; dado que Vcc = 10 V, !$ \Beta !$ = 100 e VBE = 0,7 V.
Provas
A NBR 5.410/2004 estabelece as condições que devem satisfazer as instalações elétricas de baixa tensão, garantindo a segurança de pessoas e animais, a conservação de bens e o adequado funcionamento da instalação. Esta norma se aplica, principalmente, às instalações elétricas de edificações, qualquer que seja seu uso, incluindo as pré-fabricadas. No entanto, tal norma não é empregada nas seguintes instalações elétricas:
Provas
A fiscalização de contratos de obras públicas e execução dos serviços de engenharia, sejam obras de construção, reforma ou ampliação de uma edificação, ou conjunto de edificações, deve atender a um conjunto de normas e práticas complementares. Os serviços em concreto armado ou protendido devem ser executados em estrita observância às disposições do projeto estrutural e das normas brasileiras específicas, em suas edições mais recentes. Diante do exposto, analise as afirmativas a seguir.
I. As passagens das tubulações, através das vigas e de outros elementos estruturais, deverão obedecer ao projeto, não sendo permitidas mudanças em suas posições, a não ser com a autorização do autor do projeto estrutural.
II. Qualquer armadura terá cobrimento de concreto nunca menor que as espessuras prescritas no projeto. Para garantia do cobrimento mínimo preconizado em projeto, são utilizados distanciadores de plástico, ou pastilhas de concreto com espessuras iguais ao cobrimento previsto.
III. A resistência do concreto das pastilhas que servem como distanciadores poderá ser inferior à do concreto das peças às quais serão incorporadas.
IV. É muito importante que a quantidade de água da mistura esteja correta. Tanto o excesso quanto a falta são prejudiciais ao concreto: a falta de água diminui a resistência, enquanto o excesso deixa o concreto cheio de vazios (brocas ou bicheiras).
V. Os fixadores e os espaçadores utilizados para manter o posicionamento da armadura durante as operações de montagem, lançamento e adensamento do concreto, garantindo o cobrimento mínimo preconizado no projeto, podem ficar aparentes e não totalmente envolvidos pelo concreto.
Está correto o que se afirma apenas em
Provas
Os problemas relacionados à água, geralmente requerem um enfoque multidisciplinar que, de acordo com os especialistas, contribuem em suas áreas para entender a situação e alcançar a melhor alternativa sob determinados critérios. Projetos que visem o barramento de um rio para formação de um reservatório, com o objetivo de captar água para abastecimento humano e irrigação, são considerados exemplos. Em relação à rede de drenagem de um curso d’água, assinale afirmativa INCORRETA.
Provas
Os impactos quantitativos nos recursos hídricos são crescentes e produzem grandes alterações nos estoques de águas superficiais e subterrâneas. Há casos evidentes do uso excessivo de recursos hídricos superficiais que resultaram na redução quantitativa acentuada e em desastres de grandes proporções. Além dos impactos quantitativos, há outros impactos na qualidade de águas superficiais e subterrâneas que comprometem os usos múltiplos e aumentam as pressões econômicas regionais e locais sobre os recursos hídricos. Em relação às atividades humanas nos ecossistemas aquáticos e valores/serviços dos recursos hídricos em risco, marque V para as afirmativas verdadeiras e F para as falsas.
| Atividade humana | Impacto nos ecossistemas aquáticos | Valores/serviços em risco | |
| ( ) | Construção de represas. | Altera padrões de drenagem, inibe a recarga natural dos aquíferos e aumenta a sedimentação. | Altera a qualidade e a quantidade da água, pesca comercial, biodiversidade e controle de enchentes. |
| ( ) | Remoção excessiva de biomassa. | Destrói a conexão do rio com as áreas inundáveis. | Altera habitats, bem como a pesca comercial e esportiva. Altera os deltas e suas economias. |
| ( ) | Drenagem de áreas alagadas. | Elimina um componente-chave dos ecossistemas aquáticos. | Perda de biodiversidade; perda de funções naturais de filtragem e reciclagem de nutrientes; e, perda de habitats para peixes e aves aquáticas. |
| ( ) | Alteração do canal natural dos rios. | Diminui a qualidade da água. | Altera o suprimento de água; aumenta os custos de tratamento; altera a pesca comercial; diminui a biodiversidade; e, afeta a saúde humana. |
| ( ) | Remoção excessiva de biomassa. | Diminui os recursos vivos e a biodiversidade. | Altera a pesca comercial e esportiva; diminui a biodiversidade; e altera os ciclos naturais dos organismos. |
A sequência está correta em
Provas
- JornalismoTécnicas de apuração, redação, objetividade, edição e produção jornalísticaTécnicas e Práticas do Jornalismo
Um bom título atrai a atenção do leitor ao destacar a principal informação da notícia. Sobre a construção de títulos é correto afirmar, EXCETO:
Provas
Considerando que o conjunto de boas condições, capaz de fornecer qualidade acústica, térmica, visual, psicológica e ergonômica, para qualquer atividade humana, é conhecido como conforto ambiental, assinale a afirmativa INCORRETA.
Provas
Caderno Container