Foram encontradas 50 questões.
Observe um código m-file do software Matlab.
clear all
clc
format long
T=0.01;
x1=[0];
x2=[1];
y=[0];
u=[0];
tempo=[0];
for k=2:1:500
u(k)=1;
x1(k)=x1(k-1)+T*x2(k-1);
x2(k)=(-6*T)*x1(k-1)+(-5*T+1)*x2(k-1)+T*u(k-1);
y(k)=x1(k);
tempo(k)=(k-1)*T;
end
plot(tempo,y,'r')
hold on
plot(tempo,x1,'b')
plot(tempo,x2,'o')
O valor do terceiro elemento de y é:
Provas
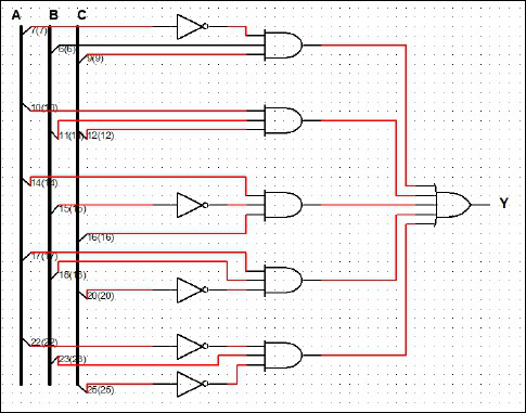
Uma expressão simplificada do circuito lógico apresentado é:

Provas
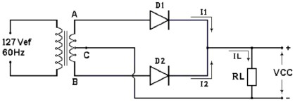
Considere os diodos de silício no circuito apresentado e o transformador com secundário de 12 + 12 de tensão eficaz.

O valor aproximado da tensão CC sobre a carga e a forma de onda para um ciclo da senoide de entrada do trafo são:
Provas
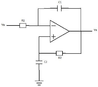
A equação no domínio da frequência que expressa a relação Vs(s) / Ve(s) é:

Provas
A condição para que uma onda seja eletromagnética plana uniforme é:
Provas
Durante um determinado período observou-se a potência ativa consumida de uma indústria, chegando-se ao gráfico a seguir, após várias médias diárias:

Sabendo que a potência ativa instalada desta indústria é de 200 kW, o fator de demanda é de:
Provas
Sobre o software Anarede do Cepel e, ainda, considerando a imagem a seguir (suponha que a imagem apresenta a configuração após “rodar” o fluxo de potência), marque V para as afirmativas verdadeiras e F para as falsas.

( ) A barra 1 é denominada de referência ou Swing.
( ) Em uma barra do tipo PV não se pode ter cargas de potência ativa e reativa acopladas.
( ) A barra 1 recebe todo o fluxo de potência originado nas barras 2 e 3.
( ) A barra 2 é do tipo PQ.
( ) O Anarede executou o fluxo de potência default pelo método desacoplado rápido; isso é visível pelos valores de fluxos imprecisos encontrados nas linhas de transmissão.
A sequência está correta em
Provas
Considerando os trechos de código do software Anatem, relacione adequadamente as colunas a seguir.

1. DCAR
2. DMOT
3. DMAC
4. DSIM
5. DEVT
6. APCL
7. RMGR
8. 202
9. 102
10. 101
( ) Modelo de regulador de tensão predefinido.
( ) Aplicação de curto-circuito CA.
( ) Comando para declaração de eventos com sistema de potência.
( ) Modelo de gerador com polos salientes.
( ) Remoção de gerador na simulação.
( ) Modelo de regulador de velocidade predefinido.
( ) Dados de simulação.
( ) Dados para cargas funcionais.
( ) Declaração de motores de indução.
( ) Associação de máquinas ao controle.
A sequência está correta em
Provas
Quando for estritamente necessária a instalação de transformadores não inflamáveis, pode-se utilizar o seguinte isolante, segundo as normas brasileiras:
Provas
São efeitos das correntes harmônicas sobre motores de indução, causadas por inversores de frequência, EXCETO:
Provas
Caderno Container