Foram encontradas 690 questões.
Disciplina: Engenharia Elétrica
Banca: FUNDATEC
Orgão: Pref. Nova Candelária-RS
Conforme a lista de símbolos para pontos de telefone, determine a sequência que descreve corretamente a nomenclatura das imagens abaixo.

Provas
Disciplina: Engenharia Elétrica
Banca: FUNDATEC
Orgão: Pref. Nova Candelária-RS
Analise as assertivas abaixo e assinale a alternativa correta.
I. A manutenção corretiva deve ser programada de modo a reduzir o tempo de parada das máquinas e equipamentos.
II. A manutenção preventiva requer uma equipe bem preparada e sua realização é feita de acordo com a alteração de informações que a máquina apresenta durante sua operação.
III. As manutenções preditivas são feitas nas máquinas quando são detectadas alterações nos parâmetros de controle nos períodos previamente definidos de manutenção.
Provas
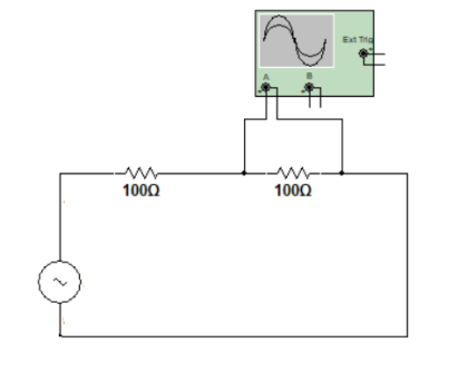
Disciplina: Engenharia Elétrica
Banca: FUNDATEC
Orgão: Pref. Nova Candelária-RS
Com base na leitura do osciloscópio para o circuito a seguir, sabendo que a escala de tempo é de 10 ms/Div, determine a frequência da fonte. Considere o valor arredondado sem casas decimais.


Provas
Disciplina: Direito Constitucional
Banca: FUNDATEC
Orgão: Pref. Nova Candelária-RS
Sobre os direitos assegurados à família, à criança, ao adolescente, ao jovem e ao idoso pela Constituição Federal de 1988, assinale a alternativa INCORRETA.
Provas
Disciplina: Engenharia Elétrica
Banca: FUNDATEC
Orgão: Pref. Nova Candelária-RS
Sabendo que as lâmpadas apresentam as potências de 100W e 50W se forem ligadas diretamente em uma rede elétrica na tensão de 100V, determine a resistência equivalente para o circuito a seguir. Considere o valor arredondado sem casas decimais.

Provas
Instrução: As questões de números 01 a 15 referem-se ao texto abaixo. Os destaques ao longo do texto estão citados nas questões.
A importância dos insetos para um meio ambiente equilibrado
Por Henrique Caldeira Costa
01 Quando se fala em insetos__ muita gente torce o nariz, porque se lembra de criaturas que
02 causam transtorno, como mosquitos vetores de doenças, baratas, pulgas e piolhos. Mas os
03 insetos são muito, muito diversos. Abelhas, besouros, borboletas, cupins, formigas, grilos
04 e cigarras são só mais alguns tipos de insetos que existem. Cientistas já catalogaram mais de
05 um milhão e meio de espécies animais, e aproximadamente um milhão são insetos! Ou seja,
06 duas de cada três espécies de animais do mundo são insetos!
07 A enorme variedade de insetos também significa diversidade de funções na natureza.
08 Os polini_adores, como muitas abelhas, borboletas e maripo_as, garantem a reprodu_ão de
09 vários tipos de plantas, das quais mais de 100 nos servem de alimento. Os insetos herbívoros
10 (“vegetarianos”), como grilos e muitos besouros, servem de alimento para outros animais,
11 incluindo insetos carnívoros, como louva-a-deus, joaninhas e libélulas.
12 E que tal insetos parasitoides, como algumas vespas, que se desenvolvem no ovo ou no corpo
13 de outro inseto e o devoram por dentro? Parece assustador, mas os insetos parasitoides e
14 carnívoros podem ser aliados de fazendeiros, se alimentando de pragas em plantações e
15 reduzindo o uso de agrotóxicos.
16 E não é só isso! Insetos decompositores, como moscas, cupins e baratas – sim, baratas! –
17 consomem restos de outros seres vivos e são fundamentais na reciclagem de nutrientes. Afinal,
18 na natureza tudo se transforma!
19 Apesar de serem tão importantes para nós, muitos insetos correm perigo por causa da ação
20 humana. Em 2018, cientistas australianos estimaram que quatro em cada dez espécies de insetos
21 estão desaparecendo, e o número de indivíduos dessas espécies vem caindo a cada ano. As
22 principais causas são o desmatamento, as mudanças climáticas e a poluição.
23 Um planeta saudável precisa de uma grande variedade de insetos na natureza. Zerar o
24 desmatamento, criar áreas de preservação ambiental e promover a agroecologia, que consiste
25 em uma agricultura mais responsável com o meio ambiente, é importante para ajudar os insetos
26 e a biodiversidade. Vamos espalhar essa ideia?
(Disponível em: https://chc.org.br/artigo/ja-agradeceu-a-um-inseto-hoje/ – texto adaptado especialmente para esta prova).
De acordo com o texto, assinale a alternativa correta.
Provas
Instrução: As questões de números 01 a 15 referem-se ao texto abaixo. Os destaques ao longo do texto estão citados nas questões.
A importância dos insetos para um meio ambiente equilibrado
Por Henrique Caldeira Costa
01 Quando se fala em insetos__ muita gente torce o nariz, porque se lembra de criaturas que
02 causam transtorno, como mosquitos vetores de doenças, baratas, pulgas e piolhos. Mas os
03 insetos são muito, muito diversos. Abelhas, besouros, borboletas, cupins, formigas, grilos
04 e cigarras são só mais alguns tipos de insetos que existem. Cientistas já catalogaram mais de
05 um milhão e meio de espécies animais, e aproximadamente um milhão são insetos! Ou seja,
06 duas de cada três espécies de animais do mundo são insetos!
07 A enorme variedade de insetos também significa diversidade de funções na natureza.
08 Os polini_adores, como muitas abelhas, borboletas e maripo_as, garantem a reprodu_ão de
09 vários tipos de plantas, das quais mais de 100 nos servem de alimento. Os insetos herbívoros
10 (“vegetarianos”), como grilos e muitos besouros, servem de alimento para outros animais,
11 incluindo insetos carnívoros, como louva-a-deus, joaninhas e libélulas.
12 E que tal insetos parasitoides, como algumas vespas, que se desenvolvem no ovo ou no corpo
13 de outro inseto e o devoram por dentro? Parece assustador, mas os insetos parasitoides e
14 carnívoros podem ser aliados de fazendeiros, se alimentando de pragas em plantações e
15 reduzindo o uso de agrotóxicos.
16 E não é só isso! Insetos decompositores, como moscas, cupins e baratas – sim, baratas! –
17 consomem restos de outros seres vivos e são fundamentais na reciclagem de nutrientes. Afinal,
18 na natureza tudo se transforma!
19 Apesar de serem tão importantes para nós, muitos insetos correm perigo por causa da ação
20 humana. Em 2018, cientistas australianos estimaram que quatro em cada dez espécies de insetos
21 estão desaparecendo, e o número de indivíduos dessas espécies vem caindo a cada ano. As
22 principais causas são o desmatamento, as mudanças climáticas e a poluição.
23 Um planeta saudável precisa de uma grande variedade de insetos na natureza. Zerar o
24 desmatamento, criar áreas de preservação ambiental e promover a agroecologia, que consiste
25 em uma agricultura mais responsável com o meio ambiente, é importante para ajudar os insetos
26 e a biodiversidade. Vamos espalhar essa ideia?
(Disponível em: https://chc.org.br/artigo/ja-agradeceu-a-um-inseto-hoje/ – texto adaptado especialmente para esta prova).
O oposto de “transtorno” é:
Provas
- OrtografiaEmprego de Letras e FonemasEmprego da letra Z
- OrtografiaEmprego de Letras e FonemasEmprego das letras S ou Z
- OrtografiaEmprego de Letras e FonemasEmprego da letra Ç
Instrução: As questões de números 01 a 15 referem-se ao texto abaixo. Os destaques ao longo do texto estão citados nas questões.
A importância dos insetos para um meio ambiente equilibrado
Por Henrique Caldeira Costa
01 Quando se fala em insetos__ muita gente torce o nariz, porque se lembra de criaturas que
02 causam transtorno, como mosquitos vetores de doenças, baratas, pulgas e piolhos. Mas os
03 insetos são muito, muito diversos. Abelhas, besouros, borboletas, cupins, formigas, grilos
04 e cigarras são só mais alguns tipos de insetos que existem. Cientistas já catalogaram mais de
05 um milhão e meio de espécies animais, e aproximadamente um milhão são insetos! Ou seja,
06 duas de cada três espécies de animais do mundo são insetos!
07 A enorme variedade de insetos também significa diversidade de funções na natureza.
08 Os polini_adores, como muitas abelhas, borboletas e maripo_as, garantem a reprodu_ão de
09 vários tipos de plantas, das quais mais de 100 nos servem de alimento. Os insetos herbívoros
10 (“vegetarianos”), como grilos e muitos besouros, servem de alimento para outros animais,
11 incluindo insetos carnívoros, como louva-a-deus, joaninhas e libélulas.
12 E que tal insetos parasitoides, como algumas vespas, que se desenvolvem no ovo ou no corpo
13 de outro inseto e o devoram por dentro? Parece assustador, mas os insetos parasitoides e
14 carnívoros podem ser aliados de fazendeiros, se alimentando de pragas em plantações e
15 reduzindo o uso de agrotóxicos.
16 E não é só isso! Insetos decompositores, como moscas, cupins e baratas – sim, baratas! –
17 consomem restos de outros seres vivos e são fundamentais na reciclagem de nutrientes. Afinal,
18 na natureza tudo se transforma!
19 Apesar de serem tão importantes para nós, muitos insetos correm perigo por causa da ação
20 humana. Em 2018, cientistas australianos estimaram que quatro em cada dez espécies de insetos
21 estão desaparecendo, e o número de indivíduos dessas espécies vem caindo a cada ano. As
22 principais causas são o desmatamento, as mudanças climáticas e a poluição.
23 Um planeta saudável precisa de uma grande variedade de insetos na natureza. Zerar o
24 desmatamento, criar áreas de preservação ambiental e promover a agroecologia, que consiste
25 em uma agricultura mais responsável com o meio ambiente, é importante para ajudar os insetos
26 e a biodiversidade. Vamos espalhar essa ideia?
(Disponível em: https://chc.org.br/artigo/ja-agradeceu-a-um-inseto-hoje/ – texto adaptado especialmente para esta prova).
As lacunas da linha 08 são, correta e respectivamente, preenchidas com:
Provas
Instrução: As questões de números 01 a 15 referem-se ao texto abaixo. Os destaques ao longo do texto estão citados nas questões.
A importância dos insetos para um meio ambiente equilibrado
Por Henrique Caldeira Costa
01 Quando se fala em insetos__ muita gente torce o nariz, porque se lembra de criaturas que
02 causam transtorno, como mosquitos vetores de doenças, baratas, pulgas e piolhos. Mas os
03 insetos são muito, muito diversos. Abelhas, besouros, borboletas, cupins, formigas, grilos
04 e cigarras são só mais alguns tipos de insetos que existem. Cientistas já catalogaram mais de
05 um milhão e meio de espécies animais, e aproximadamente um milhão são insetos! Ou seja,
06 duas de cada três espécies de animais do mundo são insetos!
07 A enorme variedade de insetos também significa diversidade de funções na natureza.
08 Os polini_adores, como muitas abelhas, borboletas e maripo_as, garantem a reprodu_ão de
09 vários tipos de plantas, das quais mais de 100 nos servem de alimento. Os insetos herbívoros
10 (“vegetarianos”), como grilos e muitos besouros, servem de alimento para outros animais,
11 incluindo insetos carnívoros, como louva-a-deus, joaninhas e libélulas.
12 E que tal insetos parasitoides, como algumas vespas, que se desenvolvem no ovo ou no corpo
13 de outro inseto e o devoram por dentro? Parece assustador, mas os insetos parasitoides e
14 carnívoros podem ser aliados de fazendeiros, se alimentando de pragas em plantações e
15 reduzindo o uso de agrotóxicos.
16 E não é só isso! Insetos decompositores, como moscas, cupins e baratas – sim, baratas! –
17 consomem restos de outros seres vivos e são fundamentais na reciclagem de nutrientes. Afinal,
18 na natureza tudo se transforma!
19 Apesar de serem tão importantes para nós, muitos insetos correm perigo por causa da ação
20 humana. Em 2018, cientistas australianos estimaram que quatro em cada dez espécies de insetos
21 estão desaparecendo, e o número de indivíduos dessas espécies vem caindo a cada ano. As
22 principais causas são o desmatamento, as mudanças climáticas e a poluição.
23 Um planeta saudável precisa de uma grande variedade de insetos na natureza. Zerar o
24 desmatamento, criar áreas de preservação ambiental e promover a agroecologia, que consiste
25 em uma agricultura mais responsável com o meio ambiente, é importante para ajudar os insetos
26 e a biodiversidade. Vamos espalhar essa ideia?
(Disponível em: https://chc.org.br/artigo/ja-agradeceu-a-um-inseto-hoje/ – texto adaptado especialmente para esta prova).
A palavra “espécies” está corretamente acentuada, assim como ocorre em:
Provas
Instrução: As questões de números 01 a 15 referem-se ao texto abaixo. Os destaques ao longo do texto estão citados nas questões.
A importância dos insetos para um meio ambiente equilibrado
Por Henrique Caldeira Costa
01 Quando se fala em insetos__ muita gente torce o nariz, porque se lembra de criaturas que
02 causam transtorno, como mosquitos vetores de doenças, baratas, pulgas e piolhos. Mas os
03 insetos são muito, muito diversos. Abelhas, besouros, borboletas, cupins, formigas, grilos
04 e cigarras são só mais alguns tipos de insetos que existem. Cientistas já catalogaram mais de
05 um milhão e meio de espécies animais, e aproximadamente um milhão são insetos! Ou seja,
06 duas de cada três espécies de animais do mundo são insetos!
07 A enorme variedade de insetos também significa diversidade de funções na natureza.
08 Os polini_adores, como muitas abelhas, borboletas e maripo_as, garantem a reprodu_ão de
09 vários tipos de plantas, das quais mais de 100 nos servem de alimento. Os insetos herbívoros
10 (“vegetarianos”), como grilos e muitos besouros, servem de alimento para outros animais,
11 incluindo insetos carnívoros, como louva-a-deus, joaninhas e libélulas.
12 E que tal insetos parasitoides, como algumas vespas, que se desenvolvem no ovo ou no corpo
13 de outro inseto e o devoram por dentro? Parece assustador, mas os insetos parasitoides e
14 carnívoros podem ser aliados de fazendeiros, se alimentando de pragas em plantações e
15 reduzindo o uso de agrotóxicos.
16 E não é só isso! Insetos decompositores, como moscas, cupins e baratas – sim, baratas! –
17 consomem restos de outros seres vivos e são fundamentais na reciclagem de nutrientes. Afinal,
18 na natureza tudo se transforma!
19 Apesar de serem tão importantes para nós, muitos insetos correm perigo por causa da ação
20 humana. Em 2018, cientistas australianos estimaram que quatro em cada dez espécies de insetos
21 estão desaparecendo, e o número de indivíduos dessas espécies vem caindo a cada ano. As
22 principais causas são o desmatamento, as mudanças climáticas e a poluição.
23 Um planeta saudável precisa de uma grande variedade de insetos na natureza. Zerar o
24 desmatamento, criar áreas de preservação ambiental e promover a agroecologia, que consiste
25 em uma agricultura mais responsável com o meio ambiente, é importante para ajudar os insetos
26 e a biodiversidade. Vamos espalhar essa ideia?
(Disponível em: https://chc.org.br/artigo/ja-agradeceu-a-um-inseto-hoje/ – texto adaptado especialmente para esta prova).
Para não mudar o sentido original da frase “A enorme variedade de insetos também significa diversidade de funções na natureza”, a forma verbal sublinhada NÃO pode ser substituída por:
Provas
Caderno Container