Foram encontradas 40 questões.
Disciplina: Engenharia Elétrica
Banca: FUNDATEC
Orgão: Pref. Nova Candelária-RS
De acordo com a lista de símbolos para pontos de iluminação incandescente, determine a sequência que descreve corretamente a nomenclatura das imagens abaixo:

Provas
Disciplina: Engenharia Elétrica
Banca: FUNDATEC
Orgão: Pref. Nova Candelária-RS
Determine o número de condutores de descida, conforme norma NBR 5419 para o projeto de SPDA e a imagem abaixo, do para-raio Franklin para atender uma residência que requer nível de proteção IV.

Nível de Proteção | Espaçamento Médio (metros) |
I | 10 |
II | 15 |
III | 20 |
IV | 25 |
Provas
Disciplina: Engenharia Elétrica
Banca: FUNDATEC
Orgão: Pref. Nova Candelária-RS
Conforme a NBR 5419 para o projeto de SPDA, determine a área da construção protegida do prédio da imagem a seguir, sabendo que a altura da haste do para-raio Franklin que atende uma residência que requer nível de proteção IV é de 6 m. Considere o valor truncado.
|
Nível de Proteção |
Ângulo de proteção (!$ \alpha !$) em graus, em função da altura da ponta do captor em relação ao solo em metros. (b) |
|||
|
h < 20 |
20 < h < 30 |
30 < h < 45 |
45 < h < 60 |
|
|
IV |
55 |
45 |
35 |
25 |
|
III |
45 |
35 |
25 |
a |
|
II |
35 |
25 |
a |
a |
|
I |
25 |
a |
a |
a |

Provas
Disciplina: Engenharia Elétrica
Banca: FUNDATEC
Orgão: Pref. Nova Candelária-RS
Com base na lista de símbolos para pontos de iluminação fluorescente, determine a sequência que descreve correta e respectivamente a nomenclatura das imagens abaixo:

Provas
Disciplina: Segurança e Saúde no Trabalho (SST)
Banca: FUNDATEC
Orgão: Pref. Nova Candelária-RS
A NR-10 prevê, no item 10.5 – SEGURANÇA EM INSTALAÇÕES ELÉTRICAS DESENERGIZADAS que somente serão consideradas desenergizadas as instalações elétricas liberadas para trabalho, mediante uma sequência correta de procedimentos. Selecione a alternativa que descreve a ordem correta para desenergização do sistema.
1. Proteção dos elementos energizados existentes na zona controlada.
2. Constatação da ausência de tensão.
3. Impedimento de reenergização.
4. Instalação de aterramento temporário com equipotencialização dos condutores dos circuitos.
5. Instalação da sinalização de impedimento de reenergização.
6. Seccionamento.
Provas
Disciplina: Engenharia Elétrica
Banca: FUNDATEC
Orgão: Pref. Nova Candelária-RS
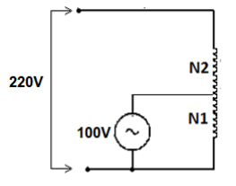
Determine o número de espiras em N1 e N2 para o autotransformador ideal abaixo, sabendo que a seção magnética do núcleo é de 60 cm2. N1 + N2 é o número total de espiras do transformador. Considere a seção magnética de 20.

Provas
Disciplina: Engenharia de Produção
Banca: FUNDATEC
Orgão: Pref. Nova Candelária-RS
Na área de manutenção da indústria, são adotados uma série de indicadores do plano de manutenção preventiva (PMP). ICPMP é o índice de cumprimento do plano de manutenção. Sabendo que, ao longo do mês, foram emitidas 100 Ordens de Serviço (OS) e que na primeira semana foram realizadas 20 OS, determine o número médio de serviços realizados nas 3 semanas seguintes, sabendo que a empresa apresentou um ICPMP de 50% no mês.
Provas
Disciplina: Engenharia Elétrica
Banca: FUNDATEC
Orgão: Pref. Nova Candelária-RS
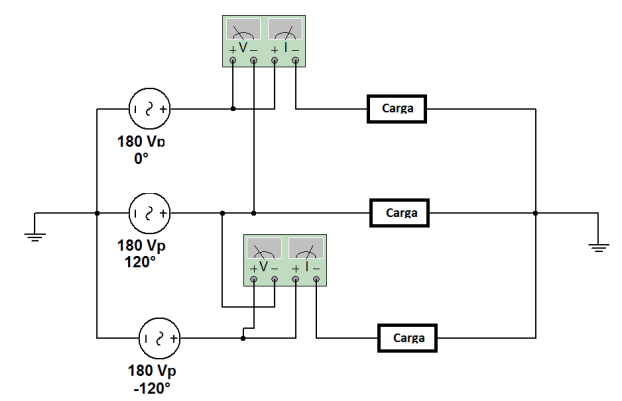
Em um sistema trifásico equilibrado, foram conectadas três cargas resistivas iguais em cada uma das fases. O sistema permaneceu ligado ao longo do dia por 6 horas, durante 20 dias. Um medidor de energia registrou um consumo de 60 KWh. Determine a leitura da potência dos wattímetros.

Provas
Disciplina: Engenharia Elétrica
Banca: FUNDATEC
Orgão: Pref. Nova Candelária-RS
Conforme a norma brasileira de instalações elétricas (NBR-5410), determine a potência de iluminação mínima prevista para o quarto da residência a seguir:

Provas
Disciplina: Engenharia Elétrica
Banca: FUNDATEC
Orgão: Pref. Nova Candelária-RS
Considerando a norma brasileira de instalações elétricas (NBR-5410), determine o número de TUG para o quarto de uma residência.

Provas
Caderno Container