Foram encontradas 1.348 questões.
Considerando a sequência de erupção dos dentes decíduos e permanentes em uma criança, qual das seguintes afirmativas descreve corretamente a sequência esperada de erupção dos dentes permanentes, assumindo um desenvolvimento normal?
Provas
Disciplina: Engenharia Eletrônica
Banca: COTEC
Orgão: Pref. Montes Claros-MG
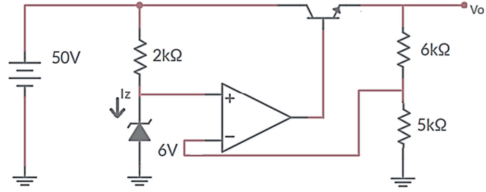
Para o circuito regulador de tensão linear a seguir, desconsiderando a queda de tensão (Vbe) no transistor, marque a alternativa que mostra, respectivamente, a sua tensão de saída (V0) e a corrente do diodo Zener (IZ):

Fonte: O autor, 2024.
Provas
No contexto da validação de autoclaves para esterilização de materiais odontológicos, o teste biológico desempenha um papel crítico na garantia da eficácia do processo. Qual das seguintes afirmativas descreve corretamente o propósito e a metodologia do teste biológico? Assinale-a.
Provas
Na prática odontológica, diferentes tipos de radiografias são utilizados para atender a diversas necessidades diagnósticas. Marque a alternativa que apresenta uma técnica radiográfica extrabucal.
Provas
Considere que você criou uma planilha utilizando o Microsoft Excel, para controle de gastos mensais. Na planilha, há células com descrições de cada um dos gastos e os respectivos valores, para cada mês, e uma célula que totaliza o gasto do mês em questão. O recurso que você deve utilizar para que a célula que totaliza o gasto de cada mês fique com a cor do plano de fundo em vermelho, caso o seu valor ultrapasse dois mil reais, é:
Provas
Durante o processo de revelação de radiografias odontológicas, o controle adequado do tempo e da temperatura no banho revelador é crucial para garantir a qualidade da imagem. Qual das seguintes afirmativas descreve corretamente o efeito de um tempo de revelação muito longo? Assinale-a.
Provas
O cimento de ionômero de vidro (CIV) é um material odontológico que consiste em um pó e um líquido. Quando misturados, eles iniciam uma reação de presa do tipo ácido/base dando origem a uma massa plástica que, por sua vez, endurece após finalização da presa. Para que o material apresente o seu melhor desempenho, devem ser considerados alguns cuidados na sua manipulação. Analise as afirmativas a seguir e assinale a alternativa CORRETA.
Provas
O dentifrício é definido como “um produto de higiene que tem o objetivo de limpar e polir as superfícies dentais por meio de uma escova dental, auxiliando na prevenção e controle da cárie dentária e doença periodontal. Composto por diversos ingredientes que desempenham funções específicas, ele constitui produto essencial na manutenção da higiene bucal. Qual das seguintes alternativas associa corretamente um componente do dentifrício à sua principal função? Assinale-a.
Provas
Um saco com balões do mesmo tamanho e material contém 7 balões brancos e 5 balões pretos. A probabilidade de retirar dois balões, consecutivamente, sem reposição, e ambos serem pretos é de
Provas
Disciplina: Terapia Ocupacional
Banca: COTEC
Orgão: Pref. Montes Claros-MG
O processo de envelhecimento é naturalmente acompanhado por diversas alterações multifatoriais e progressivas que podem comprometer a funcionalidade, independência e qualidade de vida da pessoa idosa. A perda da massa muscular e consequentemente da força e potência muscular é a principal responsável pela deterioração na mobilidade e na funcionalidade desses indivíduos. O declínio da força e mobilidade da pessoa idosa, interfere na realização de atividades essenciais para o desempenho funcional, como caminhar, sentar, levantar, subir escadas, entre outras. Como indicador geral de força e potência muscular, na prática clínica, a avaliação da Força de Preensão (FPM) vem sendo empregada como indicador de força global e funcionalidade.
Marque qual dos dispositivos é utilizado para avaliar a FPM:
Provas
Caderno Container