Foram encontradas 40 questões.
Disciplina: Engenharia Eletrônica
Banca: COTEC
Orgão: Pref. Montes Claros-MG
Simplificando a expressão booleana a seguir, o valor equivalente obtido é:

Provas
Disciplina: Engenharia Eletrônica
Banca: COTEC
Orgão: Pref. Montes Claros-MG
Considere, na figura a seguir, os sinais A e B como entradas e S como o sinal de saída, sabendo que os resistores R e R2 foram dimensionados para que os transistores T1 e T2 operem como chave. Marque a alternativa que corresponde à operação lógica executada por esse circuito.

Fonte: O autor, 2024.
Provas
Disciplina: Engenharia Eletrônica
Banca: COTEC
Orgão: Pref. Montes Claros-MG
Na figura a seguir, temos um retificador de onda completa. Sabendo que o valor de (Vin) é 40 V e que a carga (RLoad) é 100 Ω, qual é o valor aproximado da tensão na carga(V0) e da corrente medida em cada diodo?

Fonte: O autor, 2024.
Provas
As bactérias são organismos procariontes pertencentes ao Reino Monera. Sua reprodução ocorre de maneira assexuada, em um processo em que a bactéria se divide e dá origem a duas idênticas a intervalos regulares. Assim, considere uma população inicial de 512 bactérias, que se duplica a cada 25 minutos. Após 5 horas, a potência de dois que representa a população de bactérias é igual a
Provas
Os lados de um triângulo \( A \)\( B \)\( C \) medem \( \overline{AB} \) = 6, \( \overline{BC} \) = 4 e \( \overline{AC} \) = 5. Sobre os ângulos internos \( \hat{A} \) e \( \hat{C} \) desse triângulo, pode-se afirmar que
Provas
Disciplina: Engenharia Eletrônica
Banca: COTEC
Orgão: Pref. Montes Claros-MG
Em uma placa de desenvolvimento Arduino Uno, contendo o microcontrolador ATMEGA328P, foi gravado o código hexadecimal referente ao código a seguir. No hardware do Arduino foi ligado um sinal de tensão de 2V no pino AREF. Sabendo que o sensor analógico ligado ao pino A0 tem um range de saída 0 a 2V e que o conversor A/D é de 10 bits, escolha a alternativa que mostra o valor impresso na porta serial quando o sensor estiver em 50% de sua faixa de trabalho:
int sensorPin = A0;
void setup() {
analogReference(EXTERNAL);
pinMode(ledPin, OUTPUT);
}
Serial.begin(9600);
void loop() {
int sensorValue = analogRead(sensorPin);
Serial.println(sensorValue);
delay(1000);
}
Provas
Disciplina: Engenharia Eletrônica
Banca: COTEC
Orgão: Pref. Montes Claros-MG
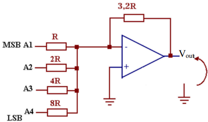
A figura a seguir mostra um conversor digital para analógico (DAC) montado com um amplificador operacional ideal. Sabendo que os valores das entradas A1, A2, A3 e A4 podem assumir valores 0V (nível lógico 0) ou 5V (nível lógico 1), qual o valor da tensão:

Fonte: O autor, 2024.
Provas
Disciplina: Engenharia Eletrônica
Banca: COTEC
Orgão: Pref. Montes Claros-MG
A figura a seguir mostra um contador construído a partir de flip-flops JK. Considere que as entradas J e K estão sempre em nível lógico alto. Escolha a alternativa que melhor descreve o tipo de contador da figura:

Fonte: O autor, 2024.
Provas
Disciplina: Engenharia Eletrônica
Banca: COTEC
Orgão: Pref. Montes Claros-MG
Para polarização do transistor foi aplicado o circuito com o divisor de tensão com pode ser visto na figura a seguir. Para esse circuito, a corrente I1, IB e Ic são, respectivamente:

Fonte: O autor, 2024.
Provas
Disciplina: Engenharia Eletrônica
Banca: COTEC
Orgão: Pref. Montes Claros-MG
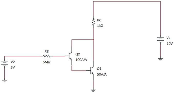
Sabendo que os transistores no circuito a seguir operam na região ativa, a corrente que passa em RB e R1 são, respectivamente:

Fonte: O autor, 2024.
Provas
Caderno Container