Foram encontradas 920 questões.
- Arquitetura e Design de SoftwareNavegação em Websites e Interfaces
- UX/UIInteração Humano-Computador
- UX/UIProjeto de Interface de Usuário
- UX/UIUsabilidade
Por definição, uma aplicação interativa é a
Provas
Questão presente nas seguintes provas
271186
Ano: 2010
Disciplina: Agronomia (Engenharia Agronômica)
Banca: VUNESP
Orgão: Pref. Diadema-SP
Disciplina: Agronomia (Engenharia Agronômica)
Banca: VUNESP
Orgão: Pref. Diadema-SP
Provas:
Em se tratando de paisagismo, é sabido que uma das principais funções de um vaso com plantas é a ornamentação do ambiente. Nesse sentido, com respeito à utilização de vasos na decoração de ambiente
I. o tipo, o tamanho e a forma dos vasos devem considerar a cor e a textura das paredes e as proporções da área do local onde serão colocados.
II. o formato dos vasos deve ser harmonizado com o estilo arquitetônico, sendo também importante considerar o posicionamento e a localização dos vasos no ambiente.
III. os tipos de materiais mais recomendados são o barro, o xaxim, a madeira, o cimento, o plástico, os metais (estanho, bronze, latão, cobre etc), o vidro e a fibra de vidro.
Está correto o contido em
Provas
Questão presente nas seguintes provas
A exigência de unidade faz parte da própria natureza do conhecimento. Ela está na origem de todo saber, permanecendo imanente a cada uma de suas formas, por mais especializada que seja. O conhecimento humano é sintético e global antes de ser analítico e especializado. Esse enunciado explicita uma exigência característica da abordagem
Provas
Questão presente nas seguintes provas
271104
Ano: 2010
Disciplina: TI - Desenvolvimento de Sistemas
Banca: VUNESP
Orgão: Pref. Diadema-SP
Disciplina: TI - Desenvolvimento de Sistemas
Banca: VUNESP
Orgão: Pref. Diadema-SP
Provas:
O principal meio de comunicação entre diferentes aplicações transmitindo dados por meio de Web Services são arquivos do tipo
Provas
Questão presente nas seguintes provas
De acordo com a Lei Estadual n.º 997, de 31 de maio de 1976, que dispõe sobre o controle da Poluição do Meio Ambiente, a licença que será expedida na parte preliminar do planejamento de uma “fonte de poluição” conterá os requisitos básicos a serem atendidos nas fases de localização, instalação e operação e será por prazo determinado, é a Licença Ambiental:
Provas
Questão presente nas seguintes provas
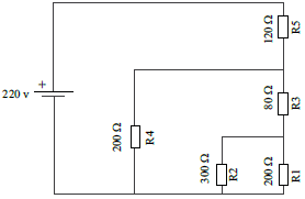
Observe a figura.

A corrente total e a resistência equivalente do circuito da figura, valem, respectivamente,
Provas
Questão presente nas seguintes provas
- Legislação EspecialLei 9.605/1998: Crimes e Infrações AmbientaisDa Aplicação da Pena (arts. 6º ao 24)
A pena aplicável à pessoa jurídica de prestação de serviços à comunidade consistirá em
Provas
Questão presente nas seguintes provas
O serviço de empréstimo
Provas
Questão presente nas seguintes provas
270924
Ano: 2010
Disciplina: Segurança e Saúde no Trabalho (SST)
Banca: VUNESP
Orgão: Pref. Diadema-SP
Disciplina: Segurança e Saúde no Trabalho (SST)
Banca: VUNESP
Orgão: Pref. Diadema-SP
Provas:
Nos trabalhos em instalações elétricas, quando não for possível o uso de equipamentos de proteção coletiva, deve-se
Provas
Questão presente nas seguintes provas
O recrutamento é considerado interno quando a organização
Provas
Questão presente nas seguintes provas
Cadernos
Caderno Container