Foram encontradas 307 questões.
A partir da avaliação da qualidade de prestação de um
serviço público à população, verificou-se graficamente
que uma grande quantidade dos problemas apontados
era decorrente de uma pequena quantidade de causas.
De acordo com o Diagrama de Pareto, essa proporção diz respeito à regra
De acordo com o Diagrama de Pareto, essa proporção diz respeito à regra
Provas
Questão presente nas seguintes provas
Ao analisar a distribuição de um conjunto de dados que
representa a quantidade de cidadãos que utilizam determinado serviço público a cada dia, chegou-se a uma
representação gráfica cujas barras possuem praticamente a mesma altura.
Esse tipo de histograma é conhecido como
Esse tipo de histograma é conhecido como
Provas
Questão presente nas seguintes provas
3697599
Ano: 2025
Disciplina: Modelagem de Processos de Negócio (BPM)
Banca: VUNESP
Orgão: Pref. Campinas-SP
Disciplina: Modelagem de Processos de Negócio (BPM)
Banca: VUNESP
Orgão: Pref. Campinas-SP
Provas:
Durante o período de formação dos servidores públicos
aprovados em determinada carreira, foram apresentados
os fluxogramas funcionais para que cada um dos ingressantes passasse a familiarizar-se com um importante
processo.
Na análise desses fluxogramas, o símbolo que diz respeito à tomada de decisão é representado pela seguinte notação:
Na análise desses fluxogramas, o símbolo que diz respeito à tomada de decisão é representado pela seguinte notação:
Provas
Questão presente nas seguintes provas
Os ambientes interno e externo podem gerar um impacto
favorável, desfavorável ou neutro sobre as características
do projeto, partes interessadas ou equipes do projeto.
Assim, fatores internos à organização, seja ela pública ou privada, dizem respeito
Assim, fatores internos à organização, seja ela pública ou privada, dizem respeito
Provas
Questão presente nas seguintes provas
Um órgão da prefeitura vai iniciar a elaboração do planejamento organizacional.
No nível estratégico, uma das características existentes diz respeito
No nível estratégico, uma das características existentes diz respeito
Provas
Questão presente nas seguintes provas
O comando do AutoCAD que permite realizar cópias
ordenadas de forma retangular ou polar do objeto desenhado ao redor de um ponto é denominado
Provas
Questão presente nas seguintes provas
Sobre os procedimentos referenciais para o gerenciamento de material a ser dragado em águas sob jurisdição nacional e a sua disposição final, fica dispensado de
caracterização química, ecotoxicológica e outros estudos
complementares referentes à caracterização, o material
dragado em cursos de água, lagos e reservatórios, a ser
disposto em solo ou em águas sob jurisdição nacional,
cujo volume dragado seja inferior a 10000 m3
e desde
que as amostras apresentem porcentagem mínima de
areia de
Provas
Questão presente nas seguintes provas
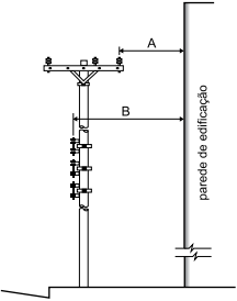
Analise a figura a seguir de um sistema usual de estrutura de transmissão de energia elétrica com condutores nus, no qual há um poste instalado em frente à parede de uma edificação:

Considerando que a tensão da rede primária é de 15 kV e que a tensão da rede secundária é de baixa tensão, os afastamentos mínimos indicados pelas letras A e B são, respectivamente,
Provas
Questão presente nas seguintes provas
Para aproveitar a energia hidráulica de escoamento
de água de uma represa que pode fornecer a vazão
de 1000 litros por segundo, planeja-se instalar uma
turbina para a geração de energia elétrica. Com altura
manométrica de 50 m, a potência que uma turbina com
75% de rendimento pode fornecer é
Provas
Questão presente nas seguintes provas
Para garantir a segurança do trabalho nos canteiros
de obras, a altura máxima de torres de andaimes, com
dimensões de base de apoio de 2 m por 2 m, quando não
estaiadas ou não fixadas à estrutura da obra, é
Provas
Questão presente nas seguintes provas
Cadernos
Caderno Container