Foram encontradas 1.460 questões.
A razão entre o número de salas que Carlos limpou em um determinado dia e o número de salas que Marisa limpou, nesse mesmo dia, pode ser representada pela fração !$ { \large 4 \over 5} !$. Nesse dia, Carlos limpou 12 salas. Sendo assim, é verdade que o número de salas que Marisa limpou é:
Provas
Questão presente nas seguintes provas
Considere as proposições I e II:
I- {1, 2, 3, 4} – {0, 1, 2, 3} = {4}
II- {1, 2, 3, 4} !$ \cap !$ {0, 1, 2, 3} = {1, 2, 3}
Sobre essas proposições é correto afirmar que:
Provas
Questão presente nas seguintes provas
1301621
Ano: 2013
Disciplina: Engenharia Cartográfica
Banca: CAIP-IMES
Orgão: Pref. Botucatu-SP
Disciplina: Engenharia Cartográfica
Banca: CAIP-IMES
Orgão: Pref. Botucatu-SP
Provas:
Leia a sentença abaixo e preencha a lacuna assinalando a alternativa correta.
“________________ é um encadeamento de distâncias e ângulos medidos entre pontos adjacentes formando linhas poligonais ou polígonos. Partindo de uma linha formada por dois pontos conhecidos, determinam-se novos pontos, até chegar a uma linha de pontos conhecidos.”
Provas
Questão presente nas seguintes provas
Colegas de trabalho tiraram uma foto juntos na festa de final de ano e resolveram ampliá-la a fim de fazer um pôster para ser colocado no local onde trabalham. A foto original tinha 10cm x 17cm. Mantendo–se as proporções, o pôster só poderá ser de:
Provas
Questão presente nas seguintes provas
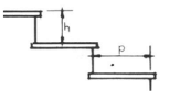
Em muitas instalações prediais surge a necessidade de se projetar escadas e rampas. Para escadas é muito útil o uso da fórmula de Blondell, onde:

Provas
Questão presente nas seguintes provas
O Importuno
Certo indivíduo, conhecido como agenciador, alojou-se, no caminho de sua vida, no solar de um homem bondoso e abastado, que lhe abrira as portas para um descanso ligeiro.
Nos primeiros dias, o dono suportou gentilmente o hóspede, oferecendo-lhe a melhor cama, o melhor vinho, os melhores charutos. Passada, porém, a primeira quinzena, começou a pensar em um meio, que não fosse grosseiro, de livrar-se do importuno, e achou-o.
Tinham os dois acabado de almoçar e repousavam, lendo jornais e fumando “havanas”, à sombra das árvores. De repente, o hospedeiro recosta-se pesadamente na cadeira, cerra os olhos, deixa cair a folha e o charuto, simulando um sono profundo. E, como em sonho, principia a falar:
– Vejam só, que maçada! Esse cavalheiro vem, aloja-se em minha casa, come, bebe, fuma, diverte-se, e nada de entender que sua presença já me está sendo desagradável. Será possível que ele não compreenda isso?
E, soltando um suspiro, pulou da cadeira, esfregando os olhos:
– Que diabo! É eu dormir depois do almoço, vêm-me logo os pesadelos. E que sonho mau tive eu! Parece até que falei alto, não?
E o outro, que de cenho cerrado prestava atenção a tudo:
– É exato: você esteve por aí falando; e eu, como vi que se tratava de coisas de sonhos, procurei não ouvir para não ser indiscreto. As palavras dos homens só têm valor, mesmo, quando eles as proferem acordados.
E o hóspede continuou na casa por mais três anos e quatro meses, isto é, até a transferência da propriedade, comendo do melhor prato, dormindo na melhor cama, bebendo do melhor vinho, fumando os melhores charutos.
Humberto de Campos
Concluímos que um homem:
Provas
Questão presente nas seguintes provas
1300473
Ano: 2013
Disciplina: Legislação Tributária Municipal
Banca: CAIP-IMES
Orgão: Pref. Botucatu-SP
Disciplina: Legislação Tributária Municipal
Banca: CAIP-IMES
Orgão: Pref. Botucatu-SP
Provas:
De acordo com a LC 371 de 2003, considera-se para definição de unidade econômica e profissional a existência de estabelecimentos caracterizada pela conjunção parcial ou total dos seguintes elementos:
I- manutenção de pessoal, material, mercadorias, máquinas, instrumentos ou equipamentos.
II- estrutura Organizacional ou Administrativa.
III- inscrição nos órgãos previdenciários.
IV- indicação como domicílio fiscal para efeitos de qualquer tributo.
V- permanência ou ânimo de permanecer no local, para exploração econômica da atividade, exteriorizada através da indicação do endereço em impressos, formulários ou correspondência, contrato de locação do imóvel, propaganda ou publicidade, ou em contas de telefone, de fornecimento de energia elétrica, água ou gás.
Assinale a alternativa correta.
Provas
Questão presente nas seguintes provas
1300284
Ano: 2013
Disciplina: Contabilidade Pública
Banca: CAIP-IMES
Orgão: Pref. Botucatu-SP
Disciplina: Contabilidade Pública
Banca: CAIP-IMES
Orgão: Pref. Botucatu-SP
Provas:
Classificam-se como Despesas de Custeio:
Provas
Questão presente nas seguintes provas
Identifique as afirmações como (V) verdadeiras ou (F) falsas.
( ) O Atendimento Educacional Especializado em Libras fornece a base conceitual dessa língua e do conteúdo curricular estudado na sala de aula comum.
( ) Os professores utilizam imagens visuais e quando o conceito é muito abstrato, recorrem a outros recursos, como o teatro, por exemplo.
( ) Os recursos didáticos utilizados na sala de aula comum para a compreensão dos conteúdos curriculares não são apropriados para uso no Atendimento Educacional Especializado.
A sequência correta é:
Provas
Questão presente nas seguintes provas
Garrafa transforma qualquer líquido em H2O
Por conta das mudanças climáticas e do aquecimento global, eventos extremos já não parecem tão distantes de cada um de nós. Basta lembrar a devastação provocada pelo Furacão Haiyan, nas Filipinas, ou do sufoco no Rio por causa dos deslizamentos – só para citar uma das catástrofes mais recentes ocorridas no planeta. Estima-se que desastres ‘naturais’ foram responsáveis por perda de 25 mil vidas e R$ 300 bilhões, no ano de 2013.
Pensando nisso, os designers de uma empresa sueca criaram uma garrafa capaz de ‘transformar’ qualquer líquido em água, a Okopure.
Com tecnologia desenvolvida pela NASA, o novo produto elimina 99,9% das impurezas – a filtragem da água é feita a partir de 400 poros com dois microns de diâmetro, o equivalente a dois milésimos de milímetro – e ainda absorve agentes nocivos à saúde. Cada garrafa pode purificar até 380 litros de qualquer tipo de líquido.
Disponível com três diferentes filtros, que permitem a variação da filtragem conforme a necessidade de cada usuário, o novo produto é comercializado pelo site da empresa por U$ 25.
Apesar de cara – sua disseminação e aplicação precisa de apoio financeiro – a Okopure é, sem dúvida, uma ótima alternativa em caso de desastres ‘naturais’, e ainda pode ser utilizada em países ou regiões muito pobres ( 37% da população mundial), em guerra e/ou sem saneamento básico, onde as pessoas vivem em constante risco de contaminação.
…
Jéssica Miwa
Disponível em: http://super.abril.com
Não faz o plural como “naturais”:
Provas
Questão presente nas seguintes provas
Cadernos
Caderno Container