Foram encontradas 395 questões.

Provas
Questão presente nas seguintes provas

Provas
Questão presente nas seguintes provas

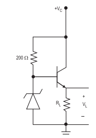
No circuito eletrônico da figura acima, todos os componentes são considerados ideais. O transistor opera com ganho β = 20 e V BE= 0,6 V. Sabe-se que o diodo Zener opera com tensão nominal de 6 V, que o circuito deve funcionar com a tensão VC podendo assumir valores entre 15 e 30 V e que a resistência de carga RL é incerta, podendo variar de 5 Ω até infinito (circuito sem carga). O projeto prevê que a tensão V L , com alguma tolerância, permaneça constante. Nesse contexto, o diodo Zener deverá ser especificado no projeto para suportar uma potência máxima, em W, de
Provas
Questão presente nas seguintes provas

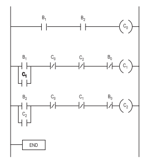
Considere o esquema LADDER de controle de um processo industrial apresentado na figura acima. O usuário tem acesso ao sistema de controle através das botoeiras denominadas B1'B2B0. Com base nessas informações e no diagrama apresentado, tem-se que a(s)
Provas
Questão presente nas seguintes provas

Provas
Questão presente nas seguintes provas
- Álgebra Booleana e Circuitos Lógicos
- Automação Industrial
- Eletrônica DigitalProgramação Ladder
- Eletrônica Digital na Engenharia Eletrônica

O programa em Ladder acima aciona a bobina S, obedecendo às condições dos contatos A e B. A expressão lógica correspondente ao programa é
Provas
Questão presente nas seguintes provas

A figura acima representa um diagrama de blocos. A esse respeito, a função de transferência de malha fechada [Y(S)/X(S)] correspondente a esse diagrama é
Provas
Questão presente nas seguintes provas

A Figura 1 apresenta o diagrama LADDER de um CLP que possui um temporizador, com atraso no desligamento, ajustado para um tempo de 10 s, e com a saída C1 inicialmente desabilitada. A Figura 2 apresenta os diagramas de tempo dos comandos B1 e B2 Nessas condições, após a habilitação da saídaC1 esta só será desabilitada no instante de tempo t, cujo valor, em segundos, é
Provas
Questão presente nas seguintes provas
A figura abaixo mostra um diagrama GRAFCET, que representa uma parte da sequência de comando de um sistema automatizado.

Com base nas regras e na técnica de construção do GRAFCET, tem-se que a etapa A5 é ativada somente se forem também ativadas as etapas

Com base nas regras e na técnica de construção do GRAFCET, tem-se que a etapa A5 é ativada somente se forem também ativadas as etapas
Provas
Questão presente nas seguintes provas

O diagrama Grafcet, representado na figura ao lado, é parte da sequência de comando de um sistema automatizado. Considerando o diagrama, com base nas técnicas de sua construção, analise as afirmações a seguir.
A etapa A7 é ativada se forem também ativadas as etapas (A2, A3) e A4 e (A5, A6).
PORQUE
A estrutura de barra horizontal dupla, no diagrama, indica início ou fim de ações que devem ocorrer paralelamente. Analisando-se as afirmações acima, conclui-se que
Provas
Questão presente nas seguintes provas
Cadernos
Caderno Container