Foram encontradas 395 questões.
O controle PID está consagrado na indústria em muitos processos distintos, nos quais se ressalta que o(a)
Provas
Questão presente nas seguintes provas
- Conversores Analógicos Digitais (AD) e Digitais Analógicos (DAC)
- Eletrônica Digital na Engenharia Eletrônica
A válvula de controle acionada exclusivamente por meio de um conversor eletromecânico e que requer sinais de entrada de baixa potência, para controle de vazão na faixa entre 0,3 e 2,0 litros por minuto, possui configuração geométrica do tipo
Provas
Questão presente nas seguintes provas
Um controlador que processa, simultaneamente,
APENAS o sinal de erro instantâneo e o erro acumulado ao longo do tempo é do tipo
Provas
Questão presente nas seguintes provas
Um transmissor de temperatura eletrônico possui um range de -20 °C a +20 °C correspondente a um sinal de 4 a 20 mA. Caso o transmissor esteja medindo
10 °C, qual o valor transmitido correspondente em mA?
10 °C, qual o valor transmitido correspondente em mA?
Provas
Questão presente nas seguintes provas

Um circuito elétrico indutivo, alimentado por uma tensão alternada cuja frequência é de
Hz, apresenta o diagrama fasorial ilustrado na figura acima. Considerando que o ângulo θ = 30º, valor da indutância, em mH, é
Provas
Questão presente nas seguintes provas

Na Norma Regulamentadora no 10 do Ministério do Trabalho e Emprego (NR-10), é apresentado um diagrama com a delimitação de três zonas de segurança para intervenções em instalações elétricas, conforme mostrado na figura acima. A esse respeito, considere as afirmativas abaixo.
I - As distâncias definidas pelas zonas de segurança são aplicadas a qualquer tipo de instalação elétrica, energizadas ou desenergizadas.
II - A intervenção em instalações em AT, dentro dos limites estabelecidos na Zona I, somente pode ser realizada mediante o bloqueio dos dispositivos de religamento automático do circuito.
III - A Zona II é classificada como Zona controlada, sendo o seu acesso restrito a trabalhadores autorizados.
Está correto o que se afirma em
Provas
Questão presente nas seguintes provas

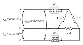
Na figura acima, utilizam-se dois wattímetros, W1eW2' para medir a potência ativa consumida pela carga resistiva trifásica. Os instrumentos são ideais, e o wattímetro faz uma leitura igual a 16.940 W. Qual é a medida, em watt, feita no wattímetro W2?
Provas
Questão presente nas seguintes provas

Um motor de indução bobinado de seis polos aciona uma carga cujo torque resistente é função da velocidade de rotação. A curva característica da carga é mostrada na figura acima. O motor é ligado à rede elétrica trifásica 220 V / 60 Hz e, em condições nominais de operação, o seu torque é de 114 N.m. De acordo com as informações dadas e considerando o sistema sem perdas, quando o motor opera em condições nominais, o escorregamento percentual é
Provas
Questão presente nas seguintes provas

No circuito da figura acima, a carga indutiva consome uma potência de 800 W. A tensão r.m.s da fonte é igual a 100 V, e a corrente r.m.s fornecida é de 10 A. Sabendo-se que a frequência do sistema é de 50 Hz, qual é o valor do capacitor, em farad, a ser instalado em paralelo com a carga, para que o fator de potência do sistema “carga + capacitor" seja igual a 1?
Provas
Questão presente nas seguintes provas

Com base nos dados do circuito da figura acima, a expressão do valor absoluto da corrente elétrica, calculada em ampères, que passa pelo resistor entre os pontos x e y é
Provas
Questão presente nas seguintes provas
Cadernos
Caderno Container