Foram encontradas 50 questões.
PARA FICAR PASMADO COM A LIXARADA
Acesso ao mirante, em Botafogo, ficou tomado por sacos, papéis, roupas velhas e até galinhas famintas
O acesso a um dos pontos turísticos mais tradicionais do Rio, o Mirante do Pasmado, em Botafogo, ficou tomado pela imundície, na semana passada. Uma equipe do Globo–Zona Sul flagrou uma montanha de lixo espalhado pelo local na quarta-feira, dia 31 de julho. Plásticos, tábuas de madeiras, roupas velhas, vidros, duas malas de viagem, artigos de macumba e outros detritos dividiam a paisagem com algumas galinhas, que buscavam alimento na sujeira.
Por volta das 15 h, moradores de rua ainda rondavam o gramado. A Comlurb só enviou uma equipe para limpar a área no início da noite.
Motorista de uma família que mora próximo ao mirante, Walter Silva, de 48 anos, garante que a população de rua age livremente, danificando o espaço público e cometendo pequenos furtos
– Isso aqui está sempre cheio de mendigo. Eles vivem roubando tampas de bueiro e fiação dos postes da rua para revender.
Uma mulher e dois homens – um deles visivelmente bêbado – admitiram viver na área com suas famílias e acusaram o gari que trabalha na área de ter espalhado a sujeira.
A Comlurb informou que o lixo estava ensacado, à espera da passagem do caminhão. A empresa não soube explicar como os detritos foram parar no gramado.
A administradora regional da área, Vitória Cervantes, acredita que os moradores de rua tenham rasgado os sacos e espalhado a sujeira, como resposta a uma operação feita pela subprefeitura, horas antes.
– A subprefeitura e a Comlurb desocuparam o gramado que vinha sendo habitado por população de rua. Algumas moradias precárias, como pequenas cabanas, foram destruídas, e os pertences abandonados por mendigos, recolhidos. Porém, foi impossível remover tudo no mesmo dia. Isso facilitou a retaliação dos moradores de rua.
A administradora afirmou ainda que, durante a operação, os mendigos ameaçaram os garis e outros funcionários da prefeitura.
Indagada sobre o tempo em que a via ficou ocupada ilegalmente, Vitória Cervantes disse apenas que eles estavam lá havia “poucos dias”. Ela também não soube precisar quantas pessoas estavam morando no local. MASCARENHAS, Gabriel. O Globo, 10 ago. 2007.
Ao descrever a situação ocorrida no Mirante do Pasmado, o texto revela um grave problema social, não só da cidade do Rio de Janeiro, mas do Brasil. Esse problema associa-se, no texto,Acesso ao mirante, em Botafogo, ficou tomado por sacos, papéis, roupas velhas e até galinhas famintas
O acesso a um dos pontos turísticos mais tradicionais do Rio, o Mirante do Pasmado, em Botafogo, ficou tomado pela imundície, na semana passada. Uma equipe do Globo–Zona Sul flagrou uma montanha de lixo espalhado pelo local na quarta-feira, dia 31 de julho. Plásticos, tábuas de madeiras, roupas velhas, vidros, duas malas de viagem, artigos de macumba e outros detritos dividiam a paisagem com algumas galinhas, que buscavam alimento na sujeira.
Por volta das 15 h, moradores de rua ainda rondavam o gramado. A Comlurb só enviou uma equipe para limpar a área no início da noite.
Motorista de uma família que mora próximo ao mirante, Walter Silva, de 48 anos, garante que a população de rua age livremente, danificando o espaço público e cometendo pequenos furtos
– Isso aqui está sempre cheio de mendigo. Eles vivem roubando tampas de bueiro e fiação dos postes da rua para revender.
Uma mulher e dois homens – um deles visivelmente bêbado – admitiram viver na área com suas famílias e acusaram o gari que trabalha na área de ter espalhado a sujeira.
A Comlurb informou que o lixo estava ensacado, à espera da passagem do caminhão. A empresa não soube explicar como os detritos foram parar no gramado.
A administradora regional da área, Vitória Cervantes, acredita que os moradores de rua tenham rasgado os sacos e espalhado a sujeira, como resposta a uma operação feita pela subprefeitura, horas antes.
– A subprefeitura e a Comlurb desocuparam o gramado que vinha sendo habitado por população de rua. Algumas moradias precárias, como pequenas cabanas, foram destruídas, e os pertences abandonados por mendigos, recolhidos. Porém, foi impossível remover tudo no mesmo dia. Isso facilitou a retaliação dos moradores de rua.
A administradora afirmou ainda que, durante a operação, os mendigos ameaçaram os garis e outros funcionários da prefeitura.
Indagada sobre o tempo em que a via ficou ocupada ilegalmente, Vitória Cervantes disse apenas que eles estavam lá havia “poucos dias”. Ela também não soube precisar quantas pessoas estavam morando no local. MASCARENHAS, Gabriel. O Globo, 10 ago. 2007.
Provas
Questão presente nas seguintes provas
PARA FICAR PASMADO COM A LIXARADA
Acesso ao mirante, em Botafogo, ficou tomado por sacos, papéis, roupas velhas e até galinhas famintas
O acesso a um dos pontos turísticos mais tradicionais do Rio, o Mirante do Pasmado, em Botafogo, ficou tomado pela imundície, na semana passada. Uma equipe do Globo–Zona Sul flagrou uma montanha de lixo espalhado pelo local na quarta-feira, dia 31 de julho. Plásticos, tábuas de madeiras, roupas velhas, vidros, duas malas de viagem, artigos de macumba e outros detritos dividiam a paisagem com algumas galinhas, que buscavam alimento na sujeira.
Por volta das 15 h, moradores de rua ainda rondavam o gramado. A Comlurb só enviou uma equipe para limpar a área no início da noite.
Motorista de uma família que mora próximo ao mirante, Walter Silva, de 48 anos, garante que a população de rua age livremente, danificando o espaço público e cometendo pequenos furtos
– Isso aqui está sempre cheio de mendigo. Eles vivem roubando tampas de bueiro e fiação dos postes da rua para revender.
Uma mulher e dois homens – um deles visivelmente bêbado – admitiram viver na área com suas famílias e acusaram o gari que trabalha na área de ter espalhado a sujeira.
A Comlurb informou que o lixo estava ensacado, à espera da passagem do caminhão. A empresa não soube explicar como os detritos foram parar no gramado.
A administradora regional da área, Vitória Cervantes, acredita que os moradores de rua tenham rasgado os sacos e espalhado a sujeira, como resposta a uma operação feita pela subprefeitura, horas antes.
– A subprefeitura e a Comlurb desocuparam o gramado que vinha sendo habitado por população de rua. Algumas moradias precárias, como pequenas cabanas, foram destruídas, e os pertences abandonados por mendigos, recolhidos. Porém, foi impossível remover tudo no mesmo dia. Isso facilitou a retaliação dos moradores de rua.
A administradora afirmou ainda que, durante a operação, os mendigos ameaçaram os garis e outros funcionários da prefeitura.
Indagada sobre o tempo em que a via ficou ocupada ilegalmente, Vitória Cervantes disse apenas que eles estavam lá havia “poucos dias”. Ela também não soube precisar quantas pessoas estavam morando no local. MASCARENHAS, Gabriel. O Globo, 10 ago. 2007.
A atitude do redator do texto, em praticamente todo o corpo da matéria, caracteriza-se comoAcesso ao mirante, em Botafogo, ficou tomado por sacos, papéis, roupas velhas e até galinhas famintas
O acesso a um dos pontos turísticos mais tradicionais do Rio, o Mirante do Pasmado, em Botafogo, ficou tomado pela imundície, na semana passada. Uma equipe do Globo–Zona Sul flagrou uma montanha de lixo espalhado pelo local na quarta-feira, dia 31 de julho. Plásticos, tábuas de madeiras, roupas velhas, vidros, duas malas de viagem, artigos de macumba e outros detritos dividiam a paisagem com algumas galinhas, que buscavam alimento na sujeira.
Por volta das 15 h, moradores de rua ainda rondavam o gramado. A Comlurb só enviou uma equipe para limpar a área no início da noite.
Motorista de uma família que mora próximo ao mirante, Walter Silva, de 48 anos, garante que a população de rua age livremente, danificando o espaço público e cometendo pequenos furtos
– Isso aqui está sempre cheio de mendigo. Eles vivem roubando tampas de bueiro e fiação dos postes da rua para revender.
Uma mulher e dois homens – um deles visivelmente bêbado – admitiram viver na área com suas famílias e acusaram o gari que trabalha na área de ter espalhado a sujeira.
A Comlurb informou que o lixo estava ensacado, à espera da passagem do caminhão. A empresa não soube explicar como os detritos foram parar no gramado.
A administradora regional da área, Vitória Cervantes, acredita que os moradores de rua tenham rasgado os sacos e espalhado a sujeira, como resposta a uma operação feita pela subprefeitura, horas antes.
– A subprefeitura e a Comlurb desocuparam o gramado que vinha sendo habitado por população de rua. Algumas moradias precárias, como pequenas cabanas, foram destruídas, e os pertences abandonados por mendigos, recolhidos. Porém, foi impossível remover tudo no mesmo dia. Isso facilitou a retaliação dos moradores de rua.
A administradora afirmou ainda que, durante a operação, os mendigos ameaçaram os garis e outros funcionários da prefeitura.
Indagada sobre o tempo em que a via ficou ocupada ilegalmente, Vitória Cervantes disse apenas que eles estavam lá havia “poucos dias”. Ela também não soube precisar quantas pessoas estavam morando no local. MASCARENHAS, Gabriel. O Globo, 10 ago. 2007.
Provas
Questão presente nas seguintes provas
PARA FICAR PASMADO COM A LIXARADA
Acesso ao mirante, em Botafogo, ficou tomado por sacos, papéis, roupas velhas e até galinhas famintas
O acesso a um dos pontos turísticos mais tradicionais do Rio, o Mirante do Pasmado, em Botafogo, ficou tomado pela imundície, na semana passada. Uma equipe do Globo–Zona Sul flagrou uma montanha de lixo espalhado pelo local na quarta-feira, dia 31 de julho. Plásticos, tábuas de madeiras, roupas velhas, vidros, duas malas de viagem, artigos de macumba e outros detritos dividiam a paisagem com algumas galinhas, que buscavam alimento na sujeira.
Por volta das 15 h, moradores de rua ainda rondavam o gramado. A Comlurb só enviou uma equipe para limpar a área no início da noite.
Motorista de uma família que mora próximo ao mirante, Walter Silva, de 48 anos, garante que a população de rua age livremente, danificando o espaço público e cometendo pequenos furtos
– Isso aqui está sempre cheio de mendigo. Eles vivem roubando tampas de bueiro e fiação dos postes da rua para revender.
Uma mulher e dois homens – um deles visivelmente bêbado – admitiram viver na área com suas famílias e acusaram o gari que trabalha na área de ter espalhado a sujeira.
A Comlurb informou que o lixo estava ensacado, à espera da passagem do caminhão. A empresa não soube explicar como os detritos foram parar no gramado.
A administradora regional da área, Vitória Cervantes, acredita que os moradores de rua tenham rasgado os sacos e espalhado a sujeira, como resposta a uma operação feita pela subprefeitura, horas antes.
– A subprefeitura e a Comlurb desocuparam o gramado que vinha sendo habitado por população de rua. Algumas moradias precárias, como pequenas cabanas, foram destruídas, e os pertences abandonados por mendigos, recolhidos. Porém, foi impossível remover tudo no mesmo dia. Isso facilitou a retaliação dos moradores de rua.
A administradora afirmou ainda que, durante a operação, os mendigos ameaçaram os garis e outros funcionários da prefeitura.
Indagada sobre o tempo em que a via ficou ocupada ilegalmente, Vitória Cervantes disse apenas que eles estavam lá havia “poucos dias”. Ela também não soube precisar quantas pessoas estavam morando no local. MASCARENHAS, Gabriel. O Globo, 10 ago. 2007.
“Eles vivem roubando tampas de bueiro e fiação dos postes da rua para revender." (L. 18-19)Acesso ao mirante, em Botafogo, ficou tomado por sacos, papéis, roupas velhas e até galinhas famintas
O acesso a um dos pontos turísticos mais tradicionais do Rio, o Mirante do Pasmado, em Botafogo, ficou tomado pela imundície, na semana passada. Uma equipe do Globo–Zona Sul flagrou uma montanha de lixo espalhado pelo local na quarta-feira, dia 31 de julho. Plásticos, tábuas de madeiras, roupas velhas, vidros, duas malas de viagem, artigos de macumba e outros detritos dividiam a paisagem com algumas galinhas, que buscavam alimento na sujeira.
Por volta das 15 h, moradores de rua ainda rondavam o gramado. A Comlurb só enviou uma equipe para limpar a área no início da noite.
Motorista de uma família que mora próximo ao mirante, Walter Silva, de 48 anos, garante que a população de rua age livremente, danificando o espaço público e cometendo pequenos furtos
– Isso aqui está sempre cheio de mendigo. Eles vivem roubando tampas de bueiro e fiação dos postes da rua para revender.
Uma mulher e dois homens – um deles visivelmente bêbado – admitiram viver na área com suas famílias e acusaram o gari que trabalha na área de ter espalhado a sujeira.
A Comlurb informou que o lixo estava ensacado, à espera da passagem do caminhão. A empresa não soube explicar como os detritos foram parar no gramado.
A administradora regional da área, Vitória Cervantes, acredita que os moradores de rua tenham rasgado os sacos e espalhado a sujeira, como resposta a uma operação feita pela subprefeitura, horas antes.
– A subprefeitura e a Comlurb desocuparam o gramado que vinha sendo habitado por população de rua. Algumas moradias precárias, como pequenas cabanas, foram destruídas, e os pertences abandonados por mendigos, recolhidos. Porém, foi impossível remover tudo no mesmo dia. Isso facilitou a retaliação dos moradores de rua.
A administradora afirmou ainda que, durante a operação, os mendigos ameaçaram os garis e outros funcionários da prefeitura.
Indagada sobre o tempo em que a via ficou ocupada ilegalmente, Vitória Cervantes disse apenas que eles estavam lá havia “poucos dias”. Ela também não soube precisar quantas pessoas estavam morando no local. MASCARENHAS, Gabriel. O Globo, 10 ago. 2007.
Apesar de não apresentar conectivo, a oração destacada se liga à primeira com determinada relação de sentido. Essa relação de sentido é caracterizada por uma ideia de
Provas
Questão presente nas seguintes provas
O BÊBADO E A EQUILIBRISTA
Caía a tarde feito um viaduto, e um bêbado trajando luto Me lembrou Carlitos A lua, tal qual a dona de um bordel, Pedia a cada estrela fria um brilho de aluguel
E nuvens, lá no mata-borrão do céu,
Chupavam manchas torturadas, que sufoco
Louco ... o bêbado com chapéu-coco
Fazia irreverências mil pra noite do Brasil
Meu Brasil ... que sonha com a volta do irmão do Henfil
Com tanta gente que partiu, num rabo de foguete Chora ... a nossa pátria mãe gentil
Choram Marias e Clarisses, no solo do Brasil
Mas sei... que uma dor assim pungente
Não há de ser inutilmente
A esperança dança Na corda bamba de sombrinha
Em cada passo dessa linha Pode se machucar Azar... a esperança equilibrista Sabe que o show de todo artista tem que continuar http://www.joaobosco.com.br/novo/pop_letras.asp?id... Acesso em: 15 fev. 2011.
O eu poético marca-se, no Texto II, por uma ideia deCaía a tarde feito um viaduto, e um bêbado trajando luto Me lembrou Carlitos A lua, tal qual a dona de um bordel, Pedia a cada estrela fria um brilho de aluguel
E nuvens, lá no mata-borrão do céu,
Chupavam manchas torturadas, que sufoco
Louco ... o bêbado com chapéu-coco
Fazia irreverências mil pra noite do Brasil
Meu Brasil ... que sonha com a volta do irmão do Henfil
Com tanta gente que partiu, num rabo de foguete Chora ... a nossa pátria mãe gentil
Choram Marias e Clarisses, no solo do Brasil
Mas sei... que uma dor assim pungente
Não há de ser inutilmente
A esperança dança Na corda bamba de sombrinha
Em cada passo dessa linha Pode se machucar Azar... a esperança equilibrista Sabe que o show de todo artista tem que continuar http://www.joaobosco.com.br/novo/pop_letras.asp?id... Acesso em: 15 fev. 2011.
Provas
Questão presente nas seguintes provas
O BÊBADO E A EQUILIBRISTA
Caía a tarde feito um viaduto, e um bêbado trajando luto Me lembrou Carlitos A lua, tal qual a dona de um bordel, Pedia a cada estrela fria um brilho de aluguel
E nuvens, lá no mata-borrão do céu,
Chupavam manchas torturadas, que sufoco
Louco ... o bêbado com chapéu-coco
Fazia irreverências mil pra noite do Brasil
Meu Brasil ... que sonha com a volta do irmão do Henfil
Com tanta gente que partiu, num rabo de foguete Chora ... a nossa pátria mãe gentil
Choram Marias e Clarisses, no solo do Brasil
Mas sei... que uma dor assim pungente
Não há de ser inutilmente
A esperança dança Na corda bamba de sombrinha
Em cada passo dessa linha Pode se machucar Azar... a esperança equilibrista Sabe que o show de todo artista tem que continuar http://www.joaobosco.com.br/novo/pop_letras.asp?id... Acesso em: 15 fev. 2011.
O título da música se refere, diretamente, aos termosCaía a tarde feito um viaduto, e um bêbado trajando luto Me lembrou Carlitos A lua, tal qual a dona de um bordel, Pedia a cada estrela fria um brilho de aluguel
E nuvens, lá no mata-borrão do céu,
Chupavam manchas torturadas, que sufoco
Louco ... o bêbado com chapéu-coco
Fazia irreverências mil pra noite do Brasil
Meu Brasil ... que sonha com a volta do irmão do Henfil
Com tanta gente que partiu, num rabo de foguete Chora ... a nossa pátria mãe gentil
Choram Marias e Clarisses, no solo do Brasil
Mas sei... que uma dor assim pungente
Não há de ser inutilmente
A esperança dança Na corda bamba de sombrinha
Em cada passo dessa linha Pode se machucar Azar... a esperança equilibrista Sabe que o show de todo artista tem que continuar http://www.joaobosco.com.br/novo/pop_letras.asp?id... Acesso em: 15 fev. 2011.
Provas
Questão presente nas seguintes provas
141210
Ano: 2011
Disciplina: Segurança e Saúde no Trabalho (SST)
Banca: CESGRANRIO
Orgão: PQS
Disciplina: Segurança e Saúde no Trabalho (SST)
Banca: CESGRANRIO
Orgão: PQS
Provas:
Na NR-10, que trata da segurança em instalações e serviços em eletricidade, são estabelecidas as condições mínimas e os requisitos para a implementação de medidas de controle e de sistemas preventivos. O objetivo é garantir a segurança e a saúde dos profissionais que interagem com as instalações elétricas. Segundo a NR-10,
Provas
Questão presente nas seguintes provas

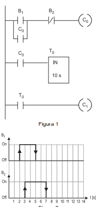
A Figura 1 apresenta o diagrama LADDER de um CLP que possui um temporizador, com atraso no desligamento, ajustado para um tempo de 10 s, e com a saída C1 inicialmente desabilitada. A Figura 2 apresenta os diagramas de tempo dos comandos B1 e B2 Nessas condições, após a habilitação da saídaC1 esta só será desabilitada no instante de tempo t, cujo valor, em segundos, é
Provas
Questão presente nas seguintes provas
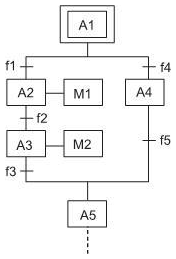
A figura abaixo mostra um diagrama GRAFCET, que representa uma parte da sequência de comando de um sistema automatizado.

Com base nas regras e na técnica de construção do GRAFCET, tem-se que a etapa A5 é ativada somente se forem também ativadas as etapas

Com base nas regras e na técnica de construção do GRAFCET, tem-se que a etapa A5 é ativada somente se forem também ativadas as etapas
Provas
Questão presente nas seguintes provas

A figura acima mostra a sala de estar, parte da planta baixa de uma residência. De acordo com a NBR-5410/2004, o número mínimo de pontos de tomadas que a sala deve ter é
Provas
Questão presente nas seguintes provas

A figura acima mostra um circuito digital combinacional, constituído de duas portas NAND e uma porta OR.
A expressão simplificada da saída W é
Provas
Questão presente nas seguintes provas
Cadernos
Caderno Container