Foram encontradas 240 questões.
O principal mecanismo do metabolismo da cocaína envolve a hidrólise dos dois grupos éster. O principal metabólito urinário é a:
Provas
Questão presente nas seguintes provas
Um datagrama IP de 1500 bytes passa, sucessivamente, por duas redes com MTU de 700 e 500 bytes, respectivamente.
O número de fragmentos gerados é igual a:
Provas
Questão presente nas seguintes provas
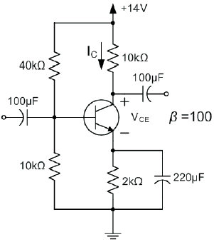
A figura abaixo mostra um circuito eletrônico com transistor NPN (silício) polarizado por divisor de tensão na base.
Com base nos dados, a tensão VCE e a corrente IC de polarização são, respectivamente:

Provas
Questão presente nas seguintes provas
Os diâmetros menor e maior de uma prensa hidráulica são designados, respectivamente, por D1 e D2, sendo D1 igual a 25% de D2.
Supondo o óleo hidráulico da prensa incompressível, ao aplicar-se uma força F1 no êmbolo de diâmetro D1, surge no êmbolo de diâmetro D2 uma força F2.
A razão entre F2 e F1 é igual a:
Provas
Questão presente nas seguintes provas
Das características físicas mencionadas abaixo, qual pode ser correlacionada à astenosfera terrestre?
Provas
Questão presente nas seguintes provas
A cromatografia em camada delgada (CCD) é uma ferramenta importante para o perito por permitir análises qualitativas rápidas, efetivas e de baixo custo. Sobre esta técnica é correto afirmar que:
Provas
Questão presente nas seguintes provas
Analise as afirmativas a seguir e assinale a opção correta.
I. A escrituração é uma técnica contábil utilizada para o registro dos fatos contábeis e tem como finalidade o controle do patrimônio e de suas variações.
II. No método de escrituração das Partidas Mistas são mantidas contas individuais para o registro dos direitos e obrigações, além de contas para o controle dos bens, não existindo, neste método, contas de situação líquida e de resultado.
III. O livro diário é classificado como obrigatório, principal e sistemático.
Provas
Questão presente nas seguintes provas
As jazidas de depósitos supergênicos têm sua gênese associada a:
Provas
Questão presente nas seguintes provas
Num povoado florestal, os diâmetros à altura do peito (DAP) das espécies estudadas, apresentam distribuição normal com média 20cm e desvio padrão 3,0cm.
Qual a porcentagem de árvores com diâmetro superior a 23cm? Dados (z=0,34).
Provas
Questão presente nas seguintes provas
Seja a seguinte declaração, escrita na linguagem Java:
public final class CL
{
}
Nesta declaração, o uso do modificador final significa que:
Provas
Questão presente nas seguintes provas
Cadernos
Caderno Container