Foram encontradas 405 questões.
Sobre uma rede de computadores, é correto afirmar:
Provas
Analise o circuito de interface de potência a seguir:

O dispositivo de proteção contra o pico de tensão que surge durante a desenergização do relé é um
Provas
Sobre um sistema de controle de potência que opera com SCR, considere:
I. Tem quatro terminais, sendo: catodo, anodo, gate 1 e gate 2.
II. É usado em sistemas de corrente alternada e, em função da polarização do terminal gate, ele pode conduzir corrente de anodo para catodo ou de catodo para anodo.
III. É usado em sistemas de corrente alternada e, em função do instante do disparo pelo terminal gate, ele opera como um retificador controlado.
Está correto o que se afirma APENAS em
Provas
A Lei Complementar nº 101/2000 estabelece normas de finanças públicas voltadas para a responsabilidade na gestão fiscal. De acordo com a referida lei, é ente da Federação
Provas
O Decreto nº 7.983/2013 estabelece regras e critérios para elaboração do orçamento de referência de obras e serviços de engenharia, contratados e executados com recursos dos orçamentos da União. De acordo com o referido Decreto, o valor percentual que incide sobre o custo global de referência para realização da obra ou serviço de engenharia refere-se ao
Provas
A Lei nº 14.133/2021, estabelece normas gerais de licitação e contratação para as Administrações Públicas diretas, autárquicas e fundacionais da União, dos Estados, do Distrito Federal e dos Municípios. Em relação ao que se aplica a referida lei, considere:
I. Alienação e concessão de direito real de uso de bens.
II. Locação.
III. Contratos que tenham por objeto operação de crédito, interno ou externo, e gestão de dívida pública, incluídas as contratações de agente financeiro e a concessão de garantia relacionadas a esses contratos.
IV. Contratações sujeitas a normas previstas em legislação própria.
De acordo com a Lei nº 14.133/2021, subordina-se ao regime desta lei o que consta APENAS de
Provas
Sabe-se que as normas regulamentadores (NR’s) foram criadas para amparar os trabalhadores no seu dia a dia, garantindo sua saúde e segurança. Sendo assim, a norma regulamentadora que tem como um dos objetivos estabelecer os requisitos e condições mínimas objetivando a implementação de medidas de controle e sistemas preventivos, de forma a garantir a segurança e a saúde dos trabalhadores que, direta ou indiretamente, interajam em instalações elétricas e serviços com eletricidade, é a
Provas
Os dispositivos criados para proteção das instalações elétricas, contra sobretensões transitórias que podem atingir tanto as linhas de sinal como as linhas de energia e que são selecionados por meio de critérios mínimos conforme a IEC 61643-1, são:
Provas
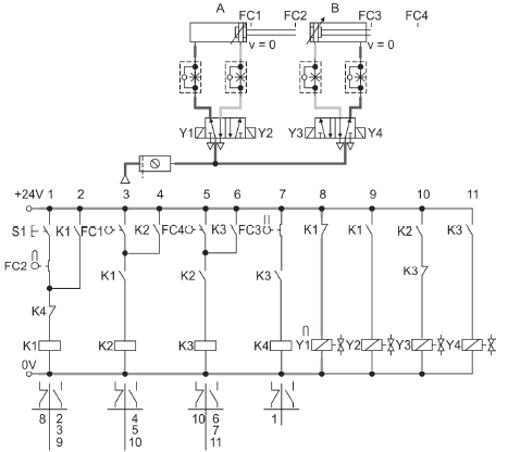
As chaves fim de curso são interruptores de posição utilizados em comandos eletropneumáticos para indicar a posição atual de um atuador e comutar a sequência através de contatos elétricos “abertos” e/ou “fechados”. O circuito eletropneumático apresentado na figura abaixo representa o estado inicial após a energização e pressurização do sistema. A sequência de acionamentos A-B+B-A+ será executada após o pulso do botão S1.

Sendo os elementos FC1, FC2, FC3 e FC4 chaves fim de curso, as características dos contatos de cada fim de curso que devem fazer parte da lista de materiais são:
Provas
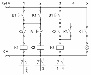
As ferramentas de simulação são muito utilizadas na engenharia para permitir ao utilizador analisar previamente os problemas e minimizar erros de execução. Porém, é necessário que o engenheiro ou eletricista realize a interpretação correta da simulação, considerando as características reais dos componentes envolvidos no comando elétrico. Essa análise também é importante para o auxílio no desenvolvimento de programas para Controladores Lógicos Programáveis, em que o programador precisa conhecer as características de processamento do respectivo controlador para que a lógica seja processada da maneira correta. O circuito abaixo foi desenvolvido em um simulador com o intuito de realizar comandos de liga e desliga utilizando apenas um botão − B1 − comutando a carga − lâmpada − entre acesa e apagada para cada pulso do botão. Porém, apesar de os testes de simulação apresentarem o resultado esperado, a montagem prática do comando não atingiu o objetivo esperado.

Após analisar o problema é correto afirmar que o comando não funcionou conforme o esperado, pois:
Provas
Caderno Container