Foram encontradas 2.689 questões.
Uma planta industrial utiliza um sistema de supervisão e controle para representar o processo existente na fábrica através de uma interface homem-máquina (IHM).
Sobre a funcionalidade do supervisório, é INCORRETO que
Provas
Questão presente nas seguintes provas
Para que haja a comunicação entre um sistema de supervisão e os dispositivos de campo, meios físicos de transmissão de dados e protocolos de comunicação são utilizados.
Em uma rede ponto a ponto que utiliza o protocolo HART, o(a)
Provas
Questão presente nas seguintes provas

Para efetuar a concentração de melaço de cana, para fins de fermentação alcoólica, efetua-se um processo de eliminação de água por evaporação, como ilustrado na figura. O processo é alimentado com 20.000 kg/h de uma solução com 15% de açúcares e, no primeiro estágio, utilizam-se 2.000 kg/h de vapor, sendo a razão entre os vapores recuperados de 2:2:1.
Se a solução na saída contém 40% de açúcares, então o total de vapor recuperado e o volume de solução final, ambos em kg/h, são, respectivamente,
Provas
Questão presente nas seguintes provas

A programação Ladder ilustrada na figura acima tem a ação detalhada em
Provas
Questão presente nas seguintes provas
A reação de formação de xilenos fornece matéria-prima para a indústria e é uma das mais utilizadas dentro de refinaria. Um pesquisador, buscando melhorar o processo de produção de xileno, comparou diversos catalisadores para verificar se há probabilidade de melhorar a reação.
Os dados obtidos foram:
| Catalisador | Conversão (%) | o-Xileno (%) | m-Xileno (%) | p-Xileno (%) |
| Atual | 65 | 30 | 25 | 45 |
| X | 25 | 15 | 10 | 75 |
| Y | 70 | 50 | 15 | 35 |
| W | 50 | 40 | 10 | 50 |
| Z | 65 | 40 | 20 | 40 |
Analisando-se os dados obtidos, qual é o melhor catalisador para a formação de p-xileno em maior quantidade?
Provas
Questão presente nas seguintes provas
A orientação das tomadas e o posicionamento das placas de orifício merecem atenção especial na ocasião da sua instalação.
Na presença de
Provas
Questão presente nas seguintes provas
Está disponível no mercado uma grande variedade de termopares. Na escolha de um termopar, deve-se ponderar qual o mais adequado para o objetivo desejado.
Associe o tipo de termopar ao material que o constitui.
Tipo de Termopar
I - B
II - E
III - J
II - E
III - J
Material
P - Pt-Rh30/Pt-Rh6(-)
Q - Ni-Cr10/Cu-Ni42(-)
R - Fe/Cu-Ni42(-)
S - Pt-Rh13/Pt(-)
P - Pt-Rh30/Pt-Rh6(-)
Q - Ni-Cr10/Cu-Ni42(-)
R - Fe/Cu-Ni42(-)
S - Pt-Rh13/Pt(-)
Estão corretas as associações
Provas
Questão presente nas seguintes provas

Ao analisar a programação em Ladder ilustrada na figura, é possível dizer que a temporização de T0 é iniciada quando X0 é atuado, e a saída Y1 é acionada em
Provas
Questão presente nas seguintes provas

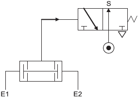
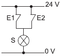
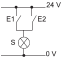
O esquema pneumático representado na figura é equivalente ao circuito
Provas
Questão presente nas seguintes provas
C6H6 + HNO3 → C6H5NO2 +H2O
Na nitração mostrada na reação acima, são adicionados 5 moles de benzeno e 6 moles de ácido nítrico. Após 1 hora de reação, obtém-se uma conversão de 60%.
O número de moles de reagente limitante que resta na reação e a massa, em gramas, formada de produto são, respectivamente,
Dados:
Massa Atômica do Carbono = 12
Massa Atômica do Oxigênio = 16
Massa Atômica do Nitrogênio = 14
Massa Atômica do Hidrogênio = 1
Massa Atômica do Carbono = 12
Massa Atômica do Oxigênio = 16
Massa Atômica do Nitrogênio = 14
Massa Atômica do Hidrogênio = 1
Provas
Questão presente nas seguintes provas
Cadernos
Caderno Container