Foram encontradas 2.689 questões.
316818
Ano: 2012
Disciplina: Engenharia Ambiental e Sanitária
Banca: CESGRANRIO
Orgão: Petrobrás
Disciplina: Engenharia Ambiental e Sanitária
Banca: CESGRANRIO
Orgão: Petrobrás
Provas:
O ciclo hidrológico é um sistema de troca contínua de água na hidrosfera, entre a atmosfera, a água do solo, as águas superficiais, as subterrâneas e as das plantas e animais. Tal ciclo compreende, entre outros, a evapotranspiração, a precipitação, a interceptação e os escoamentos.
Sabendo que o calor latente de vaporização da água é de 2.200 J/g e que 1 grama de TNT libera 4,2 kJ de energia, a quantidade de energia liberada em uma precipitação de 10 mm sobre uma área de 15 km por 70 km é equivalente a quantas toneladas de TNT?
Dado: 1g = 1
Provas
Questão presente nas seguintes provas
Em um Plano de Emergência Individual (PEI), deve estar contemplado, além de outros aspectos, o dimensionamento da capacidade mínima de resposta, em função dos cenários acidentais previstos e das estratégias estabelecidas. Considerem-se os seguintes dados de um corpo hídrico para o dimensionamento da quantidade de barreiras de contenção necessária, em caso de derramamento e espalhamento de óleo: a largura do corpo hídrico é de 40 metros; a velocidade máxima da corrente do corpo hídrico é de 6,5 nós.
De acordo com a Resolução Conama nº 398, de 11 de junho de 2008, para a estratégia de proteção desse corpo hídrico, a quantidade mínima necessária, em metros de barreiras de contenção, é de
Provas
Questão presente nas seguintes provas
Uma máquina térmica opera realizando os ciclos reversíveis indicados no diagrama pressão versus volume a seguir.

Se a cada ciclo, a máquina recebe uma quantidade de calor igual a 2,1 x 102J, qual o rendimento da máquina térmica?
Provas
Questão presente nas seguintes provas
Seja o fluxo, de velocidade característica V, de um fluido de viscosidade η e densidade ρ por um tubo cilíndrico horizontal de seção reta uniforme de diâmetro D.
A respeito desse fluido tem-se que
Dado: número de Reynolds Re = DVρ / η
Provas
Questão presente nas seguintes provas
O sulfato de sódio é um sal muito solúvel em água. Em solução aquosa ele se dissocia por completo em seus íons.
Na dissolução completa de 14,2 g de Na2SO4 em água formando 1,0 L de solução, a concentração de Na+, em mol/L, é
Dados: M(Na2SO4) = 142 mol/L
Provas
Questão presente nas seguintes provas

O Diagrama de Pourbaix do sistema Cobre-H2O está apresentado na figura acima. Esse diagrama é muito empregado para estabelecer as condições de corrosão do cobre quando imerso em um meio aquoso, em função do potencial elétrico do cobre relativo ao eletrodo de hidrogênio, Eh, e do pH da solução.
A partir da leitura do diagrama, verifica-se que o cobre metálico
Provas
Questão presente nas seguintes provas
Nas dispersões, tem-se um disperso distribuído numa fase dispersante. Esse tipo de sistema não é uma solução, muito embora, macroscopicamente, muitas das dispersões pareçam sistemas homogêneos.
Dentre os sistemas abaixo, o único que NÃO é uma dispersão é
Provas
Questão presente nas seguintes provas
A energia Ex do sinal x(t) = 4[u(t+1) − u(t)] + 4e−tu(t), onde u(t) é degrau unitário, é
Provas
Questão presente nas seguintes provas

O diagrama funcional sequencial que representa as ações ilustradas na figura acima é
Provas
Questão presente nas seguintes provas

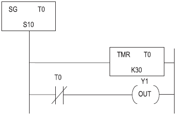
A programação ladder ilustrada na figura acima tem a ação detalhada em
Provas
Questão presente nas seguintes provas
Cadernos
Caderno Container