Foram encontradas 1.925 questões.

O diagrama acima ilustra um sistema de comunicação onde dois sinais, cujas formas de onda são esboçadas na própria figura, são transmitidos por um cabo coaxial.
Esse sistema de comunicação emprega multiplexação
Provas
Questão presente nas seguintes provas
Sobre os principais sistemas de comunicações, afirma-se que
Provas
Questão presente nas seguintes provas
Redes de computadores padrão IEEE-802.3 utilizam um protocolo baseado em colisão, no qual as estações competem pelo meio. O processo é descrito a seguir.
1) Uma estação que deseja transmitir, verifica primeiramente se o meio está livre.
2) Em caso positivo, ela insere um frame e continua monitorando o meio, de modo a verificar se uma outra estação também está transmitindo.
3) Ocorrendo uma colisão, a estação para de imediato a transmissão e dispara um relógio temporizador, que fornece um tempo aleatório para nova tentativa de transmissão.
Esse protocolo é conhecido por
Provas
Questão presente nas seguintes provas
Se uma rede de computadores com acesso à internet está operando com a configuração CIDR 207.146.181.96/27 e esquema de máscara de tamanho fixo, conclui-se que a faixa de endereços atribuída a essa rede e à máscara que ela está utilizando são, respectivamente,
Provas
Questão presente nas seguintes provas
Redes de computadores com acesso à internet funcionam com base nos protocolos da arquitetura TCP/IP. Serviços e protocolos da camada de aplicação se comunicam com o TCP na camada de transporte por meio de portas conhecidas padronizadas.
Assim, as portas 53 e 443 são utilizadas na comunicação com o TCP, respectivamente, pelos seguintes serviço e protocolo, da camada de aplicação:
Provas
Questão presente nas seguintes provas
LANs Fast Ethernet operam numa taxa de transmissão específica, cujo valor nominal, por especificação, é
Provas
Questão presente nas seguintes provas
A capacidade de um capacitor para armazenar carga é medida em Farad (F). Como, porém, se trata de uma unidade muito grande, é comum o uso de seus submúltiplos.
Tem-se, então, o microFarad (!$ μF !$) que equivale a
Provas
Questão presente nas seguintes provas
No manual de manutenção de um determinado equipamento, solicita-se verificar periodicamente o dimensional de uma peça, cujo valor, em mm, é determinado como 20±0,03.
Qual, dentre os valores abaixo, NÃO representa um valor aceitável determinado pelo manual?
Provas
Questão presente nas seguintes provas

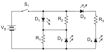
O circuito da figura acima é composto por resistores e leds. Inicialmente, todos os leds estão apagados, e a chave S1 está aberta.
Após o fechamento da chave, quais os leds que permanecerão APAGADOS?
Provas
Questão presente nas seguintes provas

A figura acima representa um multiplexador digital com 16 bits de entrada (E15...E0) e quatro bits de seleção (S3...S0). A palavra binária A6F3, expressa em formato hexadecimal, é aplicada à entrada desse multiplexador.
Dessa forma, os níveis lógicos verificados na saída X quando são aplicadas as entradas S = 7, S = C e S = A, em hexadecimal, são, respectivamente,
Provas
Questão presente nas seguintes provas
Cadernos
Caderno Container