Foram encontradas 1.925 questões.

Na figura acima, uma fonte de tensão alternada é conectada a uma ponte a diodo que alimenta uma carga puramente resistiva. A forma de onda da tensão da Fonte CA (Ventrada) também é mostrada na figura, e os diodos são considerados ideais.
Qual a forma de onda da tensão de saída?
Provas
Questão presente nas seguintes provas

Uma resistência é alimentada por uma fonte de tensão, através de um transformador ideal, conforme indicado na figura acima.
O valor rms, em ampère, da corrente !$ I_R\ !$ que passa pelo resistor é
Provas
Questão presente nas seguintes provas
!$ X=\overline{A}\overline{B}\overline{C}+\overline{A}B\overline{C}+\overline{A}\overline{B}C+\overline{A}BC !$
A expressão simplificada da variável lógica X acima é
Provas
Questão presente nas seguintes provas
!$ 7 \, F\left\vert _{16}+10110011 \right\vert_2 !$
O resultado, na base decimal, da soma dos dois números expressos nas bases hexadecimal e binária acima é
Provas
Questão presente nas seguintes provas

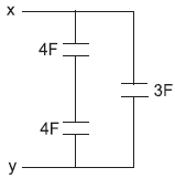
Considere o circuito com os capacitores montados na configuração mostrada na figura acima. A capacidade equivalente, em F, medida entre os pontos x e y é
Provas
Questão presente nas seguintes provas

O circuito da figura acima representa uma porta lógica digital, onde os resistores estão dimensionados de modo que os transistores operem apenas como chaves, isto é, no modo de corte ou no modo de saturação.
Considerando que a tensão próxima de !$ V_{CC} !$ representa um nível lógico verdadeiro e que uma tensão próxima de zero representa um nível lógico falso, qual é a função booleana realizada pelo circuito da figura?
Provas
Questão presente nas seguintes provas
Um sistema de proteção contra descargas atmosféricas não anula o risco da ocorrência desse evento, mas reduz, de forma significativa, os danos causados.
Em relação aos métodos de projetos desses sistemas de proteção, os principais métodos são:
Provas
Questão presente nas seguintes provas
Para assegurar a dispersão da corrente de descarga atmosférica na terra sem causar sobretensões perigosas, recomenda-se, para o caso de eletrodos não naturais, uma resistência máxima de aterramento, em ohms, de
Provas
Questão presente nas seguintes provas

A figura ao lado ilustra o esquema de um sistema de controle da temperatura da água em um tanque. A água é aquecida através de uma resistência elétrica alimentada por uma fonte de tensão controlada linearmente pelo erro entre a temperatura de referência e a medida por um sensor.
Tal sistema de controle é do tipo
Provas
Questão presente nas seguintes provas
Em relação à NBR 5410/2004, considere as afirmativas abaixo.
I - A NBR 5410/2004 recomenda o uso de multiplicadores de tomadas, os benjamins, em locais onde seja prevista a alimentação de mais de um equipamento
II - As emendas de condutores elétricos não podem ficar abrigadas no interior de condutos fechados, como, por exemplo, no interior de eletrodutos.
III - Os quadros de distribuição devem ser instalados em locais de difícil acesso, para evitar eventuais acidentes envolvendo pessoas não qualificadas.
Está correto APENAS o que se afirma em
Provas
Questão presente nas seguintes provas
Cadernos
Caderno Container