Magna Concursos

Foram encontradas 80 questões.

Considere hipoteticamente que Marcos está dirigindo a caminho do trabalho quando leva uma fechada de Laércio no trânsito. Apesar de ser um condutor habilidoso, Marcos não consegue evitar a colisão, e o carro que dirige é levemente danificado. Laércio assume a culpa e se prontifica a ressarcir o dano. Contudo, indignado e furioso com a situação, Marcos desce do carro e desfere múltiplas facadas em Laércio, que não resiste aos ferimentos e vem a óbito. Em sentença transitada em julgado, Marcos é condenado por homicídio qualificado por motivo fútil, que é considerado um crime de natureza hedionda. Os crimes hediondos estão previstos na Lei nº 8.072/1990. Com base nesse dispositivo legal e na situação apresentada, assinale a alternativa correta.
Questão Anulada

Provas

Questão presente nas seguintes provas
Considere hipoteticamente que determinado cidadão japonês rouba um cidadão indiano a bordo de certa aeronave privada pertencente a uma companhia aérea brasileira, a qual se encontra em território inglês (no aeroporto). Nesse caso, ao cidadão japonês
Questão Anulada

Provas

Questão presente nas seguintes provas
1148439 Ano: 2016
Disciplina: Engenharia Química
Banca: IADES
Orgão: PC-DF

enunciado 1148439-1

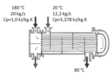
Essa figura indica esquematicamente um trocador de calor com as respectivas condições de operação. Tal trocador possui uma área de transferência de calor de 100 m2 e uma diferença média logarítmica de temperatura entre os fluidos (LMTD) de 54,1 K. As trocas de calor com o ambiente podem ser ignoradas, assumindo-se que toda a troca de calor ocorre apenas entre os fluidos.

Com base no exposto, assinale a alternativa correta.

Questão Anulada

Provas

Questão presente nas seguintes provas
1148410 Ano: 2016
Disciplina: Engenharia Elétrica
Banca: IADES
Orgão: PC-DF
Contatores são dispositivos eletromecânicos que podem comandar circuitos a distância e
Questão Anulada

Provas

Questão presente nas seguintes provas
1148409 Ano: 2016
Disciplina: Engenharia Elétrica
Banca: IADES
Orgão: PC-DF
Considere hipoteticamente que determinado circuito alimentado por tensão de 12 Vcc necessita do funcionamento de um LED para a indicação do respectivo estado: LIGADO/DESLIGADO. A queda de tensão, no LED, é de 2 V. Nesse caso, é correto afirmar que o resistor adequado tem seu valor e potência calculados, respectivamente, em
Questão Anulada

Provas

Questão presente nas seguintes provas
1148400 Ano: 2016
Disciplina: Engenharia Civil
Banca: IADES
Orgão: PC-DF
As fissuras podem ser consideradas como a manifestação patológica característica das estruturas de concreto. Depois de classificadas as fissuras e de posse do mapeamento, pode-se dar início ao processo de determinação das respectivas causas, de forma a poderem-se estabelecer as metodologias e proceder aos trabalhos de recuperação ou reforço, como a situação o exigir. A esse respeito, assinale a alternativa correta.
Questão Anulada

Provas

Questão presente nas seguintes provas
1148399 Ano: 2016
Disciplina: Engenharia Civil
Banca: IADES
Orgão: PC-DF
Em 1994, a Associação Brasileira de Normas Técnicas (ABNT) publicou a Norma Brasileira (NBR) nº 13.133, que fixa as condições e os procedimentos para a execução de levantamentos topográficos. Considerando que os levantamentos possuem características e necessidades específicas, assinale a alternativa correta.
Questão Anulada

Provas

Questão presente nas seguintes provas
1148388 Ano: 2016
Disciplina: Direito Ambiental
Banca: IADES
Orgão: PC-DF

A matriz a seguir apresenta a avaliação de impactos ambientais para a implantação do Sistema de Produção de Água para o Distrito Federal com Captação no Lago Paranoá.


enunciado 1148388-1

NCA, 2013, com adaptações.

A respeito da matriz apresentada e da avaliação de impactos ambientais, assinale a alternativa correta.

Questão Anulada

Provas

Questão presente nas seguintes provas
Considerando o disposto no Capítulo II, do Poder Executivo, da Constituição Federal, assinale a alternativa correta.
Questão Anulada

Provas

Questão presente nas seguintes provas
Determinação de valores atípicos
A regra adotada para identificação dos valores atípicos, em uma distribuição, baseia-se na amplitude interquartil AIQ, definida como a distância entre o primeiro e o terceiro quartis: AIQ = Q3 – Q1. Quaisquer valores abaixo de Q1 ou acima de Q3, por mais de 1,5×AIQ, serão considerados valores atípicos. Assim, serão valores atípicos os valores x, tais que x < Q1 – 1,5×AIQ ou x > Q3 + 1,5×AIQ.
Disponível em: <http://www.uff.br/cdme/conheceboxplot/conheceboxplothtml/boxplot.pdf>. Acesso em: 21 maio 2016, com adaptações.
Idade dos estudantes da turma A

Idade

(x)

Frequência

(f)

18

2

19

4

20

7

21

12

23

24

27

26

30

10

32

8

40

4

45

3

total

100

Fonte: Fictícia.

Com base nas informações apresentadas, assinale a alternativa que indica um valor atípico para a referida distribuição.
Questão Anulada

Provas

Questão presente nas seguintes provas