Foram encontradas 1.011 questões.
Sobre os objetivos e campos de atuação da Psicologia Hospitalar é correto afirmar:
Provas
Curativo é o tratamento utilizado para promover a cicatrização da ferida, a escolha do mesmo depende do tipo de ferida. Sobre os curativos assinale verdadeiro (V) ou falso (F) nas alternativas abaixo:
( ) O curativo deve fornecer isolamento térmico à ferida;
( ) Remover o excesso de exsudação com o objetivo de evitar a maceração da pele adjacente;
( ) Deve ser permeável as bactérias;
( ) Não deve permitir a troca gasosa;
( ) Em feridas abertas é recomendado o uso de curativos secos.
De acordo com as alternativas acima, marque o item com a sequência correta:
Provas
Homem de 40 anos, cujo screening toxicológico de urina teve resultados positivos para cocaína, opiáceos e benzodiazepínicos, apresentou convulsão 48 horas depois de ser preso e encarcerado. Há relato de que 12 horas antes da convulsão estava ansioso, com náuseas, diaforético e com tiques musculares. A alternativa correta para o quadro acima:
Provas
Cada uma das soluções que compõem o SOUL MV, possui seus próprios serviços. É um serviço da solução de Diagnóstico e Terapia:
Provas
Pode ser considerada uma característica do processo de enfermagem:
Provas
O adicional noturno é um dos direitos dos trabalhadores assegurado pela CLT. Considere V (para verdadeiro) e F (para falso).
( ) Existem 3 tipos de adicional noturno: urbano, rural na lavoura e rural na pecuária;
( ) A remuneração do trabalho noturno é superior ao do diurno;
( ) A hora normal tem a duração de 60 (sessenta) minutos e a hora noturna, por disposição legal, nas atividades urbanas, é computada como sendo de 48 (quarenta e oito) minutos e 30 (trinta) segundos;
( ) Na atividade urbana, considera-se como noturna as atividades realizadas entre 22hs e 05hs do dia seguinte.
A sequência correta de cima para baixo, é:
Provas
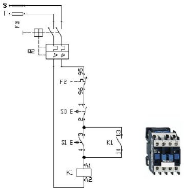
No esquema elétrico mostrado na figura mostra um exemplo de partida direta, que funciona usando um contator elétrico, demonstrado ao lado do esquema.

No diagrama apresentado, o componente que representa a bobina desse contator é:
Provas
Disciplina: Administração de Recursos Materiais
Banca: PROMUN
Orgão: OSHCP HCP
No que diz respeito ao ato de embalar, proteger e empacotar os documentos da forma mais adequada possível, tal conceito é denominado:
Provas
Disciplina: Administração de Recursos Materiais
Banca: PROMUN
Orgão: OSHCP HCP
Uma empresa ao realizar uma aquisição de uma unidade de um material que possuem uma importância média, segundo a classificação conforme a importância operacional, esta unidade adquirida pode ser conceituada como um material:
Provas
Sobre triagem auditiva neonatal assinale a alternativa correta:
Provas
Caderno Container