Foram encontradas 365 questões.
Uma prática comum para se avaliar a resistência do aço carbono por um ensaio não destrutivo é através da resistência à penetração segundo o método Brinell. Neste método, emprega-se uma esfera de aço com diâmetro médio de 10 mm submetida a uma carga padrão de 3.000 kgf (29.420 N) e, mede-se o diâmetro da impressão acarretada.
Considerando que a leitura encontrada pelo método Brinell seja de uma dureza igual a 255 HB, a resistência à tração é, em MPa, aproximadamente,
Provas
Considere o vínculo e o referencial xOy abaixo representados.

No ponto O atuam as forças \( F=20\sqrt{2}N \) e \( H=10N \) . A projeção da resultante destas forças nos eixos x e y, segundo a orientação estabelecida para os eixos x e y, respectivamente, é
Provas
Considere a estrutura e o referencial xOy abaixo representados.

As reações verticais (V) e horizontais (H) em C e D, conforme orientações dos eixos x e y, são respectivamente,
Provas
Considere as duas válvulas (1) e (2), esquematizadas a seguir.

Segundo a norma DIN 24300, empregada em sistemas eletropneumáticos, é correto afirmar:
Provas
A figura abaixo ilustra um atuador comumente empregado em controle e automação industrial por sistema eletropneumático.

Referente a esse tipo de dispositivo, é correto afirmar:
Provas
Quanto à implantação da automação eletropneumática industrial, é correto afirmar:
Provas
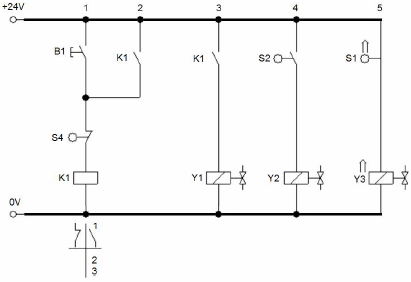
Considere o diagrama de comando eletropneumático a seguir:

Em condições normais de operação, segundo as simbologias e nomenclaturas contidas no diagrama
Provas
Considere o seguinte procedimento durante uma manutenção elétrica: após a chave geral de uma caixa de força ser desligada, a mesma foi trancada usando-se um cadeado.
Em relação à segurança em instalações elétricas desenergizadas, tal procedimento, se refere a
Provas
Considere o desenho esquemático abaixo.

Analisando o desenho, o circuito de número
Provas
A figura abaixo mostra o trecho de um programa Ladder.

Nas linhas de programação, é possível identificar um total de
Provas
Caderno Container