Foram encontradas 365 questões.
Leia o texto abaixo.

This component uses four diodes to perform full-wave rectification of an input AC voltage. Two diodes conduct during each half cycle, giving a full-wave rectified output voltage.
The top and bottom terminals can be used as the input terminals for AC voltage. The left and right terminals can be used as the output DC terminals.
Sobre o componente citado no texto, é correto afirmar que
Provas
Atenção: Para responder à questão, considere o circuito a baixo onde a potência elétrica em RL é 160 W.

A impedância total do circuito, em Ω, é
Provas
Atenção: Para responder à questão, considere o circuito a baixo onde a potência elétrica em RL é 160 W.

Ao reduzir a fonte de alimentação do circuito de 100 para 50 volts a potência em W, em RL, será
Provas
Considere as seguintes afirmativas sobre capacitores e indutores.
I. A principal característica do capacitor operando em corrente alternada é que para qualquer frequência apresenta reatância capacitiva nula.
II. O capacitor se comporta como um circuito aberto em corrente contínua, após o transitório.
III. A unidade de medida da indutância de um indutor é o Joule (J).
IV. A reatância indutiva de um indutor é medida em Ohm (Ω).
Está correto o que se afirma APENAS em
Provas
Considere associação abaixo, onde R1 = 7Ω, R2 = 6Ω, R3 = 3Ω e R4 = 4Ω.

O valor da resistência equivalente da associação, verificada entre os pontos A e B, em Ω, é
Provas
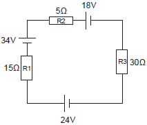
Considere o circuito abaixo.

Está correto o que consta em
Provas
Considere o circuito abaixo onde a corrente total é 2 A.

O valor de R1, em Ω, é
Provas
No transformador, há um tipo de perda que ocorre no núcleo por causa da indução de correntes parasitas geradas pelo fluxo magnético do enrolamento primário. A perda é minimizada por meio da substituição do núcleo maciço por um laminado com isolação entre as lâminas.
Trata-se da perda por
Provas
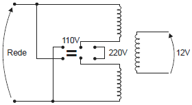
No transformador abaixo, a chave H-H está ligada ao enrolamento primário para permitir a comutação da tensão de entrada:

Com a chave na posição indicada, primário ligado em rede de 110 V e considerando uma resistência de 100 Ω ligada ao secundário, a corrente em cada enrolamento primário vale, aproximadamente,
Provas
Um osciloscópio analógico tem uma tela com 10 divisões horizontais e verticais. O seletor de ganho vertical permite as seguintes calibrações: 5 V/DIV, 2 V/DIV, 1 V/DIV, 0,5 V/DIV, 0,2 V/DIV, 0,1 V/DIV, 50 mV/DIV, 20 mV/DIV, 10 mV/DIV, 5 mV/DIV.
Para analisar a forma de onda da tensão de pico a pico do secundário de um transformador de 127 V × 48 V – 5 A, com a melhor precisão possível, deve-se posicionar o seletor em
Provas
Caderno Container