Foram encontradas 100 questões.
Analise o Diagrama Tensão x Deformação do Aço ABNT 1020 abaixo:

Com base no diagrama acima , assinale a opção que representa os pontos (C), (E), (F), (A), (D) e (B), respectivamente.
Provas
Analise a figura abaixo.

Assinale a opção que define a força cortante e o momento fletor atuante, respectivamente, no intervalo compreendido entre os pontos C e D.
Provas
Analise as afirmativas abaixo a respeito dos tratamentos termoquímicos.
I- A nitretação é um tratamento de endurecimento superficial em que se introduz nitrogênio superficialmente no aço, até uma certa profundidade, sob ação de um ambiente nitrogenoso, a uma temperatura determinada.
II- A cementação é um tratamento muito antigo, que consiste na introdução de carbono na superfície do aço, de modo que, depois de convenientemente temperado, o aço apresente uma superfície muito mais dura.
IlI- A cianela;:ão, ianbém coohe::kla como nitrocarbonetação, consiste em submeter o aço a uma temperatura elevada.
Assinale a opção correta.
Provas
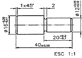
Com relação à tolerância dimensional, analise o desenho técnico do pino com rebaixo na figura abaixo.

Após interpretar as cotas, assinale a opção INCORRETA.
Provas
Analise a figura abaixo.

Pode-se observar na figura acima que o sistema constituído pelo eixo e o furo possui um ajuste com interferência. Assinale a opção que apresenta corretamente os valores da interferência máxima, interferência mínima e das tolerâncias do furo e do eixo, respectivamente.
Provas
Quatro lâmpadas de 60W, com a mesma resistência cada, estão ligadas em paralelo através de um terminal residencial de 160V, produzindo uma corrente na linha de 2 A, conforme a figura abaixo.

Determine a resistência equivalente do circuito acima, a resistência R de cada lâmpada e a corrente que a lâmpada gasta e assinale a opção correta.
Provas
Observe a figura abaixo.

Deseja-se aquecer m=1/21 kg de água por meio de um resistor R1, por efeito Joule, através do circuito mostrado na figura acima. Considere que o calor específico da água é constante e igual a c=4200J/(kgºC), que a fonte de tensão contínua possui valor constante de 100V e que os resistores R e R1 possuem, respectivamente, valores de 10/30 e 50. Assuma que toda potência dissipada pelo resistor é utilizada para aquecer a água, a qual encontra-se inicialmente à Temperatura T0=10ºC. Com base nesses dados, assinale a opção que apresenta a temperatura final da água após decorridos !$ \triangle t = 10 s !$.
Provas
O instrumento cujo funcionamento é baseado no principio de ressonância mecânica é o frequencimetro:
Provas
Observe a figura abaixo.

O dispositivo representado na figura acima tem apenas dois terminais externos e, devido às suas quatro regiões dopadas, ele é chamado diodo pnpn, também conhecido como diodo:
Provas
Observe a figura abaixo.

Na figura acima, a superfície S é quadrada, medindo 1o cm por 10 cm, e a indução magnética B do material dessa superfície é igual a 1 T. Sendo assim, assinale a opção que apresenta o fluxo magnético <t> que a atravessa.
Provas
Caderno Container