Foram encontradas 100 questões.
Duas cargas trifásicas equilibradas estão sendo alimentadas pelo mesmo barramento. A primeira, ligada em triângulo, tem impedância por fase igual a 60 !$ \Omega !$. Já a segunda, ligada em estrela, tem impedância por fase igual a 20 !$ \Omega !$. Essas cargas estão sendo alimentadas por um barramento trifásico no qual a tensão eficaz de linha é 240 V. Assinale a opção que apresenta a corrente de linha desse sistema.
Provas
Observe o circuito abaixo.

A tensão do Circuito Equivalente de Thevenin, dada em volts e calculada entre os pontos X e Y do circuito acima, é:
Provas
A figura abaixo representa um gerador síncrono simples que é alimentado por uma tensão de 220 V à frequência de 25 Hz.

Com base na figura e nos dados apresentados, assinale a opção que apresenta a velocidade mecânica em rotações por minuto desse motor.
Provas
Uma determinada indústria apresenta a seguinte curva de carga:

Assinale a opção correspondente à energia consumida em 24 horas.
Provas
Observe o circuito abaixo.

Sendo V2 uma fonte de tensão controlada por tensão, cujo valor é 4V1 e onde v, é a diferença de potencial aplicada no resistor de 30, calcule o valor da corrente I para esse circuito e assinale a opção correta.
Provas
Considere o circuito combinacional composto pela seguinte expressão booleana:
Qual opção apresenta a expressão simplificada do circuito acima, utilizando o método de simplificação de Karnaugh?
Provas
Observe o circuito abaixo.

Quando esse circuito estiver no estado QbQa = 11 e X= O, os valores de J e K dos flip-flops A e B serão, respectivamente:
Provas
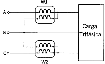
Aplicando o método dos dois wattrmetros (W1 e W2) em uma carga trifásica equilibrada em estrela conforme figura abaixo, mediram-se as seguintes potências:
W1 = 2267,95 W
W2 = 5732,05 W

De acordo com os dados, assinale a opção que apresenta o fator de potência desse sistema.
Provas
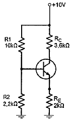
Observe o circuito abaixo.

O que acontece com a tensão coletor-emissor do circuito acima se triplicarmos a tensão do coletor?
Provas
Analise o circuito abaixo.

Com base nas informações do circuito acima, calcule o valor da corrente I e assinale a opção correta.
Provas
Caderno Container