Foram encontradas 996 questões.
Considere o circuito e a sua situação inicial apresentada na tabela abaixo.

No circuito e situação inicial acima, ES e CLR são mantidos constantes no nível lógico "1" e S em nível lógico "0". Sendo assim, determine a nova situação de saída, Q3 Q2 Q1 Q0, no caso do pulso de clock (CK) aplicado ao circuito possuir duas transições (bordas de descida) negativas, e assinale a opção correta.
Provas
Que valor de tensão existe em um diodo de silício polarizado, diretamente, quando analisado com a aproximação de um diodo ideal?
Provas
No diodo, a corrente reversa consiste na corrente de portadores minoritários e na corrente
Provas
Analise o circuito abaixo.

Com relação ao circuito acima, qual a corrente indicada no amperímetro A?
Provas
Um amplificador com realimentação parcial utiliza
Provas
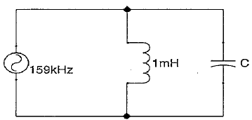
Observe o circuito abaixo.

Calcule o valor da reatância capacitiva Xc do capacitar C para que o circuito abaixo ressone em fr = 159kHz e assinale a opção correta.
Provas
Observe a figura abaixo.

Suponha que a tensão de alimentação na figura acima diminua de 30 para 0 V. Em algum valor em torno dessa faixa, o diodo Zener não manterá a regulagem. Calcule a tensão de alimentação na qual a regulagem será perdida e assinale a opção correta.
Provas
No circuito com diodos a tensão de saída de um retificador em ponte é um sinal
Provas
Um circuito que retira as partes positivas e negativas de uma forma de onda é chamado de
Provas
O circuito abaixo representa um conversor DigitalAnalógico.

Com relação ao circuito acima, determine o valor da tensão de saída Vs, se aplicarmos o código binário de 2 (dois) bits nas entradas A= 1 e B = 0 e assinale a opção correta.
Dados:
Bit 1 = VCC = 12 V
Bit 0 = 0 V
Provas
Caderno Container