Foram encontradas 996 questões.
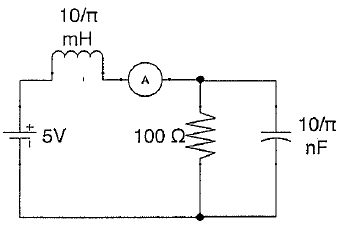
Analise o circuito RLC do diagrama abaixo.

Dado o circuito RLC do diagrama acima, determine a corrente medida pelo amperímetro A, considerando o circuito alimentado por uma bateria de 5V e assinale a opção correta.
Provas
Determine o equivalente em decimal do número 101110112, representado em complemento de 2, e assinale a opção correta.
Provas
A tabela abaixo representa as possibilidades de saída (S) obtidas de um projeto de circuito digital envolvendo 3 (três) variáveis A, B e C.

Determine a expressão simplificada de S e assinale a opção correta.
Provas
Observe o circuito abaixo.

O circuito da figura acima é equivalente a qual porta lógica? Assinale a opção correta.
Provas
Observe a figura abaixo.

Determine o nome do dispositivo representado pelo símbolo esquemático da figura acima e assinale a opção correta.
Provas
Analise a tabela verdade de um flip-flop RS básico representado na tabela abaixo.

Determine os valores de X, Y e Z, respectivamente, assinale a resposta correta.
Dados: Qa = Estado anterior da saída Q.
Qf = Estado que a saída deve assumir após aplicação das entradas.
Provas
Observe a figura abaixo.

Na figura acima, qual deverá ser o valor de R para se obter uma corrente do diodo de Silício de 5,9 mA?
Dado: Tensão de limiar do Silício (Vd): 0,7 V.
Provas
Analise as figuras abaixo.

Em função dos sinais aplicados no flip-flop JK da figura acima, determine os valores de Q nos tempos T1, T2, T3 e T4, respectivamente, e assinale a opção correta.
Provas
Como é usado largamente o LED (Diodo Emissor de Luz)?
Provas
Observe a figura abaixo.

Assinale a opção que corresponde à expressão característica da função lógica representada na figura acima.
Provas
Caderno Container