Foram encontradas 300 questões.
Para um amplificador classe B, alimentado por uma fonte de 15Vcc, que fornece um sinal de 12V de pico para um autofalante de 80, determine a eficiência do circuito, e assinale a opção correta:
Dado:\( \pi \approx 3 \)
Provas
Observe o circuito a seguir.

No transistor do circuito acima, considerando a tensão base-emissor de 0,7V e \( \beta \), encontre a corrente de coletor, e assinale a opção correta.
Provas
Analise o circuito a seguir.

No circuito acima, Rl=R3=2,2k\( \Omega \) e R2=R4=10k\( \Omega \). Determine o valor aproximado da tensão de saída Vo, sabendo que, em sua entrada Vi, foi ligada uma fonte de 1,5V, e assinale a opção correta.
Provas
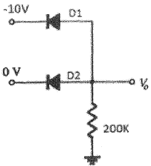
Observe o circuito a seguir.

Determine o V0 para o circuito "OU" de lógica negativa acima e assinale a opção correta. Considere a queda de tensão no diodo de 0,7V.
Provas
A transformação linear \( T : R^3 \rightarrow R^3, \) onde \( T(x,y,z) = (W_{t^3}W_{t^2}W_3), \) é definida pelas equações \( w_1 =x, w_2 = 0 \ e \ w_3 = z. \) Portanto, a operação realizada por \( T \) é de
Provas
Determine os autovalores da matriz \( A = \begin{bmatrix} -3 & 5 \\ -1 & 3 \end{bmatrix} \) e assinale a opção correta.
Provas
Calcule o determinante da matriz \( \begin{bmatrix} 1 & -2 & -3 \\ 2 & 0 & 1 \\ -1 & 2 & 5\end{bmatrix} \) e assinale a opção correta.
Provas
No sistema de equações lineares \( \begin{cases} 2x - y + z = 5 \\ -x + 3y - 2z = -5 \\ -x - 2y + 4z = 15 \end{cases} \) determine o valor de z e assinale a opção correta.
Provas
Segundo Powers e Howley (2014) são encontrados em grandes números na maioria dos músculos locomotores humanos e atua como detector de comprimento. Marque a alternativa correta.
Provas
Segundo McGinnis (2015), diversos termos são usados para descrever as funções musculares com relação às suas ações articulares ou com relação a outros músculos. Assim, os músculos, em face de suas ações, podem ser agonistas, antagonistas, estabilizadores, neutralizadores ou sinérgicos. O músculo serrátio anterior, durante a fase de descida de uma flexão ao solo, age de que forma para evitar a adução por meio de uma ação isométrica, já que a cintura escapular tende a aduzir, devido ao peso do tronco e à força de reação para cima que age sobre a articulação do ombro?
Provas
Caderno Container