Foram encontradas 50 questões.
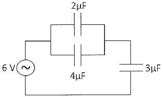
Observe a figura a seguir.

A associação de três capacitares estão conectados a uma bateria de 6 V, conforme a figura acima. Calcule a energia armazenada no capacitor cuja capacitânicia e de 2 \( \mu F \) e assinale a opção correta.
Provas
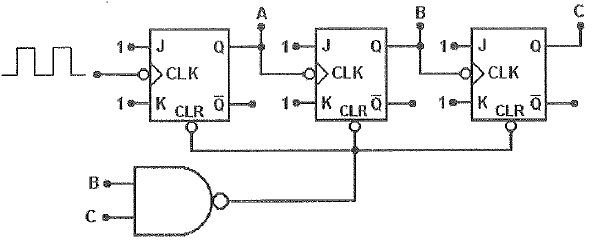
Admitindo-se que as entradas dos flip-flops J-K estejam em nível alto, e Q representa a saída, assinale a opção que apresenta o tipo de contador da figura.

Provas
Com relação à segurança da informação, assinale a opção INCORRETA.
Provas
Com relação à bateria, Niº + 2Ag+ \( \rightarrow \) Ni2 + + 2Ag0, assinale a opção INCORRETA.
Provas
Determine a concentração, em mol.L-1, de íons potássio [k+] em uma solução de 800ml, com 34,8g de sulfato de potássio (K2SO4). Assinale, a seguir, a opção correta.
Dados:
K = 39 g .mol-1
S = 32 g.mol -1
O = 16 g. mol -1
Provas
Sabe-se que o preço da ação PETR4 encotra-se cotado hoje a R$10,00 e que esse preço pode ficar constante, aumentar R$2,00 ou diminuir R$1, 00 ao final do dia, com probabilidades 0,5, 0,3 e 0,2, respectivamente. Assinale a opção que apresenta o valor esperado, para amanhã, do preço dessa ação.
Provas
Seja A uma variável aleatória com média aritmética à = 15 e desvio padrão S = 9. Considere as variáveis X = 3 .A + 5 e Y = 3 .A. Com relação à média e ao desvio padrão, assinale a opção INCORRETA.
Provas
Um aparelho utilizado na irradiação de alimentos emprega uma fonte que contém, inicialmente, 200 gramas de Cobalto-60. Admitindo que o tempo de meia-vida do Cobalto-60 seja de cinco anos, calcule a massa presente nesse isótopo, após quinze anos de utilização do aparelho.
Provas
Considere que a soma dos números de nêutrons de três átomos K, L e M é 111, e que a soma dos números de prótons é 93. Sabe-se ainda que L tem 35 nêutrons, L e M são isótopos, K e L são isóbaros, e K e M são isótonos. Sendo assim, o número atômico dos átomos K, L e M, são, respectivamente:
Provas
Analise a figura abaixo.

A figura acima representa um recipiente de forma hemisférica, que gira com velocidade angular constante \( \omega \) = 100 rad/s em torno de um eixo vertical que passa pelo seu centro de curvatura O. Uma pequena esfera gira no interior do hemisfério, em equilíbrio dinâmico, acompanhando o movimento do hemisfério, sempre no mesmo plano horizontal, de modo a manter constante o valor do ângulo \( \theta \). Admitindo que a força de atrito que atua sobre a esfera seja nula, sabendo que o raio do hemisfério vale 20 cm e supondo que a aceleração da gravidade tem um valor g = 10 m/s2 , qual é, em função de 8, o módulo da força que o recipiente exerce sobre a esfera e o valor do ângulo \( \theta \), respectivamente?
Provas
Caderno Container