Foram encontradas 950 questões.
Segundo Fleck e Kraemer (2006), o duplo-produto é o resultado de frequência cardíaca versus pressão arterial sistólica. É uma estimativa do trabalho do miocárdio, sendo proporcional ao seu consumo de oxigênio. Uma diminuição nessa variável, em um programa de treinamento de força, é normalmente associada a adaptações:
Provas
É a cultura ceramista pré-histórica brasileira caracterizada pela presença de uma cerâmica simples e de pequenas dimensões com parca decoração plástica e que, devido à prospecção de numerosos sítios desde 1960, é uma das mais conhecidas do Brasil. Segundo André Prous (in: Arqueologia Brasileira. Brasília: Editora da UnB. 1992), tal descrição refere-se à Tradição:
Provas
De acordo com Flegel (2008), o exercício e a dieta podem afetar a quantidade de insulina que o corpo necessita. Atletas diabéticos devem ser atentamente monitorados quanto aos sinais das doenças diabéticas. Assinale a opção que apresenta apenas sintomas de cetoacidose.
Provas
Um paraquedista de massa m cai em queda livre. O atrito do ar é do tipo -kv. Quanto tempo, após o início da queda, é decorrido até que o paraquedista atinja 99% da velocidade limite?
Provas
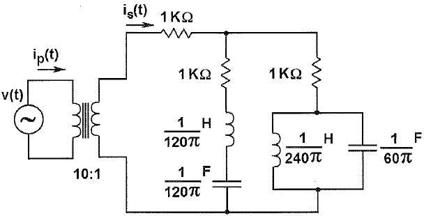
Analise o circuito elétrico a seguir.

A tensão alternada de entrada v(t) tem amplitude de 156V e frequência igual a 60Hz. O transformador é ideal, com relação de números de espiras (primário/secundário) de 10:1. A amplitude da corrente elétrica ip (t) no primário, em mA, é igual a:
Provas
Observe a figura a seguir.

A figura acima representa uma besta, arma utilizada para atirar dardos. Nos exércitos medievais, o soldado que a operava era chamado besteiro. Seu funcionamento consiste em tensionar um arco feito de material elástico e travá-lo na posição tensionada. Depois, introduz-se um dardo em uma fileira talhada no braço da arma e libera-se a trava por meio de um gatilho, projetando, assim, o dardo para a frente com grande velocidade.
Considere o arco como uma mola ideal, com constante elástica 200N/m, e que é necessário distendê-lo 50cm, a partir da posição de repouso, para armar a besta. O trabalho realizado pelo besteiro e a velocidade com que um dardo de 125g é disparado a partir do repouso são, respectivamente:
Provas
O que é emitido quando um núcleo de !$ _{92}U^{238} !$ se transforma em um núcleo de !$ _{91}Pa^{234} !$?
Provas
Como requisito fundamental para a proteção patentária, requer-se a novidade criativa, ainda que se trate de uma nova composição em conjunto para partes já conhecidas. O pedido encaminhado ao Instituto Nacional da Propriedade Industrial (INPI) conterá um conjunto de informações que subsidiarão seu exame, bem como para a confecção do documento ou carta de patente. Dos elementos abaixo, qual descreve a essência do pedido de patente e as pretensões de reconhecimento do invento, segundo Barbosa Filho (2009)?
Provas
Considere que os pesos dos militares da Marinha são distribuídos normalmente, em torno da média de 66,5kg, com desvio padrão de 4,8kg. Calcule a probabilidade de um militar ter um peso situado entre 63kg e 68kg, e assinale a opção correta.
Provas
Valeria Forti, ao citar Iamamoto, in Freire (2010), afirma que o assistente social é um trabalhador assalariado que, nos limites das instituições empregadoras, tem a possibilidade de materialização da sua relativa autonomia na execução do seu trabalho trabalho esse que se situa, predominantemente, no exercício de funções de controle social e difusão de ideologias oficiais às classes trabalhadoras. Afirma também, que esse sentido pode ser redirecionado para a efetivação de direitos sociais, para a construção de uma cultura do público, para o exercício democrático, diante do caráter contraditório das relações sociais na sociedade capitalista. Nesse sentido, evidencia-se o caráter político do trabalho desse profissional. Com base nessa proposição, é correto afirmar que:
Provas
Caderno Container