Foram encontradas 850 questões.
Observe a figura abaixo.

A figura acima representa uma arruela de
Provas
Observe o desenho abaixo.

O desenho acima representa uma arruela
Provas
Observe a figura abaixo.

A figura acima ilustra um parafuso
Provas
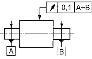
Observe o desenho a seguir.

De acordo com a Norma NBR 6409, o tipo de tolerância geométrica indicada no desenho acima é a de batimento
Provas
De acordo com a Norma NBR 10067, analise as afirmativas abaixo.
I - As seções podem ser rebatidas dentro ou fora da vista.
II - A seção desenhada fora da vista pode ser posicionada próxima à vista e ligada a ela por meio de linha estreita traço-ponto.
III- As seções podem ser sucessivas.
Assinale a opção correta.
Provas
Analise a figura a seguir.

De acordo com a norma NBR 10126, a figura acima representa uma cotagem
Provas
Analise a figura a seguir.

A figura acima representa a vista frontal de uma peça. Assinale a opção que corresponde ao corte longitudinal dessa peça.
Provas
Analise a figura a seguir.

Assinale obtida graduada a opção que apresenta o valor, em mm, da leitura na medição de uma peça, utilizando-se uma régua (escala), representada na figura acima.
Provas
Observe a figura a seguir.

A figura acima representa um parafuso
Provas
Analise as figuras a seguir.

Assinale a opção que apresenta o valor, em mm, das leituras representadas nas figuras acima, sendo essas leituras obtidas na medição de uma peça por meio de um micrômetro com precisão de 0,01 mm.
Provas
Caderno Container