Foram encontradas 850 questões.
Quais elementos geométricos NÃO definem um plano?
Provas
Considere os quatro triângulos a seguir com suas respectivas informações dimensionais:
Triângulo(l): possui apenas dois lados de igual comprimento;
Triângulo(2): possui apenas dois ângulos internos de igual medida;
Triângulo(3): possui dois ângulos internos de medidas 30 graus e 60 graus; e
Triângulo(4): Um de seus vértices mede 60 graus e, garantidamente, dois lados são de igual comprimento.
Sendo assim, pode-se afirmar que os triângulos (1), (2), (3) e (4) são, respectivamente:
Provas
Analise a figura a seguir.

Qual é o valor do passo da mola helicoidal apresentada na figura acima?
Provas
Analise a figura a seguir.

A figura acima representa um dos tipos de porca
Provas
Analise a figura a seguir.

Sabendo que o cubo da figura acima possui lados iguais a 90 cm, qual é o valor de x utilizado na construção desse cubo, segundo uma perspectiva cavaleira de 45 graus?
Provas
Analise a figura a seguir.

A figura acima representa a posição relativa das vistas de uma peça no 3º diedro. Fixando a vista frontal em I, é correto afirmar que correspondem às vistas superior e posterior, respectivamente, as vistas:
Provas
Analise a figura a seguir.

A representação da linha denominada traço ponto largo, conforme figura acima, tem sua aplicação geral na:
Provas
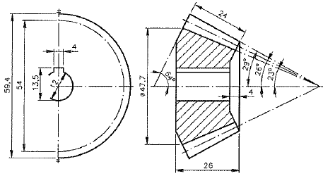
Observe a engrenagem cônica apresentada na figura a seguir.

Em relação à figura acima, pode-se afirmar que os valores correspondentes à largura do dente e ao ângulo primitivo são, respectivamente, iguais a:
Provas
Analise a figura a seguir.

A figura acima representa um dos tipos de rebite de cabeça
Provas
A Norma 8402 determina a execução do caráter para escrita no desenho técnico. No caso da microfilmagem e outros processos de reprodução é necessário que a distância entre caracteres corresponda a, no mínimo:
Provas
Caderno Container