Foram encontradas 850 questões.
Sabendo que uma barra de ferro mede 460 mm de comprimento na escala 1:5, qual é o comprimento que essa barra teria na escala 2:1?
Provas
Diz-se que um plano é projetante quando é perpendicular pelo menos a um dos planos de projeção. Nesse contexto, o único plano projetante que NÃO possui reta de máxima inclinação é o plano:
Provas
Assinale a opção que completa corretamente as lacunas da sentença abaixo.
A Norma NBR 10582 determina que todas as informações necessárias para o entendimento do conteúdo sejam colocadas no espaço para texto a ou na margem do padrão de desenho.
Provas
Analise as figuras a seguir.

De acordo com a norma NBR 10126, está INCORRETO o método de cotagem apresentado
Provas
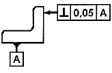
Analise a figura a seguir.

Em relação à interpretação correta da tolerância geométrica indicada na figura acima, conforme a Norma NBR 6409, pode-se afirmar que a superfície deve estar contida entre dois planos
Provas
Analise a figura a seguir.

A norma NBR 10126 tem como objetivo fixar os princípios gerais de cotagem a serem aplicados aos desenhos mecanicos. Segundo essa norma, a cota dos espaçamentos dos furos igualmente espaçados de 40 graus, apresentados na figura acima, é representada por:
Provas
Analise as figuras a seguir.

Assinale a opção que apresenta o valor, em mm, das leituras representadas nas figuras acima, sendo essas leituras obtidas na medição de uma peça por meio de um micrômetro com precisão de 0,01 mm.
Provas
Analise a figura a seguir.

De acordo com a norma NBR 10126, os elementos de cotagem I, II e III indicam, respectivamente:
Provas
Observe o desenho a seguir.

O desenho acima representa um parafuso
Provas
De acordo com a Norma NBR 6409, analise as afirmativas abaixo.
I - Na tolerância de cilindricidade, o campo é limitado por dois cilindros paralelos uma distância "t". de tolerância afastados de
II - Na tolerância de planeza, o campo é limitado por dois planos paralelos de tolerância afastados de uma distância "t".
III- Na tolerância de forma de uma superfície campo de tolerância é limitado por duas afastadas de uma distância "t".
Assinale a opção correta.
Provas
Caderno Container