Magna Concursos

Foram encontradas 840 questões.

279012 Ano: 2018
Disciplina: Engenharia Elétrica
Banca: AOCP
Orgão: ITEP-RN
De acordo com o princípio da superposição e equivalentes de Thévenin e de Norton, assinale a alternativa correta.
 

Provas

Questão presente nas seguintes provas
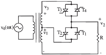
279011 Ano: 2018
Disciplina: Engenharia Eletrônica
Banca: AOCP
Orgão: ITEP-RN

Considerando o circuito de eletrônica de potência da Figura, é correto afirmar que esse circuito representa

Enunciado 3488891-1

Figura: Circuito de eletrônica de potência.

 

Provas

Questão presente nas seguintes provas
Em relação à Notificação Compulsória, assinale a alternativa correta.
 

Provas

Questão presente nas seguintes provas
A Notificação Compulsória é obrigatória nos casos de algumas doenças (de saúde pública constantes nas Portarias 204 e 205, de fevereiro de 2016, do Ministério da Saúde) e em alguns eventos de violência. Ela deve ser realizada, por exemplo, nos seguintes casos:
 

Provas

Questão presente nas seguintes provas
Os documentos odontolegais são: atestados, relatórios e pareceres. O documento mais comumente produzido pelo cirurgião-dentista é o atestado. Em relação ao Atestado Odontológico, assinale a alternativa correta.
 

Provas

Questão presente nas seguintes provas
279007 Ano: 2018
Disciplina: Engenharia Elétrica
Banca: AOCP
Orgão: ITEP-RN

Um capacitor de placas paralelas com dielétrico de poliestireno possui intensidade de campo elétrico de 10 kV/m, sendo que a distância entre as placas é de 1,5 mm.

Assinale a alternativa que apresenta o valor da densidade superficial de cargas livres nas placas do capacitor em questão.

Considerar !$ \varepsilon_r !$ = 2,55 para o poliestireno.

 

Provas

Questão presente nas seguintes provas
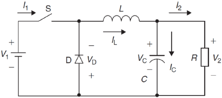
279006 Ano: 2018
Disciplina: Engenharia Eletrônica
Banca: AOCP
Orgão: ITEP-RN

Considerando o conversor CC-CC da Figura com as seguintes características: V1 = 40 V, L = 250 μH, rL = 0 Ω, C = 60 μF, R = 10 Ω, frequência de chaveamento f = 20 kHz e ciclo ativo de condução k = 0,4 (operando em modo estável), é correto afirmar que se trata de um conversor

Enunciado 3488882-1

Figura: Conversor CC-CC.

 

Provas

Questão presente nas seguintes provas
Em relação à autópsia, assinale a alternativa INCORRETA.
 

Provas

Questão presente nas seguintes provas
Para efeito de diagnóstico médico-legal, conforme o artigo 128 do Código Penal brasileiro, o aborto
 

Provas

Questão presente nas seguintes provas
O produto químico Aldicarbe é um carbamato, cuja formulação granulada já foi excluída do mercado brasileiro pela Anvisa, mas ele ainda é vendido ilegalmente em mercados populares com o nome de “chumbinho” e ainda é muito utilizado em envenenamentos de animais e por suicidas. Antes da proibição, o uso devido desse agente químico era como
 

Provas

Questão presente nas seguintes provas