Foram encontradas 840 questões.
Um Engenheiro, ao analisar um projeto de sistema de controle com realimentação, deparouse com o seguinte diagrama apresentado na Figura 5. Com base nas informações dessa figura, é correto afirmar que ela apresenta um sistema

Provas
Questão presente nas seguintes provas
Sob o ponto de vista de organização de computadores, todo computador deve possuir os
seguintes elementos essenciais ao seu funcionamento:
Provas
Questão presente nas seguintes provas
Em relação aos microcomputadores, seus principais componentes e sua organização,
assinale a alternativa correta.
Provas
Questão presente nas seguintes provas
Dado um conversor digital analógico de 12 bits com tamanho do degrau de 1,5 mV, assinale
a alternativa que apresenta o valor da tensão na saída de fundo de escala.
Provas
Questão presente nas seguintes provas
Considerando a Figura 4, assinale a alternativa correta em relação aos conversores CC-CC.

Provas
Questão presente nas seguintes provas
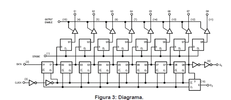
Ao analisar a Figura 3, um Engenheiro Eletricista constatou que essa figura mostra o diagrama de blocos de um

Provas
Questão presente nas seguintes provas
As diferentes famílias de circuitos lógicos apresentam soluções que se adequam de acordo
com a necessidade do projeto e das limitações de cada tecnologia. De acordo com as
definições de famílias de circuitos lógicos, assinale a alternat iva correta.
Provas
Questão presente nas seguintes provas
O diodo de junção é um dispositivo amplamente utilizado em circuitos analógicos e
dispositivos eletrônicos e apresenta características específicas que definem a relação entre
a corrente e a tensão. De acordo com as definições de diodos de junção, assinale a alternativa
correta, considerando “v” a tensão para a polarização da junção do diodo.
Provas
Questão presente nas seguintes provas
Determinada partícula carregada se desloca com velocidade uniforme de 16 ax m/s em uma
região onde E=320 ay V/m. Sabendo-se que B=B0az Wb/m², assinale a alternativa que apresenta
o valor correto de B
Provas
Questão presente nas seguintes provas
Dada a seguinte equação, no que se refere aos campos magnetostáticos, é correto afirmar que tal equação se trata da lei

Provas
Questão presente nas seguintes provas
Cadernos
Caderno Container