Foram encontradas 50 questões.

Provas

A respeito do texto, considere as seguintes afirmativas:
1. O impacto desencadeado pela cena do menino amarrado ao poste evidenciou uma forma de violência e a atitude de conivência demonstrada por uma parcela da sociedade.
2. O episódio do menino amarrado ao poste está diretamente relacionado a fatores de ordem econômica e racial.
3. A referência às “nossas desumanidades cotidianas” (linha 33) foca a culpabilidade da polícia do Rio de Janeiro.
4. O tratamento violento dispensado a jovens pobres no Brasil tem sido visto como algo normal.
Quais correspondem a ideias veiculadas pelo texto?
Provas

Sobre o texto, considere as afirmativas que seguem:
1. A hipótese levantada às linhas 6 e 7, “se assim fosse, seria mais um a entrar para a estatística da barbárie cometida diuturnamente, nos becos e vielas em todo o país”, ilustra os dados apresentados pela pesquisa do IPEA, citada às linhas 10 e 11.
2. A “sociedade conectada, virtual, que faz até seis refeições por dia” (linha 19), é a contraface dos moradores de favela de que fala o terceiro parágrafo.
3. A expressão “é a vida”, ou o equivalente “c’est la vie”, em francês (linhas 23-24), apontam para uma atitude de conformismo.
4. As palavras “vítima” (linha 20) e “mal a ser combatido” (linha 22) expressam pontos de vista semelhantes em relação ao menino amarrado no poste.
Assinale a alternativa correta.
Provas
Provas
Provas
A linguagem LADDER foi concebida como uma ferramenta gráfica para programação de Controladores Lógicos Programáveis (CLP):
De acordo com o diagrama em linguagem LADDER apresentado ao lado, considere as seguintes afirmativas:
1. A lâmpada será ligada quando as chaves A e B estiverem desligadas.
2. A lâmpada será ligada quando as chaves A e B estiverem ligadas.
3. A lâmpada será ligada quando a chave A estiver ligada e a chave B estiver desligada.
4. A lâmpada será desligada quando a chave A estiver desligada e a chave B estiver ligada.
Assinale a alternativa correta.

Provas
Considere o esquema de circuito lógico apresentado ao lado:
O circuito possui 4 entradas lógicas, nomeadas de A, B, C e D. As entradas podem assumir os valores 0 (falso) ou 1 (verdadeiro). Considere que a entrada forma um número binário, com a ordem ABCD, respectivamente do mais para o menos significativo, sendo A o bit mais significativo. Assinale a alternativa que apresenta em decimal quais sequências de entrada resultam em saída igual a 1.

Provas
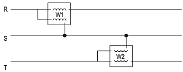
A potência ativa trifásica em um circuito a três fios pode ser medida utilizando-se dois wattímetros (método de Aron), conforme ilustra a figura ao lado.
O wattímetro W1 indica 50 W, e o wattímetro W2 indica 150 W. Para essa configuração, indique a alternativa que apresenta a potência reativa total do circuito.
Dado: √3 = 1,73.

Provas
A figura ao lado ilustra uma fonte de tensão senoidal monofásica, cuja frequência é 60 Hz, que alimenta uma carga RL. A tensão senoidal medida por um osciloscópio nos terminais de saída da fonte revela um valor de pico de 154 V. Na figura, está presente, também, um voltímetro, identificado pela letra V.
Assinale a alternativa que indica qual o valor eficaz de tensão na carga medido pelo voltímetro V.
Dado: √2 = 1,4.

Provas
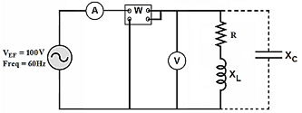
A figura ao lado apresenta uma carga RL série sendo alimentada por uma fonte CA de 100 V eficaz e 60 Hz. A carga RL é composta por um resistor de 40 Ω e uma reatância indutiva de 30 Ω.
Com base na figura e nas informações apresentadas, considere as afirmativas abaixo:
1. Somente o circuito RL série está sendo alimentado pela fonte; nesse caso, a corrente no amperímetro será de 2 A eficaz.
2. Somente o circuito RL série está sendo alimentado pela fonte; nesse caso, a potência no wattímetro será de 160 W.
3. Ao colocar em paralelo com a carga RL um capacitor com reatância capacitiva de 100 Ω, tem-se o aumento da corrente medida pelo amperímetro.
4. Ao colocar em paralelo com a carga RL um capacitor com reatância capacitiva de 100 Ω, tem-se a redução da potência medida pelo wattímetro.
Assinale a alternativa correta.

Provas
Caderno Container