Foram encontradas 730 questões.
Na figura abaixo é apresentado o diagrama ladder programado em um CLP, empregado no controle do acionamento de uma bomba de combustível, juntamente com a evolução no tempo dos sinais lógicos de controle X e Z. Quando M = 1, a bomba é acionada, e opera entregando combustível para um tanque a uma vazão constante de 200 litros por minuto.

No instante t = 0 tem-se Y = 0, M = 0 e o tanque de combustível está completamente vazio. Assim, o volume de combustível, em litros, armazenado no mesmo tanque no instante t = 10 min, será
Provas
O padrão de redes locais cujo endereçamento é feito através do endereço MAC de seis bytes e o controle de acesso ao meio no modo de transmissão half-duplex é realizado através do método CSMA/CD é o
Provas
Na figura abaixo é apresentado um diagrama de contatos programado em um CLP destinado a controlar a energização de um solenoide S. O solenoide é energizado no nível lógico 1. Também são apresentados os gráficos com a evolução no tempo das entradas X1 e X2.

Considerando-se que em t = 0 o solenoide S não se encontra energizado, conclui-se que o solenoide estará energizado nos instantes
Provas
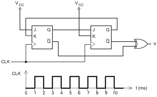
Na figura abaixo é apresentado um circuito digital sequencial, juntamente com um gráfico mostrando a evolução do sinal de clock ao longo do tempo.

Considerando que os atrasos de propagação das portas lógicas e dos flip-flops são desprezíveis e que todos os flip-flops estão com Q = 0 em t = 0 ms, o gráfico que ilustra a evolução no tempo do sinal medido na saída Y é apresentado em:
Provas
Com o objetivo de reduzir o espaço ocupado em uma placa de circuito impresso, um projetista decidiu substituir o circuito digital composto por diversas portas lógicas, apresentado na figura abaixo, por outro equivalente, empregando apenas um único circuito integrado.

Para isso, o projetista empregou apenas um multiplexador de três bits e foi capaz de obter a mesma função lógica através do circuito apresentado em
Provas
Em uma sala de aula, a média de notas em uma prova foi 3,0, com variância 1,0. Reconhecendo que foi muito rigoroso na correção, o professor decide multiplicar a nota de todos os alunos por 1,5 e depois passa um trabalho que adiciona mais 1,0 ponto na nota. Suponha que todos os alunos tenham feito o trabalho e ganhado esse ponto. Assim, a média e o desvio padrão, respectivamente, passam a ser
Provas

O Box-Plot mostrado acima representa a distribuição do número de falhas em determinado tipo de equipamento eletrônico, em que o(a)
Provas
Um determinado equipamento faz parte de um sistema de intertravamento de segurança (SIS), e a probabilidade de falha sob demanda desse equipamento é de 0,1%. De acordo com essas informações, o fator de redução de risco desse equipamento é
Provas
Com relação a válvulas de controle, um dos fatores a ser considerado na definição do tipo de válvula é sua rangeabilidade, definida como sendo a razão entre a máxima e a mínima vazão controlável. Considerando valores típicos de rangeabilidade de válvulas de controle do tipo diafragma, esfera e globo, a ordem crescente das rangeabilidades é
Provas
A transmissão de sinais analógicos de controle deve ser feita de forma a garantir a recepção fidedigna dos sinais, sem perdas ou alterações dos dados transmitidos. O aterramento e as proteções empregados em sistemas dessa natureza, quando inadequados, podem comprometer a operação efetiva de um equipamento ou o próprio funcionamento de um sistema. A NBR 5410:2004 diferencia o aterramento de proteção, utilizado para proteção contra choques elétricos, do aterramento funcional, destinado a garantir o bom funcionamento dos circuitos de sinal e a compatibilidade eletromagnética.
A esse respeito, considere as afirmativas abaixo.
I – É preferencial o uso do terra de proteção como terra funcional (terra de sinal) para reduzir a possibilidade de ruídos no sistema de transmissão de dados, devido à baixa impedância e alta imunidade a ruídos do sistema de aterramento funcional.
II – Uma vantagem de interligar o sistema de aterramento funcional em um único ponto com o aterramento de proteção, ao invés da utilização isolada do aterramento funcional, é que se elimina a falta de segurança pessoal originada da diferença de potencial que pode aparecer entre as duas malhas.
III – Os transformadores de isolamento podem ser utilizados como forma de isolamento para atenuação de surtos de modo comum, porém não funcionam na atenuação de surtos de modo normal.
É correto o que se afirma em
Provas
Caderno Container