Foram encontradas 730 questões.
Considere as informações a seguir para responder à questão.
Um reator químico de mistura completa opera continuamente, em estado estacionário, com uma vazão de trabalho (F) igual a 60.000 L/h. O reator tem geometria cilíndrica com altura (h) e área da seção reta (A) iguais a 6 m e 20 m2, respectivamente. A alimentação do reator é isenta de produto e, no meio reacional, a concentração de produto (P) é igual a 360 g/L.
Nas condições operacionais do sistema, a velocidade da reação, em termos de formação de produto, é
Provas
Considere as informações a seguir para responder à questão.
Um reator químico de mistura completa opera continuamente, em estado estacionário, com uma vazão de trabalho (F) igual a 60.000 L/h. O reator tem geometria cilíndrica com altura (h) e área da seção reta (A) iguais a 6 m e 20 m2, respectivamente. A alimentação do reator é isenta de produto e, no meio reacional, a concentração de produto (P) é igual a 360 g/L.
A velocidade espacial do meio reacional é
Provas
Uma questão fundamental na análise dimensional é quantos produtos adimensionais são necessários para substituir a lista inicial de variáveis de um determinado problema. A resposta a essa questão é dada pelo teorema de Buckingham, que estabelece que, se uma equação envolvendo k variáveis for dimensionalmente homogênea, ela pode ser reduzida a uma relação entre n produtos dimensionais independentes.
Considerando que r é o número mínimo de dimensões básicas necessárias para descrever as variáveis, pode-se escrever para n que
Provas
O número de Mach M é um adimensional muito importante no estudo dos escoamentos compressíveis.
Considerando que V é a velocidade em um estado no escoamento de um fluido e c é a velocidade sônica para o mesmo estado, pode-se escrever para o número de Mach M que
Provas

A barra AB mostrada na figura acima apresenta um movimento em que a aceleração AG é diferente de zero e a aceleração angular \( \alpha \) é nula. Nessas condições, as forças que atuam sobre a barra nos pinos A e B são tais que a resultante de sua soma vetorial
Provas
No Microsoft Word 2007, quando se insere uma apresentação inteira do Microsoft PowerPoint por meio do comando Objeto do grupo texto, da guia Inserir, o documento exibe
Provas
No Microsoft Excel 2007, a função que retorna a parte inteira de uma divisão é a
Provas
A respeito dos sistemas digitais de controle distribuído (SDCD), considere as afirmações a seguir.
I - Os algoritmos de controle são executados localmente, reduzindo a carga computacional da estação central.
II - Uma grande vantagem dos sistemas SDCD é a sua interface homem-máquina de alto nível, permitindo o acesso a um grande número de informações.
III - A desvantagem dos sistemas SDCD é o seu elevado custo associado ao cabeamento para interconexão entre os dispositivos da planta.
Está correto o que se afirma em
Provas
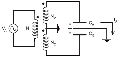
A figura abaixo ilustra o circuito de um sensor capacitivo de posição, onde o arranjo de capacitores possui as duas placas das extremidades fixas e a placa central pode deslocar-se na direção vertical, causando uma variação nas capacitâncias CA e CB. A fonte VA fornece uma tensão senoidal e o transformador é ideal. Partindo do ponto médio entre as duas placas fixas, desloca- se a placa móvel do arranjo.

Assim, a fase da corrente IA, em comparação com a tensão de referência VA, estará
Provas
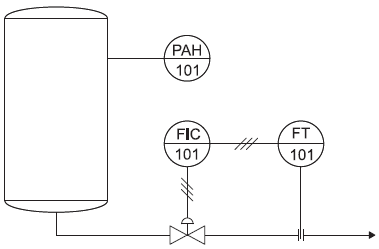
O diagrama abaixo apresenta parte de uma planta de controle associada a um tanque destinado ao armazenamento de gás natural, onde os dispositivos estão representados de acordo com a simbologia definida na norma ISA-5.1 1984 (R1992).

Nesse diagrama, o(a)
Provas
Caderno Container