Foram encontradas 2.410 questões.
Controladores Proporcional-Integral-Derivativo (PID), embora possuam estrutura relativamente simples, demonstram ser satisfatórios para o controle de grande variedade de processos.
O controlador PID é capaz de eliminar erros de regime permanente (ação integral), antecipar o comportamento do processo (ação derivativa) e reagir ao erro presente, conferindo ao sistema de controle uma reação rápida à ação de perturbações ou variações de referência de magnitudes significativas (ação proporcional).
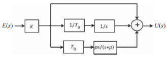
O diagrama em blocos de um controlador PID convencional é apresentado a seguir.

Com base nessas informações, julgue o item subsequente.
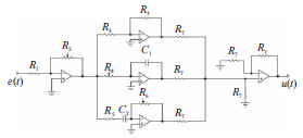
Uma possível realização do diagrama de blocos é dada pelo circuito abaixo, utilizando amplificadores operacionais, resistores, potenciômetros e capacitores. O ganho, a constante de tempo integral, a constante de tempo derivativo e o pólo são dados por K = R2/R1, Ti = C1R4, Td = C2R6 e p = C2R5, respectivamente.

Provas
Controladores Proporcional-Integral-Derivativo (PID), embora possuam estrutura relativamente simples, demonstram ser satisfatórios para o controle de grande variedade de processos.
O controlador PID é capaz de eliminar erros de regime permanente (ação integral), antecipar o comportamento do processo (ação derivativa) e reagir ao erro presente, conferindo ao sistema de controle uma reação rápida à ação de perturbações ou variações de referência de magnitudes significativas (ação proporcional).
O diagrama em blocos de um controlador PID convencional é apresentado a seguir.

Com base nessas informações, julgue o item subsequente.
A função de transferência do controlador PID é dada pela expressão, !$ H(s) \, = \, \dfrac {U(s)} {E(s)} \, = \, K \begin {bmatrix} 1 \, + \, \dfrac {1} {T_{a^S}} \, + \, T_b \dfrac {ps} {s+p} \end {bmatrix}, !$ onde K é o ganho, Ta e Tb são as constantes de tempo integral e derivativo, respectivamente, e p é um pólo para limitação de ganho em altas frequências.
Provas
Um circuito lógico digital é projetado para gerar a função booleana:
!$ f(A, B, C) \, = \, \bar {A}BC \, + \, A \bar {B} C \, + \, ABC !$
Considerando essas informações, julgue o próximo item.
Em termos de utilização mínima do número de portas lógicas básicas, a implementação ótima do circuito requer duas portas inversoras (NOT), duas portas OR (porta OU) de três entradas e três portas AND (porta E) de três entradas.
Provas
Um circuito lógico digital é projetado para gerar a função booleana:
!$ f(A, B, C) \, = \, \bar {A}BC \, + \, A \bar {B} C \, + \, ABC !$
Considerando essas informações, julgue o próximo item.
A tabela verdade do circuito lógico possui a seguinte estrutura.
| A | B | C | f(A,B,C) |
| 0 | 0 | 0 | 0 |
| 0 | 0 | 1 | 0 |
| 0 | 1 | 0 | 0 |
| 1 | 0 | 0 | 0 |
| 0 | 1 | 1 | 1 |
| 1 | 0 | 1 | 1 |
| 1 | 1 | 0 | 0 |
| 1 | 1 | 1 | 1 |
Provas
Com respeito ao sistema internacional de unidades (SI), julgue o seguinte item.
O SI incorpora o sistema decimal para relacionar unidades maiores ou menores que as unidades básicas, utilizando prefixos correspondentes às várias potências de dez.
Os seguintes prefixos são dispostos em ordem decrescente de potências: tera (T), gica (G), mega ( M), pico (p), atto (a) e femto (f), correspondendo, respectivamente, a 1012, 109, 106, 10-12, 10-15 e 10-18.
Provas
Com respeito ao sistema internacional de unidades (SI), julgue o seguinte item.
O SI é construído a partir de seis unidades básicas: metro, quilograma, segundo, ampère, Kelvin e candela. Como exemplo de unidades derivadas, pode-se citar o volt (unidade de tensão elétrica, também chamada de voltagem ou diferença de potencial) que é definida como a razão entre a unidade de trabalho (joule) e a unidade de carga (coulomb).
Provas

Um circuito linear é modelado por um quadripolo, como mostrado na figura acima, com os seguintes parâmetros de impedância: z11 = 10 !$ \Omega, !$ z12 = z21 = 5 !$ \Omega !$ e z22 = 4 !$ \Omega. !$
Com base nessas informações, julgue o item seguinte.
Considerando a conexão de uma fonte de tensão de 30 V entre os terminais a e b (polaridade em a maior do que a polaridade em b), então a resistência de Norton vista pelos terminais c e d do quadripolo será igual a 1,5 !$ \Omega. !$
Provas

Um circuito linear é modelado por um quadripolo, como mostrado na figura acima, com os seguintes parâmetros de impedância: z11 = 10 !$ \Omega, !$ z12 = z21 = 5 !$ \Omega !$ e z22 = 4 !$ \Omega. !$
Com base nessas informações, julgue o item seguinte.
Considerando que uma fonte de corrente de 5 A seja conectada aos terminais a e b (polaridade em a maior do que a polaridade em b), e mantendo-se os terminais c e d em aberto, então a diferença de potencial entre os terminais c e d (Vcd), e entre os terminais a e b (Vab), será de 25 V e 50 V, respectivamente.
Provas

Um circuito linear é modelado por um quadripolo, como mostrado na figura acima, com os seguintes parâmetros de impedância: z11 = 10 !$ \Omega, !$ z12 = z21 = 5 !$ \Omega !$ e z22 = 4 !$ \Omega. !$
Com base nessas informações, julgue o item seguinte.
Considerando que uma fonte de tensão de 20 V seja conectada aos terminais a e b (polaridade em a maior do que a polaridade em b), e que uma carga de 1 !$ \Omega !$ seja conectada entre os terminais c e d, então a corrente que flui pela fonte de tensão será igual a 5 A.
Provas
Disciplina: Legislação Específica das Agências Reguladoras
Banca: CESPE / CEBRASPE
Orgão: INMETRO
Com relação às legislações da Agência Nacional de Energia Elétrica (ANEEL) e da Agência Nacional de Telecomunicações (ANATEL), julgue o item subsequente.
Com respeito às orientações para seleção de laboratórios de ensaios para fins de certificação, constante na legislação da ANATEL, os ensaios a que será submetida a amostra do produto deverão ser realizados, preferencialmente, por laboratório de terceira parte, escolhido pelo interessado junto ao Organismo de Certificação Designado contratado, entre aqueles credenciados pelo INMETRO ou reconhecidos por meio de Acordo de Reconhecimento Mútuo, segundo os regulamentos editados ou as normas adotadas pela ANATEL. No caso de impossibilidade de contratação de um laboratório nacional conforme estipulado na legislação, o interessado poderá valer-se de outros laboratórios nacionais desde que determinada ordem de prioridade seja observada.
Inexistindo laboratórios que atendam a essa ordem de prioridade, o Organismo de Certificação Designado poderá aceitar laboratórios de ensaios estrangeiros, desde que credenciados pelo organismo credenciador oficial (e membro do ILAC) do país de origem.
Provas
Caderno Container