Foram encontradas 2.410 questões.
Julgue o item a seguir, referentes às características de materiais isolantes, condutores e semicondutores.
Considerando que uma barra de material metálico possui comprimento de 4 mm, área de seção transversal de 10-6 cm2, e resistividade de !$ 2 \, \times \, 10^{-8} \Omega \cdot m, !$ então a sua condutância é igual a 1,25 S.
Provas
Julgue o item a seguir, referentes às características de materiais isolantes, condutores e semicondutores.
O parâmetro tensão térmica (VT) é de fundamental importância na determinação da relação corrente versus tensão em dispositivos semicondutores de junção, como diodos e transistores bipolares. Esse parâmetro é diretamente proporcional ao produto constante de Boltzmann !$ \times !$ temperatura absoluta e inversamente proporcional ao valor absoluto da carga do elétron. Na temperatura ambiente, ou seja, em torno de 25 ºC, a tensão térmica é de aproximadamente 25 mV.
Provas
Julgue o item a seguir, referentes às características de materiais isolantes, condutores e semicondutores.
Uma importante aplicação do efeito Hall é a determinação precisa da concentração de portadores de carga (p ou n) em materiais semicondutores. De fato, a concentração de portadores em uma barra semicondutora é diretamente proporcional à tensão Hall medida.
Provas

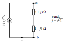
O circuito ilustrado acima, projetado para alimentação de cargas reativas conectadas aos terminais a e b, é constituído pela conexão paralela entre um gerador de corrente senoidal e uma impedância. O gerador de corrente é especificado com 10 [A] de amplitude, 30 graus de fase e 1.000 rad/s de frequência angular.
A impedância do circuito, por sua vez, é implementada com dois resistores, um indutor e um capacitor.
Com base nessas informações, julgue o seguinte item.
A máxima transferência de potência da fonte para uma carga conectada aos terminais a e b é assegurada quando uma carga reativa com componente resistiva de !$ 4\Omega !$ e componente reativa de !$ 3\Omega !$ é conectada em paralelo com a impedância do circuto.
Provas

O circuito ilustrado acima, projetado para alimentação de cargas reativas conectadas aos terminais a e b, é constituído pela conexão paralela entre um gerador de corrente senoidal e uma impedância. O gerador de corrente é especificado com 10 [A] de amplitude, 30 graus de fase e 1.000 rad/s de frequência angular.
A impedância do circuito, por sua vez, é implementada com dois resistores, um indutor e um capacitor.
Com base nessas informações, julgue o seguinte item.
A tensão sobre a fonte de corrente, em regime permanente senoidal, é dada por um fasor com amplitude e fase iguais a 50 [V] e (30 - arctan (3/4)) graus, respectivamente.
Provas

O circuito ilustrado acima, projetado para alimentação de cargas reativas conectadas aos terminais a e b, é constituído pela conexão paralela entre um gerador de corrente senoidal e uma impedância. O gerador de corrente é especificado com 10 [A] de amplitude, 30 graus de fase e 1.000 rad/s de frequência angular.
A impedância do circuito, por sua vez, é implementada com dois resistores, um indutor e um capacitor.
Com base nessas informações, julgue o seguinte item.
A admitância equivalente do circuito, em notação polar, possui amplitude e fase iguais a 0,2 [S] e arctan (3/4) graus, respectivamente.
Provas

O circuito ilustrado acima, projetado para alimentação de cargas reativas conectadas aos terminais a e b, é constituído pela conexão paralela entre um gerador de corrente senoidal e uma impedância. O gerador de corrente é especificado com 10 [A] de amplitude, 30 graus de fase e 1.000 rad/s de frequência angular.
A impedância do circuito, por sua vez, é implementada com dois resistores, um indutor e um capacitor.
Com base nessas informações, julgue o seguinte item.
A impedância do circuito pode ser implementada por meio da associação série entre um resistor de !$ 1 \Omega, !$ um indutor de 1/6 mH, um resistor de !$ 3 \Omega !$ e um capacitor de 3 mF.
Provas
Ondas eletromagnéticas desempenham um papel crucial na tecnologia moderna.
Com respeito às características dessas ondas e dos guias que possibilitam o controle de seus modos e direções de propagação, julgue o item a seguir.
Para que determinado modo seja transmitido por um guia de ondas, é necessário que a frequência de operação desse modo seja superior à sua frequência de corte. Por essa razão, o modo dominante de qualquer guia de ondas é aquele que exibe a menor frequência de corte. Na situação específica de guias retangulares, a frequência de corte de um dado modo depende da velocidade de propagação da onda eletromagnética no vácuo e das três dimensões geométricas do guia (altura, largura e comprimento).
Provas
Ondas eletromagnéticas desempenham um papel crucial na tecnologia moderna.
Com respeito às características dessas ondas e dos guias que possibilitam o controle de seus modos e direções de propagação, julgue o item a seguir.
Diferentes tipos de estruturas podem ser utilizados para guiagem de ondas eletromagnéticas em uma determinada direção. Linhas de transmissão, constituídas de dois condutores separados por dielétrico, são apropriadas para guiagem de ondas planas na faixa de megahertz. Guias metálicos ocos, com seção transversal circular ou retangular, são adequados para guiagem de ondas na faixa de gigahertz
(micro-ondas).
Provas
Ondas eletromagnéticas desempenham um papel crucial na tecnologia moderna.
Com respeito às características dessas ondas e dos guias que possibilitam o controle de seus modos e direções de propagação, julgue o item a seguir.
Ondas eletromagnéticas transversais do tipo TEM, TE e TM são aquelas em que as componentes do campo elétrico e do campo magnético são todas perpendiculares à direção de propagação da onda. A diferença entre esses modos de propagação está na intensidade relativa entre os componentes de campo.
Provas
Caderno Container