Foram encontradas 2.410 questões.

O circuito acima, alimentado por uma fonte de corrente de valor nominal I, é constituído de uma rede de diodos idênticos. Em condução, os diodos podem ser modelados como uma bateria VDO em série com uma resistência r.
Considerando essas informações, julgue o próximo item.
A diferença de potencial entre os terminais da fonte de corrente é !$ (Va \, - \, Vb) \, = \, \dfrac {14} {3} \, V_{DO} \, + \, \dfrac {5} {3}rl. !$
Provas
Com respeito às características de antenas básicas, julgue o item subsequente.
Uma antena monopolo quarto de onda é alimentada, em sua base, por uma fonte de corrente !$ i(t) \, = \, I_m cos(2 \pi \, \times \, 100 \, \times \, 10^6 t \, + \, \theta). !$
Para irradiação eficiente, o comprimento do monopolo é igual a 75 cm.
Provas
Com respeito às características de antenas básicas, julgue o item subsequente.
A resistência de irradiação de uma antena é definida como a resistência de um resistor hipotético que dissiparia a mesma potência irradiada pela antena quando alimentado pela mesma corrente. Para determinada antena dipolo, quanto menor o comprimento da onda irradiada, maior a resistência de irradiação.
Provas

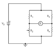
A ponte de Wheatstone é um instrumento apropriado para medição de resistências, impedâncias, capacitâncias, indutâncias e outras grandezas. A configuração da ponte de Wheatstone para medição de resistências é mostrada acima. Nessa configuração, Vs é uma fonte de tensão conhecida, G é um galvanômetro, e R1 (valor constante), R2 (valor ajustável) e R3 (valor constante) são resistências conhecidas. A resistência Rx é desconhecida e pode ser determinada pela ponte.
Acerca dessas informações, julgue o item a seguir.
Com os valores R1 = 100 !$ \Omega !$ R2 = 200 !$ \Omega !$ e R3 = 500 !$ \Omega !$ e Rx = 40 !$ \Omega !$ a ponte estará balanceada.
Provas

A ponte de Wheatstone é um instrumento apropriado para medição de resistências, impedâncias, capacitâncias, indutâncias e outras grandezas. A configuração da ponte de Wheatstone para medição de resistências é mostrada acima. Nessa configuração, Vs é uma fonte de tensão conhecida, G é um galvanômetro, e R1 (valor constante), R2 (valor ajustável) e R3 (valor constante) são resistências conhecidas. A resistência Rx é desconhecida e pode ser determinada pela ponte.
Acerca dessas informações, julgue o item a seguir.
A ponte de Wheatstone está balanceada quando a leitura da corrente pelo galvanômetro e a diferença de potencial entre seus terminais são ambas nulas. Essa situação pode ser obtida por meio do ajuste de R2.
Provas
Osciladores eletrônicos representam uma classe importante de circuitos, a exemplo de amplificadores e portas lógicas.
Com relação às características de circuitos osciladores, julgue o item a seguir.
Um oscilador pode empregar um elemento ressonante (por exemplo, cristal) ou um circuito também ressonante para estabelecimento de sua frequência de operação. Na situação específica da utilização de um circuito ressonante LC paralelo, com L = 1 mH e C = 10 pF, a frequência de operação do oscilador é fo = 10 MHz.
Provas
Osciladores eletrônicos representam uma classe importante de circuitos, a exemplo de amplificadores e portas lógicas.
Com relação às características de circuitos osciladores, julgue o item a seguir.
Para manter oscilações senoidais com amplitude constante, o circuito oscilador deve possuir, em regime permanente, um par de polos complexos conjugados situados no eixo imaginário (j!$ \omega !$) do plano complexo (s = !$ \sigma !$ + j!$ \omega !$). Na prática, um amplificador operacional com realimentação positiva pode ser utilizado na implementação de um circuito oscilador.
Provas
Com relação às características e aplicações de materiais magnéticos, julgue o seguinte item.
Materiais ferromagnéticos típicos são compostos de ferro e de ligas de ferro com outros metais (por exemplo, cobalto, tungstênio, níquel e alumínio). Esses materiais são compostos por grande número de domínios, ou seja, regiões nas quais os momentos magnéticos de todos os átomos estão em paralelo, originando um momento magnético resultante naquele domínio.
Provas
Com relação às características e aplicações de materiais magnéticos, julgue o seguinte item.
Em circuitos magnéticos, a resistência ao fluxo magnético é chamada de relutância R. De forma semelhante à lei de Ohm para circuitos elétricos, a fórmula de Rowland estabelece que a relutância é a razão entre a força magnetomotriz e o fluxo magnético. Para um elemento de circuito magnético de comprimento !$ l, !$ área de seção transversal A e permeabilidade magnética !$ \mu, !$ a relutância correspondente R é diretamente proporcional ao comprimento !$ l !$ e inversamente proporcional à área A.
Provas
Com relação às características e aplicações de materiais magnéticos, julgue o seguinte item.
Transformadores são elementos de circuito extremamente importantes, empregando, tipicamente, um núcleo de ferrita para acoplar fluxo magnético entre as bobinas do primário (entrada) e secundário (saída). Além de proporcionar bom isolamento elétrico para a fonte CA de alimentação, a tensão CA na saída pode ser amplificada por meio da relação de número de espiras entre as bobinas do primário e do secundário do transformador. Assim, para que o valor rms da tensão de saída do transformador seja cinco vezes o valor da tensão rms de entrada, a razão N entre o número de espiras da bobina do primário e número de espiras da bobina do secundário deve ser N = 5.
Provas
Caderno Container