Foram encontradas 2.215 questões.
A respeito de circuitos trifásicos, julgue o próximo item.
Sempre que uma carga estiver ligada em triângulo, as correntes que circulam nas fases dessa carga têm a mesma intensidade.
Provas

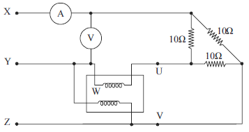
Considere que, a partir de medidas elétricas realizadas no circuito acima, se tenha constatado que somente um dos medidores — voltímetro
, amperímetro
e wattímetro W — estava funcionando adequadamente e, que, apesar disso, nenhum medidor tenha sido substituído. Sabendo que a carga trifásica opera normalmente, sendo alimentada por tensão eficaz de linha igual a 100 V, julgue o item subsequente.
Se um capacitor fosse conectado entre os pontos U e V, a leitura do wattímetro necessariamente seria zero, porque o capacitor possui apenas potência reativa.
Provas

Considere que, a partir de medidas elétricas realizadas no circuito acima, se tenha constatado que somente um dos medidores — voltímetro
, amperímetro
e wattímetro W — estava funcionando adequadamente e, que, apesar disso, nenhum medidor tenha sido substituído. Sabendo que a carga trifásica opera normalmente, sendo alimentada por tensão eficaz de linha igual a 100 V, julgue o item subsequente.
Caso funcione adequadamente, o wattímetro indicará a potência consumida por somente um dos resistores.
Provas

Considere que, a partir de medidas elétricas realizadas no circuito acima, se tenha constatado que somente um dos medidores — voltímetro
, amperímetro
e wattímetro W — estava funcionando adequadamente e, que, apesar disso, nenhum medidor tenha sido substituído. Sabendo que a carga trifásica opera normalmente, sendo alimentada por tensão eficaz de linha igual a 100 V, julgue o item subsequente.
Se a medida indicada pelo amperímetro, em valor eficaz, é inferior a 15 A, então esse instrumento está funcionando adequadamente.
Provas

Considere que, a partir de medidas elétricas realizadas no circuito acima, se tenha constatado que somente um dos medidores — voltímetro
, amperímetro
e wattímetro W — estava funcionando adequadamente e, que, apesar disso, nenhum medidor tenha sido substituído. Sabendo que a carga trifásica opera normalmente, sendo alimentada por tensão eficaz de linha igual a 100 V, julgue o item subsequente.
O voltímetro mede a tensão de fase em uma das fases da carga.
Provas
A respeito de energia em componentes passivos de um circuito elétrico, julgue o item abaixo.
Considere que um resistor e um capacitor estejam conectados em paralelo a uma fonte cuja tensão gerada é puramente senoidal. Nessa situação, durante a operação do circuito, o resistor é incapaz de trocar energia com a fonte, ao contrário do que ocorre com o capacitor.
Provas
Um transformador trifásico de potência com ligação triângulo-estrela, com o lado em estrela aterrado em seu centro-estrela (neutro), alimenta uma carga trifásica que está conectada ao lado em estrela, de baixa tensão. Em regime permanente, foram efetuadas medições das três correntes de linha que suprem a carga, resultando nas intensidades de 1.000 A, 800 A e 900 A, nas fases a, b e c, respectivamente. Considerando que o transformador esteja aterrado apropriadamente e funcionando normalmente, julgue o item a seguir.
Considere que o transformador seja ideal e tenha tensões nominais de linha iguais a 1.000 V, no lado em triângulo, e a !$ 100 \sqrt{3} !$ , no lado em estrela. Nesse caso, em um dos enrolamentos do lado em triângulo, circula corrente de 100 A.
Provas
Um transformador trifásico de potência com ligação triângulo-estrela, com o lado em estrela aterrado em seu centro-estrela (neutro), alimenta uma carga trifásica que está conectada ao lado em estrela, de baixa tensão. Em regime permanente, foram efetuadas medições das três correntes de linha que suprem a carga, resultando nas intensidades de 1.000 A, 800 A e 900 A, nas fases a, b e c, respectivamente. Considerando que o transformador esteja aterrado apropriadamente e funcionando normalmente, julgue o item a seguir.
Em termos de componentes simétricas, é correto afirmar que a corrente de sequência positiva, relativa às correntes de linha medidas, é igual a 900 A.
Provas
Um transformador trifásico de potência com ligação triângulo-estrela, com o lado em estrela aterrado em seu centro-estrela (neutro), alimenta uma carga trifásica que está conectada ao lado em estrela, de baixa tensão. Em regime permanente, foram efetuadas medições das três correntes de linha que suprem a carga, resultando nas intensidades de 1.000 A, 800 A e 900 A, nas fases a, b e c, respectivamente. Considerando que o transformador esteja aterrado apropriadamente e funcionando normalmente, julgue o item a seguir.
A carga trifásica conectada ao trafo está desequilibrada.
Provas
Em análise de sistemas elétricos de potência, a carga pode ser modelada por um polinômio que é uma contribuição de potência constante, de corrente constante e de impedância constante. Com relação a essa modelagem, julgue o item que se segue.
A parcela de carga modelada por impedância constante varia com o quadrado da magnitude da tensão.
Provas
Caderno Container