Foram encontradas 56 questões.
De acordo com a NBR ISO 14001:2015 e sobre os
objetivos ambientais, assinale com V as afirmativas
verdadeiras e com F as falsas.
( )É obrigatório que os objetivos ambientais sejam estabelecidos pela alta direção por níveis: estratégico, tático e operacional. ( )É obrigatório que cada aspecto ambiental considerado significativo pela organização tenha atrelado seu objetivo ambiental. ( )É obrigatório que o objetivo ambiental seja mensurável. ( )É obrigatório que seja mantida informação documentada sobre os objetivos ambientais.
Assinale a sequência CORRETA.
( )É obrigatório que os objetivos ambientais sejam estabelecidos pela alta direção por níveis: estratégico, tático e operacional. ( )É obrigatório que cada aspecto ambiental considerado significativo pela organização tenha atrelado seu objetivo ambiental. ( )É obrigatório que o objetivo ambiental seja mensurável. ( )É obrigatório que seja mantida informação documentada sobre os objetivos ambientais.
Assinale a sequência CORRETA.
Provas
Questão presente nas seguintes provas
- Gestão de Segurança e Saúde do TrabalhoOHSAS: Occupational, Health and Safety Management Systems
- NBRs
Há uma discussão no país sobre a ampliação da
terceirização (subcontratação) e seu eventual impacto
(potencial) sobre o sistema de gestão da segurança e
saúde ocupacional (SSO).
Analise as afirmativas a seguir relativas a subcontratação e à BS OSHAS 18001:2007 e assinale com V as verdadeiras e com F as falsas.
( )De acordo com a BS OSHAS 18001:2007, a organização deve implementar procedimento para consulta aos subcontratados quando existirem mudanças que possam afetar a sua SSO. ( )De acordo com a BS OSHAS 18001:2007, a organização deve implementar procedimentos para identificação de perigos e riscos levando em consideração as atividades dos subcontratados que tenham acesso aos locais de trabalho da organização. ( )De acordo com a BS OSHAS 18001:2007, a organização deve comunicar informação pertinente sobre requisitos legais da SSO também ao pessoal da subcontratada que trabalhe sob o controle da organização. ( )De acordo com a BS OHSAS 18001:2007, a organização deve impedir que subcontratado conduza atividades de maior risco no ambiente de trabalho da organização.
Assinale a sequência CORRETA.
Analise as afirmativas a seguir relativas a subcontratação e à BS OSHAS 18001:2007 e assinale com V as verdadeiras e com F as falsas.
( )De acordo com a BS OSHAS 18001:2007, a organização deve implementar procedimento para consulta aos subcontratados quando existirem mudanças que possam afetar a sua SSO. ( )De acordo com a BS OSHAS 18001:2007, a organização deve implementar procedimentos para identificação de perigos e riscos levando em consideração as atividades dos subcontratados que tenham acesso aos locais de trabalho da organização. ( )De acordo com a BS OSHAS 18001:2007, a organização deve comunicar informação pertinente sobre requisitos legais da SSO também ao pessoal da subcontratada que trabalhe sob o controle da organização. ( )De acordo com a BS OHSAS 18001:2007, a organização deve impedir que subcontratado conduza atividades de maior risco no ambiente de trabalho da organização.
Assinale a sequência CORRETA.
Provas
Questão presente nas seguintes provas
A ABNT NBR ISO 14004:2005 versão corrigida 2:2007
recomenda uma hierarquia de ações para a prevenção
da poluição.
Numere as ações a seguir, considerando, potencialmente, 1 para a mais eficaz e 5 para a menos eficaz.
( )Reutilização ou reciclagem interna ( )Reutilização ou reciclagem externa ( )Redução ou eliminação da fonte poluidora ( )Recuperação e tratamento ( )Mecanismo de controle
Assinale a sequência correta das ações.
Numere as ações a seguir, considerando, potencialmente, 1 para a mais eficaz e 5 para a menos eficaz.
( )Reutilização ou reciclagem interna ( )Reutilização ou reciclagem externa ( )Redução ou eliminação da fonte poluidora ( )Recuperação e tratamento ( )Mecanismo de controle
Assinale a sequência correta das ações.
Provas
Questão presente nas seguintes provas
A revisão mais recente da norma de sistemas de gestão
da qualidade,ABNT NBR ISO 9001, em 2015 tornou mais
evidente que a organização deve, para ser certificada,
adotar uma mentalidade de riscos.
A respeito de como essa norma de sistema de gestão da qualidade lida com a mentalidade de riscos, assinale a alternativa INCORRETA.
A respeito de como essa norma de sistema de gestão da qualidade lida com a mentalidade de riscos, assinale a alternativa INCORRETA.
Provas
Questão presente nas seguintes provas
Analise esta peça, representada em perspectiva isométrica.

Assinale a alternativa que apresenta essa peça representada em vistas ortográficas.
Provas
Questão presente nas seguintes provas
Analise as seguintes afirmativas referentes às técnicas de cotagem no desenho, assinalando com V as verdadeiras e
com F as falsas.
( )Se o espaço a cotar for pequeno, as setas devem ser suprimidas, deixando o valor no prolongamento da linha de
cota.
( )As linhas de centro, linhas de contorno e eixos de simetria podem ser usadas como linhas de cota e linhas de
extensão.
( )Na cotagem de várias circunferências concêntricas, deve-se evitar colocar mais de duas cotas passando pelo
centro.
( )Para auxiliar a cotagem, são utilizados pontos resultantes da interseção de duas linhas de construção da peça.
Assinale a sequência CORRETA.
Provas
Questão presente nas seguintes provas
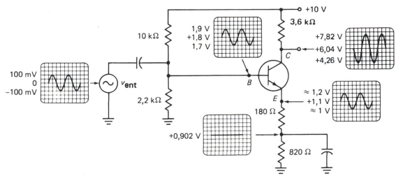
Analise o circuito amplificador de tensão a seguir.

Com relação a esse amplificador, é correto afirmar:
Provas
Questão presente nas seguintes provas
Observe a figura a seguir, que apresenta as características
e consequentes aplicações das modulações por
chaveamento.
Nesse caso, trata-se da modulação:
Nesse caso, trata-se da modulação:Provas
Questão presente nas seguintes provas
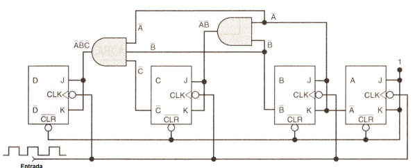
Analise o funcionamento do circuito a seguir.

Após análise, identifica-se esse circuito como um:
Provas
Questão presente nas seguintes provas
Analise o mapa de Karnaugh a seguir.

Provas
Questão presente nas seguintes provas
Cadernos
Caderno Container