Foram encontradas 56 questões.
Analise o fluxograma de projeto a seguir.

Após análise, é correto afirmar:
Provas
Questão presente nas seguintes provas
Observe a figura a seguir, que apresenta um componente dos sistemas de distribuição de energia elétrica.
Nesse caso, trata-se de um(a):
Nesse caso, trata-se de um(a):Provas
Questão presente nas seguintes provas
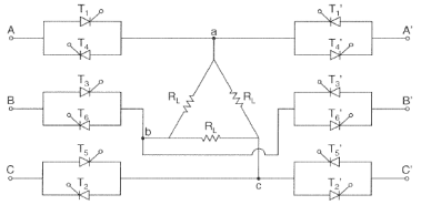
Observe a figura a seguir em que se apresenta um
transformador, uma carga e a rede trifásica.
Assinale a alternativa que indica a ligação Δ – Δ do
transformador para alimentar uma carga trifásica em
estrela.
Assinale a alternativa que indica a ligação Δ – Δ do
transformador para alimentar uma carga trifásica em
estrela.Provas
Questão presente nas seguintes provas
Analise as figuras a seguir, que apresentam a conexão
de condutores entre si em prolongamento.
Em seguida, numere de 1 a 9 a sequência de execução
desse processo.
Assinale a sequência CORRETA.
Assinale a sequência CORRETA.Provas
Questão presente nas seguintes provas
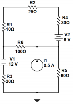
Analise o circuito a seguir.
A potência dissipada por R6 é igual a:
A potência dissipada por R6 é igual a:Provas
Questão presente nas seguintes provas
Analise, a seguir, a representação fasorial de um circuito
elétrico.
Após análise, é correto afirmar que o circuito é um:
Após análise, é correto afirmar que o circuito é um:Provas
Questão presente nas seguintes provas
Analise o diagrama elétrico a seguir.

Com relação a esse circuito, é correto afirmar:
Provas
Questão presente nas seguintes provas
Analise a forma de onda de uma corrente de curto-circuito, a seguir, em que seus componentes foram numerados de 1 a 7.
Utilizando essa figura, identifique seus componentes.
( )Componente simétrico
( )Valor da componente alternada inicial do curto-circuito
( )Constante de tempo
( )Valor do impulso da corrente de curto-circuito ou valor de pico
( )Componente contínuo ( )Componente assimétrico
( )Valor da corrente de curto-circuito permanente ou simplesmente de curto-circuito simétrica
Assinale a sequência CORRETA.
Utilizando essa figura, identifique seus componentes.
( )Componente simétrico
( )Valor da componente alternada inicial do curto-circuito
( )Constante de tempo
( )Valor do impulso da corrente de curto-circuito ou valor de pico
( )Componente contínuo ( )Componente assimétrico
( )Valor da corrente de curto-circuito permanente ou simplesmente de curto-circuito simétrica
Assinale a sequência CORRETA.Provas
Questão presente nas seguintes provas
Analise o projeto elétrico a seguir.

Com relação a esse projeto, é correto afirmar:
Provas
Questão presente nas seguintes provas
Numere a COLUNA II de acordo com a COLUNA I,
identificando os tipos de cabos utilizados como meios de
transmissão.
COLUNA I 1. Cabo de par trançado 2. Cabo UTP 3. Cabo autossustentado – fibra óptica 4. Cabo coaxial de 50 ou 75 Ω 5. Cabo drop compacto – fibra óptica 6. Cabo irradiante de RF
COLUNA II

Assinale a sequência CORRETA
COLUNA I 1. Cabo de par trançado 2. Cabo UTP 3. Cabo autossustentado – fibra óptica 4. Cabo coaxial de 50 ou 75 Ω 5. Cabo drop compacto – fibra óptica 6. Cabo irradiante de RF
COLUNA II

Assinale a sequência CORRETA
Provas
Questão presente nas seguintes provas
Cadernos
Caderno Container