Foram encontradas 140 questões.
Qual o método mais correto de diluir uma solução concentrada de ácido sulfúrico (H2SO4).
Provas
Questão presente nas seguintes provas
Em instalações elétricas prediais, o cobre e o alumínio são utilizados, em sua grande maioria, como base na construção dos condutores elétricos, e os materiais isolantes empregados são, geralmente, termoplásticos ou termofixos. Analise as proposições seguintes e marque a alternativa CORRETA.
Provas
Questão presente nas seguintes provas
Qual das soluções aquosas abaixo é uma solução-tampão?
Provas
Questão presente nas seguintes provas
Em um estudo analítico, vários termos são utilizados. A expressão da precisão, quando o método é realizado nas mesmas condições, mas em vários laboratórios diferentes, é a definição de:
Provas
Questão presente nas seguintes provas
Com relação aos rolamentos fixos de uma única carreira de esferas é correto afirmar que:
Provas
Questão presente nas seguintes provas
CARNE E OSSO
Eu quero sim,
Eu quero coisas novas,
Mas o que eu procuro mesmo são mais vidas...
Eu grito sim,
Mas grito meu lirismo
E o meu grito vai sanar minhas feridas...
Eu quero coisas novas,
Mas o que eu procuro mesmo são mais vidas...
Eu grito sim,
Mas grito meu lirismo
E o meu grito vai sanar minhas feridas...
E a música, e a mística
Aplicam sangue novo no meu ser,
Calam minha dor...
E o lúcido, e o válido, e o sólido
Vão matar você que evita o seu amor
Aplicam sangue novo no meu ser,
Calam minha dor...
E o lúcido, e o válido, e o sólido
Vão matar você que evita o seu amor
Por isso eu vou
Trazer você comigo,
Programar o amor em seus computadores...
Vou mais além:
Eu morro, mas consigo
Germinar a minha flor em seus rancores
Trazer você comigo,
Programar o amor em seus computadores...
Vou mais além:
Eu morro, mas consigo
Germinar a minha flor em seus rancores
Nem dúvidas, nem dívidas
Jamais vão destruir a minha flor dentro de você...
Que cérebro, que máquina
Conseguem fazer mais que um grande amor dentro de você?
Jamais vão destruir a minha flor dentro de você...
Que cérebro, que máquina
Conseguem fazer mais que um grande amor dentro de você?
Saiba quem agride a minha lira
Quanto mais ferida, mais diz o que sente
Quanto mais ferida, mais diz o que sente
Ainda vou ouvir você dizer pra mim: eu amo sim!
Sou carne, sou osso, sou gente!
Sou carne, sou osso, sou gente!
Sobre o período “quanto mais ferida, mais diz o que sente”, julgue as afirmações a seguir:
I – O segundo “mais” poderia ser substituído por “mas”;
II – O adjetivo “ferida” refere-se ao termo “lira”;
III – O verbo “sentir” refere-se ao termo “lira”;
II – O adjetivo “ferida” refere-se ao termo “lira”;
III – O verbo “sentir” refere-se ao termo “lira”;
Está(ao) correta(s) a(s) afirmação(ões):
Provas
Questão presente nas seguintes provas
Uma das características dos testes projetivos é:
Provas
Questão presente nas seguintes provas
Seguindo as especificações necessárias à limpeza e conservação do laboratório denominado de “complexo cozinha”, julgue os itens abaixo e assinale a alternativa CORRETA.
Provas
Questão presente nas seguintes provas

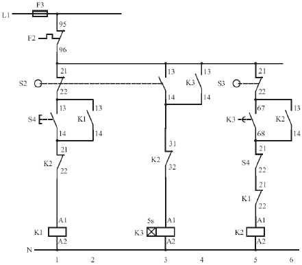
Figura 1 - Comando de abertura e fechamento de um portão
O esquema de comando apresentado na Figura 1 exemplifica um processo de abertura e fechamento de um portão. A ativação da chave de fim de curso S3 indica que o portão está fechado, e S2 ativo indica que o portão está aberto. Analisando o diagrama de comando marque a alternativa CORRETA.
Provas
Questão presente nas seguintes provas
Entre as atribuições referentes ao papel do psicólogo nas organizações, cabe-lhe
Provas
Questão presente nas seguintes provas
Cadernos
Caderno Container