Foram encontradas 40 questões.
Um conversor digital analógico de 8 bits gera uma tensão de saída de 2,0 V para um código de entrada de 01100100.
Qual será o valor de VOUT para um código de entrada de 10110100?
Provas
Questão presente nas seguintes provas
Sobre o protocolo PROFIBUS, são lançadas as afirmativas:
I. O padrão RS 485 é a tecnologia de transmissão mais freqüentemente utilizada. Um cabo trançado de cobre blindado com um único par condutor é o suficiente para implantar esse meio físico.
II. O protocolo de acesso ao barramento inclui o procedimento de passagem do token, que é utilizado pelas estações ativas da rede (mestres) para definir quem terá o direito de comunicar e o procedimento mestre-escravo, que é utilizado por estações ativas para se comunicarem com as estações passivas (escravos).
III. Os arquivos GSD fornecem a descrição das características de um dispositivo em formato padronizado. Esses arquivos são preparados pelo fabricante do dispositivo e suas informações são utilizadas no momento da configuração da rede.
Estão corretas as afirmativas
Provas
Questão presente nas seguintes provas
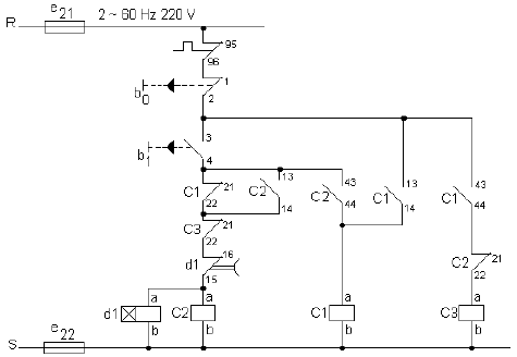
Observe a figura abaixo, sabendo-se que d1 é um temporizador e que o tempo ajustado é de 20 segundos.

Quais dispositivos serão energizados no instante em que for pressionado o botão de comando b1?
Provas
Questão presente nas seguintes provas
Uma indústria é alimentada com uma rede trifásica de 13.800V/60 Hz. Ela trabalha em média 8 horas por dia e 26 dias por mês. Após analisar o consumo de energia, obteve-se os dados da tabela abaixo.
| Mês / Ano | Energia Atíva kWh | Energia Reativa kVArh | Demanda Máxima kW | Demanda Ativa média (período de operação) kW |
Demanda Reativa média
(período de operação)
kVAr
|
cos !$ \phi !$ medio
(período de
operação)
|
| set/07 | 19800 | 22750 | 125 | 95,192 | 109,375 | 0,657 |
| out/07 | 20350 | 23055 | 132 | 97,837 | 110,841 | 0,662 |
| nov/07 | 19045 | 23500 | 150 | 91,563 | 112,981 | 0,630 |
| dez/07 | 18750 | 24.025 | 161 | 90,144 | 115,505 | 0,615 |
| jan/08 | 19100 | 22.900 | 122 | 91,827 | 110,096 | 0,641 |
| fev/08 | 16910 | 21900 | 125 | 81,298 | 105,288 | 0,611 |
| mar/08 | 17450 | 23150 | 135 | 83,894 | 111,298 | 0,602 |
| abr/08 | 19100 | 22900 | 115 | 91,827 | 110,096 | 0,641 |
| mai/08 | 15950 | 23845 | 127 | 76,683 | 114,639 | 0,556 |
| jun/08 | 18000 | 23500 | 148 | 86,538 | 112,981 | 0,608 |
| jul/08 | 20890 | 22935 | 151 | 100,433 | 110,264 | 0,673 |
| ago/08 | 20250 | 22000 | 158 | 97,356 | 105,769 | 0,677 |
| Totais / Ano | 225595 | 276460 | 1649 | 1084,591 | 1329,135 | 7,572 |
| Médias/ Ano | 18799, 583 | 23038, 333 | 137, 417 | 90, 383 | 110, 761 | 0,631 |
Os capacitores trifásicos que corrigem o fator de potência para 0,92 indutivo, no pior caso, valem, respectivamente,
Provas
Questão presente nas seguintes provas
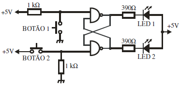
Observe o circuito abaixo.

Se os dois botões forem pressionados simultaneamente,
Provas
Questão presente nas seguintes provas
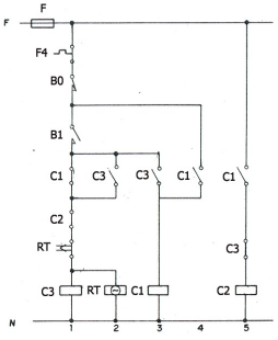
Observe o diagrama a seguir.

Este diagrama corresponde ao diagrama de comando de uma chave de partida
Provas
Questão presente nas seguintes provas
Um circuito RLC, alimentado em corrente alternada está ressonante quando a corrente:
Provas
Questão presente nas seguintes provas
O gráfico abaixo representa a tensão sobre um capacitor em um circuito RC, alimentado por tensão corrente contínua.

Sabendo-se que o valor de R é 20 k!$ \Omega !$, o valor de C é
Provas
Questão presente nas seguintes provas
Observe o circuito abaixo.

O valor de RB que resulta na saturação com um !$ \beta !$ de saturação igual a 20 é, aproximadamente,
Provas
Questão presente nas seguintes provas
Observe a figura e a tabela abaixo

| Característica B x H – Ferro Forjado e Aço Fundido | |||||||||||||||||
| B(T) | 0,1 | 0,2 | 0,3 | 0,4 | 0,5 | 0,6 | 0,7 | 0,8 | 0,9 | 1,0 | 1,1 | 1,2 | 1,3 | 1,4 | 1,5 | 1,6 | 1,7 |
| H (Ae/m) | 0 | 70 | 90 | 100 | 120 | 140 | 170 | 220 | 270 | 320 | 400 | 500 | 620 | 850 | 1200 | 2000 | 3500 |
Sendo o toróide de secção transversal quadrada com 2350 espiras, raio interno de 9 cm e externo de 14 cm e núcleo de Ferro Forjado e Aço fundido .
Qual deve ser a indução e o fluxo para uma corrente de 0,25 A no ponto médio do núcleo?
Provas
Questão presente nas seguintes provas
Cadernos
Caderno Container