Foram encontradas 1.000 questões.
Leia o trecho a seguir:
“É enquanto instrumentos estruturados e estruturantes de comunicação e de conhecimento que os “sistemas simbólicos” cumprem a sua função política de instrumentos de imposição ou de legitimação da dominação, que contribuem para assegurar a dominação de uma classe sobre outra (violência simbólica) dando reforço da sua própria força às relações de força que as fundamentam e contribuindo assim, segundo a expressão de Weber, para a ‘domesticação dos dominados’.”
(BOURDIEU, Pierre. O Poder Simbólico. Rio de Janeiro: Bertrand Brasil, 2001, p. 11.)
Segundo Pierre Bourdieu, a chamada “violência simbólica”
I. ocorre pela imposição de normas, crenças e valores por parte de uma estrutura de poder dominante.
II. acaba por ser internalizada pelos oprimidos, moldando visões de mundo e comportamentos.
III. tem no uso da linguagem - mediante sistemas de significados e símbolos - sua principal forma de disseminação.
IV. caracteriza-se pela ostensividade, não se diferenciando, nesse aspecto, da violência física.
Estão corretas as afirmativas
Provas
Uma perspectiva em que uma escala de medida é a mesma em três direções designa-se por perspectiva isométrica. Com base nessa informação, analise as seguintes afirmativas:
I. Os ângulos isométricos fazem ângulos iguais entre si, e as duas direções isométricas fazem obrigatoriamente ângulos de 30º em relação à normal da terceira direção.
II. A posição em que se deve representar a perspectiva considera somente a maior quantidade de informações do objeto.
III. A relação entre o comprimento do eixo menor e do eixo maior é de 1:1,7 nas elipses em perspectiva isométrica.
Está(ão) correta(s) apenas a(s) afirmativa(s)
Provas
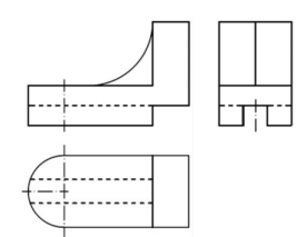
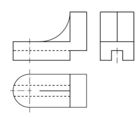
A representação tridimensional de peças mecânicas pode ser realizada através da perspectiva isométrica, sendo que a partir desta obtêm-se as vistas ortogonais, como mostra a figura a seguir.

Fonte: o autor
Qual figura representa corretamente as vistas ortogonais segundo o método Europeu?
Provas
Leia o fragmento a seguir:
“Mostra-se nesse trabalho como o recurso às queimadas deve parecer aos colonos estabelecidos em mata virgem, de uma tão patente necessidade que não lhes ocorre, sequer, a lembrança de outros métodos de desbravamento. Parece-lhes que a produtividade do solo desbravado e destocado sem auxílio do fogo não é tão grande que compense o trabalho gasto em seu arroteio, tanto mais quanto são quase sempre mínimas as perspectivas de mercado próximo para a madeira cortada”.
(HOLANDA, Sérgio Buarque. Raízes do Brasil. São Paulo: Companhia das Letras, Edição comemorativa 70 anos, 2006 - p. 59.)
O autor alude a uma prática recorrente no estabelecimento das áreas rurais do território brasileiro, denominando-a por persistência da lavoura de tipo
Provas
No contexto de bancos de dados, uma view (ou visão) é uma tabela virtual que exibe dados resultantes de uma consulta SQL. Ela não armazena dados permanentemente, exceto quando se trata de views materializadas, que guardam fisicamente o resultado da consulta. As views são amplamente usadas para facilitar o acesso a informações e restringir a visualização de dados sensíveis.
Com base nisso, analise as afirmações a seguir, assinalando V, para as Verdadeiras, e F, para as Falsas:
( ) Uma view é uma tabela virtual que gera seus dados dinamicamente no momento da consulta, sem armazená-los fisicamente.
( ) As views podem ser utilizadas para limitar o acesso às colunas ou linhas sensíveis de uma tabela, sem a necessidade de modificar a tabela original.
( ) Ao contrário das tabelas, as views permitem atualizações diretas em seus dados, sem nenhuma restrição.
( ) Views materializadas armazenam fisicamente os resultados da consulta e precisam ser atualizadas manual ou automaticamente quando os dados das tabelas subjacentes são alterados.
A sequência correta, de cima para baixo, é:
Provas
A norma de representação de projeções ortogonais define as seis projeções ortogonais de um dado objeto.
Para o método Europeu, com relação à vista principal, as posições das vistas superior, inferior e lateral esquerda são, respectivamente
Provas
Dados: C (12g.mol-1), O (16 g.mol-1) e H (1 g.mol-1)
A concentração de etanol, em g.L-1, encontrada na amostra de bebida é
Provas
Na fabricação de estruturas metálicas, a escolha do gás de proteção utilizado no processo de soldagem é crucial para a eficiência e a qualidade do trabalho. O tipo de gás influencia em diversas características do processo de soldagem MIG/MAG.
O gás de proteção influencia as seguintes características:
I. Transferência do metal.
II. Formato do cordão de solda.
III. Velocidade máxima de soldagem.
IV. Custo final do cordão.
Estão corretas as afirmativas
Provas
Os comandos SQL INSERT, DELETE e UPDATE são utilizados para manipular dados em um banco de dados.
Com relação ao uso desses comandos, é INCORRETO afirmar que o comando
Provas
A partir de meados da década de 1980, começa a surgir uma nova configuração do espaço rural no Brasil, similar ao que já era observado há algum tempo em nações desenvolvidas.
Essa nova configuração foi descrita por Graziano da Silva (2002) como “Novo Rural”. Ela pode ser sintetizada na seguinte característica
Provas
Caderno Container