Magna Concursos

Foram encontradas 1.000 questões.

3664963 Ano: 2025
Disciplina: Engenharia Mecânica
Banca: IF-SUL
Orgão: IF-SUL

Considere o sistema de controle abaixo:

Figura 20

Enunciado 4352391-1

Fonte: O autor

Com relação ao LGR do sistema, analise as afirmativas a seguir:

I. Os polos estão localizados em (0,0) e (4,0).

II. Para k=1, os polos se localizam em (-2,0).

III. Para k>1, a saída do sistema apresenta polos complexos.

IV. Para k>2, o sistema em malha fechada é instável.

Estão corretas apenas as afirmativas:

 

Provas

Questão presente nas seguintes provas
3664962 Ano: 2025
Disciplina: Engenharia Mecânica
Banca: IF-SUL
Orgão: IF-SUL

Considere o sinal periódico abaixo:

Enunciado 4352390-1

Ao realizar a análise deste sinal, através das séries de Fourier, conclui-se que a função

 

Provas

Questão presente nas seguintes provas
3664961 Ano: 2025
Disciplina: Engenharia Mecânica
Banca: IF-SUL
Orgão: IF-SUL

Analise a função abaixo:

Enunciado 4352389-1

A transformada inversa de Laplace da função acima é

 

Provas

Questão presente nas seguintes provas
3664960 Ano: 2025
Disciplina: Eletroeletrônica
Banca: IF-SUL
Orgão: IF-SUL

O circuito abaixo representa um conversor DA de 4bits.

Figura 19

Enunciado 4352388-1

Fonte: O autor

O valor da tensão Vout do circuito é de

 

Provas

Questão presente nas seguintes provas
3664959 Ano: 2025
Disciplina: Eletroeletrônica
Banca: IF-SUL
Orgão: IF-SUL
Em relação ao circuito ao lado, considere alimentação simétrica de ± 18V, R1 = 1k ohms, R2 = 1k ohms, R3 = 1k ohms, R4 = 5k ohms, Vin1 = 5 mV, Vin2 = 7 mV e Vin3 =8 mV.
Figura 18 Enunciado 4352387-1 Fonte: O autor
A tensão Vout para o circuito é de
 

Provas

Questão presente nas seguintes provas
3664958 Ano: 2025
Disciplina: Eletroeletrônica
Banca: IF-SUL
Orgão: IF-SUL
Em relação ao circuito ao lado, considere alimentação simétrica de ± 12V, R1 = 1k ohms, R2 = 10k ohms, R3 = 1k ohms, R4 = 10k ohms, Vin1 = 10mV e Vin2 = 15mV.
Figura 17 Enunciado 4352386-1 Fonte: O autor
A tensão Vout para o circuito é de
 

Provas

Questão presente nas seguintes provas
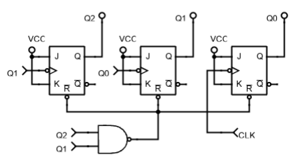
3664957 Ano: 2025
Disciplina: Eletroeletrônica
Banca: IF-SUL
Orgão: IF-SUL

Analise o circuito abaixo:

Figura 16

Enunciado 4352385-1

Fonte: O autor

É correto afirmar que o circuito sequencial acima

 

Provas

Questão presente nas seguintes provas
3664956 Ano: 2025
Disciplina: Eletroeletrônica
Banca: IF-SUL
Orgão: IF-SUL

Considere a expressão booleana abaixo:

Enunciado 4352384-1

A expressão simplificada, com o menor número de portas, corresponde à alternativa

 

Provas

Questão presente nas seguintes provas
3664955 Ano: 2025
Disciplina: Eletroeletrônica
Banca: IF-SUL
Orgão: IF-SUL

Considere os circuitos digitais abaixo.

Figura 15

Enunciado 4352383-1

Fonte: O Autor

É correto afirmar que

 

Provas

Questão presente nas seguintes provas
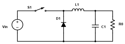
3664954 Ano: 2025
Disciplina: Eletroeletrônica
Banca: IF-SUL
Orgão: IF-SUL

Analise o circuito abaixo, considerando como tensão de saída a queda de tensão no resistor R0.

Figura 14

Enunciado 4352382-1

Fonte: O autor

De qual tipo de conversor se trata este circuito?

 

Provas

Questão presente nas seguintes provas