Foram encontradas 280 questões.
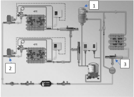
Observe os componentes do ciclo frigorífico representado na Figura 1.
Figura 1 – Ciclo Frigorífico

Fonte: Catálogo de Produtos Danffos
Na sequência de componentes 1,2,3, tem-se, respectivamente,
Provas
Questão presente nas seguintes provas
Durante a manutenção ou análise de sistemas de refrigeração doméstica, são realizados diversos tipos de procedimentos. Quando ocorre o defeito no compressor de um refrigerador, e este compressor necessita ser substituído, quais procedimentos são realizados antes da instalação de um novo compressor?
Provas
Questão presente nas seguintes provas
Suponha um ser humano em pé, estático no centro de uma sala. Quanto às trocas térmicas, entre este e o meio, afirma-se corretamente que o calor é trocado por
Provas
Questão presente nas seguintes provas
Durante um processo em que 8.200,00 m³/h de ar de retorno a 23°C, BS; 16°C, BU são misturados a 2.000,00 m³/h de ar de renovação a 35°C, BS; 27°C, BU, ocorre uma modificação nas condições do ar misturado.
A partir dessa afirmação, é correto afirmar que há um ganho de
Provas
Questão presente nas seguintes provas
Considere o processo de resfriamento e desumidificação que ocorre na serpentina de um fancoil, pelo qual circula água gelada, cujas temperaturas de entrada e saída são respectivamente 7°C e 12°C.
Sabendo-se que a vazão de água é de 2,5 m³/h, qual é a vazão mássica de ar em quilogramas por segundo, se este entra na serpentina a 26°C, BS; 20°C, BU e sai desta a 12°C, BS; 11°C, BU?
Provas
Questão presente nas seguintes provas
Em uma serpentina de expansão direta com temperatura superficial de 5°C, 2800m³/h de ar entram com TBS=24°C e TBU=17°C e saem desta com TBS=12°C e TBU=10°C.
Aplicando a Lei da Linha Reta, qual será o fator de by-pass da serpentina?
Provas
Questão presente nas seguintes provas
Os sistemas de refrigeração domésticos são compostos por dispositivos e acessórios que garantem o seu bom funcionamento ou até mesmo sua otimização.
Dentre os acessórios utilizados, qual deles tem a função de evitar que o fluido refrigerante líquido, que não evaporou no evaporador, seja succionado pelo compressor?
Provas
Questão presente nas seguintes provas
No processo de soldagem oxiacetilênica podem acontecer alguns tipos de problemas com a solda realizada, ocasionados por falhas durante a soldagem e/ou preparação do local que será soldado.
A falha que ocorre pela falta de pré- aquecimento dos tubos a serem soldados é chamada de
Provas
Questão presente nas seguintes provas
- CNEResoluções do CNE/CEBResolução CNE/CEB 04/2009: DOAEE Educação Básica, Modalidade Educação Especial
Segundo o Art. 5º da Resolução nº 04/2009, o Atendimento Educacional Especializado deve ser ofertado:
I. No turno inverso da escolarização do aluno.
II. Preferencialmente em centros de Atendimento Educacional Especializados
III. Prioritariamente na Sala de Recursos Multifuncionais da própria escola ou em outra escola de ensino regular.
IV. Preferencialmente na sala de recursos multifuncionais da própria escola
II. Preferencialmente em centros de Atendimento Educacional Especializados
III. Prioritariamente na Sala de Recursos Multifuncionais da própria escola ou em outra escola de ensino regular.
IV. Preferencialmente na sala de recursos multifuncionais da própria escola
Estão corretas apenas as afirmativas
Provas
Questão presente nas seguintes provas
A Lei nº 13.146/2015 determina que cabe ao poder público implementar serviços e programas completos de habilitação profissional e de reabilitação profissional para que a pessoa com deficiência possa ingressar, continuar ou retornar ao campo do trabalho, respeitados sua livre escolha, sua vocação e seu interesse (BRASIL, 2015).
Com respeito à habilitação profissional e à reabilitação profissional expressa na Seção II da referida Lei, está INCORRETA a seguinte afirmação:
Provas
Questão presente nas seguintes provas
Cadernos
Caderno Container