Foram encontradas 280 questões.
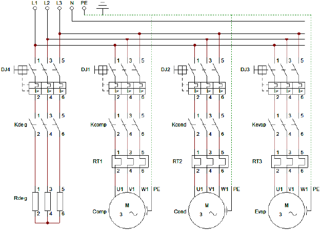
Para responder à questão, considere a Figura 5 e a Tabela 6.
Figura 5 – Circuitos de comando e força


Tabela 6: Legenda com a nomenclatura dos elementos do circuito.
| Dispositivo | Descrição |
| E | Chave de emergência |
| S1 | Chave geral liga/desliga |
| P | Pressostato |
| CT | Controlador de temperatura |
| Sp | Chave para detecção de porta aberta |
| Ti | Temporizador cíclico |
| RTx | Relés térmicos 1, 2 e 3 |
| Kaux | Contatora auxiliar |
| Kcomp | Contatora de acionamento do compressor |
| Kcond | Contatora de acionamento do motoventilador do condensador |
| Kevap | Contatora de acionamento do motoventilador do evaporador |
| Kdeg | Contatora de acionamento das resistências de degelo |
| DJx | Disjuntores 1, 2, 3 e 4 |
| Comp | Motor do compressor |
| Cond | Motor do condensador |
| Evap | Motor do evaporador |
No circuito de comando da Figura 5, suponha que a chave S1 e o contato Kaux estejam acionados. Especificamente os contatos Kdeg (21-22), Sp (1-2) e Kevap (13-14), quando acionados separadamente, atuam no circuito de comando, respectivamente, para:
Provas
Questão presente nas seguintes provas
Para responder à questão, considere a Figura 5 e a Tabela 6.
Figura 5 – Circuitos de comando e força


Tabela 6: Legenda com a nomenclatura dos elementos do circuito.
| Dispositivo | Descrição |
| E | Chave de emergência |
| S1 | Chave geral liga/desliga |
| P | Pressostato |
| CT | Controlador de temperatura |
| Sp | Chave para detecção de porta aberta |
| Ti | Temporizador cíclico |
| RTx | Relés térmicos 1, 2 e 3 |
| Kaux | Contatora auxiliar |
| Kcomp | Contatora de acionamento do compressor |
| Kcond | Contatora de acionamento do motoventilador do condensador |
| Kevap | Contatora de acionamento do motoventilador do evaporador |
| Kdeg | Contatora de acionamento das resistências de degelo |
| DJx | Disjuntores 1, 2, 3 e 4 |
| Comp | Motor do compressor |
| Cond | Motor do condensador |
| Evap | Motor do evaporador |
O circuito elétrico de uma câmara frigorífica, representado através dos circuitos de comando e força da Figura 5, é usado para o controle e proteção de uma câmara frigorífica com degelo através de resistências elétricas. De acordo com a lógica de funcionamento do circuito, afirma-se que,
Provas
Questão presente nas seguintes provas
Algumas tecnologias de motores elétricos aplicados em evaporadores permitem a escolha de mais de uma rotação, como os motores de dupla rotação, por exemplo.
Com relação aos evaporadores com ventiladores axiais com tais tecnologias, afirma-se que:
I. A redução da rotação do motor reduz a pressão estática na mesma proporção.
II. A redução à metade da rotação plena do motor reduz a pressão estática em 4 vezes.
III. A redução à metade da rotação plena do motor reduz em 4 vezes a potência mecânica exercida pelo ventilador.
IV. A redução à metade da rotação plena do motor reduz em 8 vezes a potência mecânica exercida pelo ventilador.
II. A redução à metade da rotação plena do motor reduz a pressão estática em 4 vezes.
III. A redução à metade da rotação plena do motor reduz em 4 vezes a potência mecânica exercida pelo ventilador.
IV. A redução à metade da rotação plena do motor reduz em 8 vezes a potência mecânica exercida pelo ventilador.
Estão corretas apenas as afirmativas
Provas
Questão presente nas seguintes provas
Os equipamentos de refrigeração que utilizam o efeito Seebeck, com placas termoelétricas, cada vez mais têm ganhado espaço no mercado.
Em relação à refrigeração termoelétrica, afirma-se que:
I. O sistema de refrigeração termoelétrico tem um tempo de abaixamento de temperatura superior em relação ao sistema de compressão de vapor.
II. As placas termoelétricas podem ser alimentadas tanto em AC quanto em DC, desde que seja em tensões baixas.
III. O lado frio e o lado quente das placas termoelétricas podem ser invertidos.
IV. Este tipo de refrigeração é utilizado em sistemas de pequeno porte.
Estão corretas apenas as afirmativas
Provas
Questão presente nas seguintes provas
Considere a densidade do ar 1,129(kg/m³) e calculando as cargas térmicas sensível e latente decorrentes de uma vazão de ar de renovação de 900m³/h a 32°C (BS) e UR de 60%, que deve ser resfriada até 25°C (BS) e 50% UR, teremos
Provas
Questão presente nas seguintes provas
Em sistemas de bombeamento de água, quando se objetiva duplicar a vazão de água, deve-se
Provas
Questão presente nas seguintes provas
Em instalações de Amônia, o condensador evaporativo tem seu desempenho consideravelmente influenciado por
I. queda de pressão do refrigerante no condensador.
II. disposição da tubulação em relação ao tanque de líquido.
III. alívio no tanque de líquido.
IV. utilização de subresfriador.
II. disposição da tubulação em relação ao tanque de líquido.
III. alívio no tanque de líquido.
IV. utilização de subresfriador.
Estão corretas apenas as afirmativas
Provas
Questão presente nas seguintes provas
Se em um condicionador de ar forem medidas as temperaturas de bulbo seco e bulbo úmido, na entrada e na saída da serpentina evaporadora, e também for determinada a vazão volumétrica de ar, na entrada da serpentina evaporadora, teremos:
• TBS ent= 26,7 °C; TBU ent=19°C/ TBS saída= 12,5 °C; TBU saida=11°C
• Vesp ent=0,864 m³/ kg ar / Vesp saída=0,819 m³/ kg ar
• Entalpia ent =53,66 m³/ kg ar / Entalpia saída=31,64kJ/ kg ar
• Um. Ab. ent= 10,51 gv/ kg ar / Um. Ab. saída=7,55 gv/ kg ar
• Vazão Volumétrica na entrada= 10.200,00 m³/h
• Vesp ent=0,864 m³/ kg ar / Vesp saída=0,819 m³/ kg ar
• Entalpia ent =53,66 m³/ kg ar / Entalpia saída=31,64kJ/ kg ar
• Um. Ab. ent= 10,51 gv/ kg ar / Um. Ab. saída=7,55 gv/ kg ar
• Vazão Volumétrica na entrada= 10.200,00 m³/h
Considerando 1TR=3.024,00 kcal/h e 1kJ=0,239 kcal/h, ao calcular a capacidade de refrigeração real desta máquina e a taxa de geração de condensado a ser escoado pelo dreno, tem-se, respectivamente,
Provas
Questão presente nas seguintes provas
Observe o diagrama a seguir.
Figura 4 – Diagrama Unifilar

Ao dimensionar uma rede de dutos como a representada no diagrama unifilar (Figura 4), pelo método da velocidade, tendo como critérios tanto o consumo de material, quanto os processos de fabricação e instalação, deve-se optar por determinados formatos para dutos principais, ramais e sub-ramais.
São eles, respectivamente:
Provas
Questão presente nas seguintes provas
Considere os dados de um sistema de climatização por água gelada apresentados na Tabela 5. Calcule a potência mecânica necessária no eixo de uma bomba centrífuga, destinada a esta aplicação, adotando o rendimento da bomba para este ponto de operação em 58%, o rendimento do motor elétrico em 80% e considere o peso específico da água 1.000,00 kgf/m³.
Tabela 5 – Dados relativos ao sistema de climatização
| Grandezas | Valor [unidade] |
| Vazão de água gelada | 38.000,00 [litros/hora] |
| Perda de carga unitária | 0,02 [m.c.a./m] |
| Perda de carga localizada | 20,00 [m.c.a.] |
| Comprimento real de tubulação | 130,00 [m] |
| Comprimento equivalente | 35,00 [m] |
| Desnível Geométrico | Nulo |
Está correta a alternativa:
Provas
Questão presente nas seguintes provas
Cadernos
Caderno Container